«ВЭФ-12»

«ВЭФ-12»

3. ЛАЙЩЕВ, В. ВАСИЛЬЕВ, Радио №1/1969, ст.53 Вместо ранее выпускавшихся транзисторных переносных радиоприемников «ВЭФ-Спидола-10», пользовавшихся заслуженной популярностью у радиолюбителей, рижский завод «ВЭФ» в настоящее время выпускает новые приемники «ВЭФ-12». «ВЭФ-12»,…
Сокол-4

Сокол-4

Радио №11/1968, ст.44 Приемник представляет собой малогабаритный супергетеро­дин, собранный на 8 транзисто­рах и двух полупроводниковых дио­дах. Он предназначен для приема местных н дальних радиовещатель­ных станций, работающих в диапа­зонах длинных, средних…
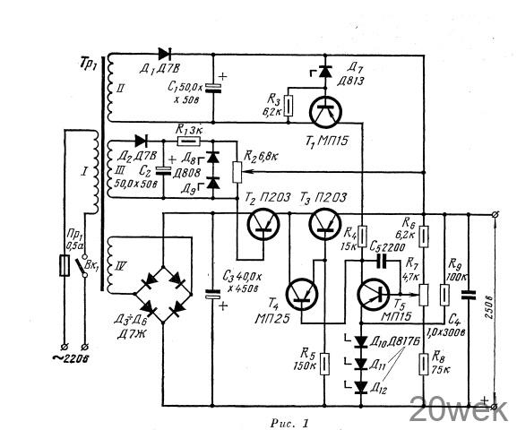
Радиола Урал-5

Радиола Урал-5

в диа­пазоне длинных 2000-735,3 м (150-408 кгц), средних 571,1-180,9 м (525-1605 кгц), коротких (КВ2) 75,9-40,5 м, (3,95-7,4 Мгц), корот­ких (КВ1) 32,0-24,8 м (9,36-12,1 Мгц) и ультракоротких 4,50-4,11 л (65,8-73 Мгц) волн
Электрофон «Каравелла»

Электрофон «Каравелла»

Радио №6/1968, ст.42 Электрофон «Каравелла» предназ­начен для воспроизведения грам­записей с обычных и долгоиграющих пластинок всех форматов В нем предусмотрены также гнезда для подключения электрогитары, маг­нитофона и дополнительного громко­говорителя. В корпусе…
Коротковолновая антенна

Коротковолновая антенна

К. ХАРЧЕНКО, С. ВЫШИНСКИЙ, Радио №2/1968, ст.31 Радиолюбители-коротковолновики для проведения связей довольно часто используют антенны горизонтальной поляризации, например сим­метричный вибратор. Для осуществ­ления связей но многим направле­ниям при этом приходится менять…
Переносная радиола "Мрия"

Переносная радиола «Мрия»

И. БЕЛЬСКИЙ, Е. НИКОЛАЕВ, Радио №2/1968, ст.25 ОСНОВНЫЕ ТЕХНИЧЕСКИЕ ДАННЫЕ Переносная радиола «Мрия» предназначена для при­ема программ радиовещательных станций в диапазонах длинных (735,3-2 ООО м), средних (186,9-571,4 м), коротких КВII…
Переносной радиоприемник «МЕРИДИАН»

Переносной радиоприемник «МЕРИДИАН»

Ю. БАСЮРА, В. КРЮК, Ю. ПОРТНОЙ, А. РОТМАНСКИЙ, Радио №1/1968, ст.49 Радиоприемник «Меридиан» предназначен для при­ема программ радиовещательных станций в стан­дартных диапазонах длинных, средних и коротких волн. Коротковолновый диапазон разбит…
Передатчик начинающего ультракоротковолновика

Передатчик начинающего ультракоротковолновика

Г. ДЖУНКОВСКИЙ (UA1AB), Я. ЛАПОВОК, Радио №1/1968, ст.14 Передатчик предназначен для работы в УКВ диа­пазоне частот 28 - 29,7 Мгц телеграфом незатухающими колебаниями (CW) и телефоном с ампли­тудной модуляцией (АМ).…
ЦВЕТОМУЗЫКАЛЬНАЯ УСТАНОВКА «САМОЦВЕТ»

ЦВЕТОМУЗЫКАЛЬНАЯ УСТАНОВКА «САМОЦВЕТ»

Когда появ­ляются музыкальные звуки и возни­кают другие цветовые сочетания, сине-фиолетовый цвет делается прак­тически незаметным, поскольку яр­кость всех других цветовых сочетаний значительно превосходит яркость
Чайка-66

Чайка-66

новая модель быто­вого магнитофона 3-го класса, пред­назначенного для записи музыкаль­ных программ и речей от микрофона