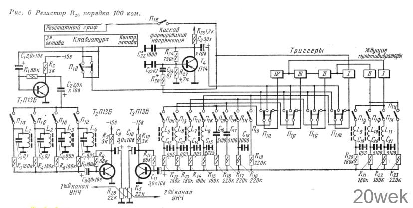
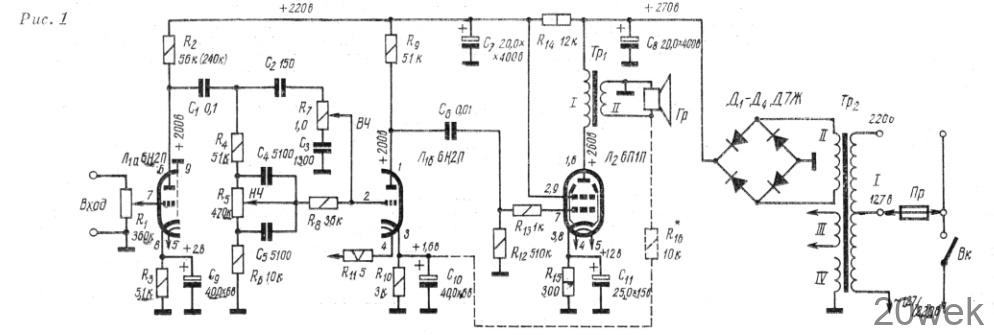
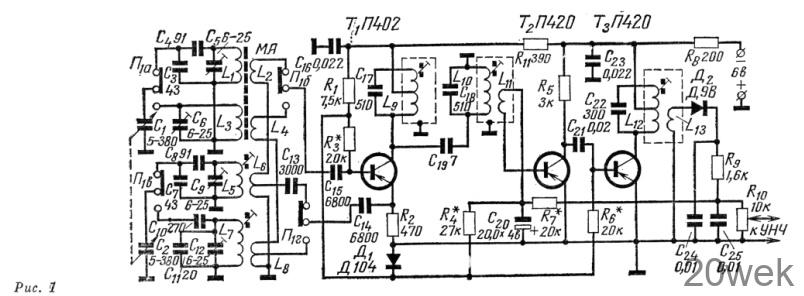
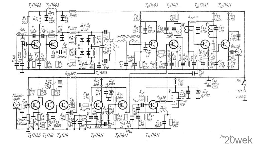
Опубликовано в1969 Генераторы Радио
ПРИБОР ДЛЯ ПРОВЕРКИ ТЕЛЕВИЗОРОВ
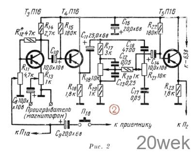
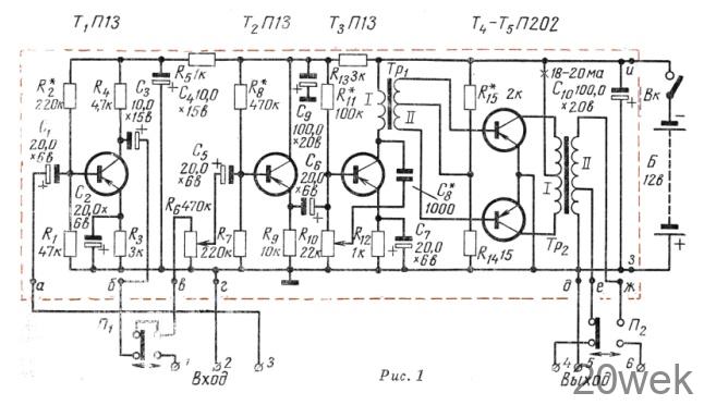
можно быстро обнаружить неисправный каскад в трактах изображения и звукового сопровождения телевизоров, а также оценить линейность изображения по горизонтали и вертикали













