Опубликовано в1969 Радио Радиоприем
«ВЭФ-12»
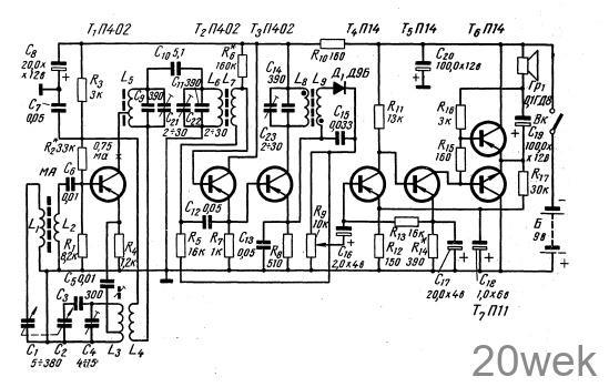
3. ЛАЙЩЕВ, В. ВАСИЛЬЕВ, Радио №1/1969, ст.53 Вместо ранее выпускавшихся транзисторных переносных радиоприемников «ВЭФ-Спидола-10», пользовавшихся заслуженной популярностью у радиолюбителей, рижский завод «ВЭФ» в настоящее время выпускает новые приемники «ВЭФ-12». «ВЭФ-12»,…



















