ПРИЕМНИК ДЛЯ «ОХОТЫ НА ЛИС» НА 28-30 Мгц
Ю. КУЗЬМИН, Радио №2/1964 ст.20
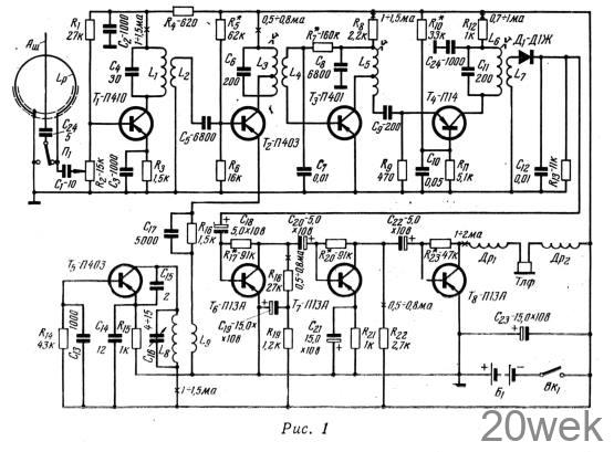
Принципиальная схема приемничка приведена на рис. 1. Он собран на восьми транзисторах и питается от батареи типа КБС-Л-0,5. Чувствительность приемника, измеренная на базе первого транзистора, составляет 8 мкв. Общий вес конструкции вместе с источниками питания и антенным устройством составляет 930 гр.

Рамочная антенна Lp и штыревая Аш, подключенная к рамке через конденсатор небольшой емкости С24, составляют входное устройство приемника.
Принятый сигнал «лисы» подается, с антенного устройства через конденсатор C1 на движок потенциометра R2, выполняющего функции регулятора чувствительности всего приемника.
Первый каскад приемника — усилитель ВЧ собран по схеме с общим эмиттером на транзисторе Т1, типа П410. Нагрузкой коллекторной цепи Т1 является контур L1С4, настроенный на среднюю частоту рабочего диапазона — 29 Мгц. Преобразовательный каскад на транзисторе П403 (T2) имеет отдельный гетеродин на таком же транзисторе. Гетеродин собран по схеме с емкостной обратной связью Такая схема гетеродина отличается высокой стабильностью частоты и позволяет легко получить необходимую амплитуду высокочастотных колебаний, при которой обеспечивается наиболее эффективная работа преобразовательного каскада. Напряжение гетеродина вводится в цепь эмиттера T2 при помощи катушки связи L9.
Усилитель ПЧ приемника собран по каскодной схеме на транзисторах П401 (Тз) и П14 (Т4). Промежуточная частота равна 1 Мгц. Для увеличения избирательности и усиления каскада ПЧ между транзисторами Тз и Т4 установлен последовательный контур L5С9, который для транзистора Тз оказывается включенным параллельно. Применение каскодной схемы позволило значительно снизить влияние проходной емкости — база транзистора Т3 — коллектор транзистора T4 и отказаться от применения нейтрализации.
Детектор приемника — обычный последовательный на диоде Д1Ж (Д1). Напряжение НЧ, полученное в результате детектирования, усиливается трехкаскадным усилителем НЧ на транзисторах П13А (T6, Т7 и T8). Нагрузкой выходного каскада НЧ служат низкоомные (100 ом) головные телефоны Тлф. Для уменьшения паразитного излучения гетеродина и ослабления наводок в телефонах вблизи от «лисы» последовательно с телефонами включены дроссели Др1 Др2.
Конструктивно приемник выполнен в корпусе размерами 270 X 67 X Х26 мм, изготовленном из кровельного железа толщиной 0,8 мм (рис. 2). В корпусе имеется пять отсеков.Монтаж отдельных блоков приемника осуществляется на отдельных платах из органического стекла толщиной 3 мм. Расположение деталей приемника в отсеках видно из рис. 3. Крепление деталей на платах осуществляется при помощи отрезков медной проволоки, которые в нагретом состоянии запрессовывают в органическое стекло.


Рамочную антенну изготавливают из куска коаксиального кабеля РК1 или РКЗ длиной 900 мм, который предварительно освобождают от экрана и продевают в металлическую дюралюминиевую трубку, изогнутую в виде полукольца.

Катушки L1, L2 наматывают на фарфоровом каркасе диаметром 8 мм с латунным сердечником, L1 содержит 11 витков ПЭВ 0,41; L2— 2 витка ПЭВ 0,51; катушки Lз—L7— в сердечниках СБ— 1а, Lз содержит 25 + 55 витков ПЭВ 0,12; L4 — 6 витков ПЭВ 0,2; L5, L6 — по 80 витков ПЭВ 0,12; L7—10 витков ПЭВ 0,2 (катушки связи L4 и L7 находятся на одном каркасе с соответствующими контурными катушками L3 и ГL6). Катушки гетеродина L8—L9— на фарфоровом каркасе диаметром 8 мм с латунным сердечником и содержат: L8— 11 витков, L9— 2 витка ПЭЛШО 0,25. Дроссели Др1, Др2 наматываются на каркасах диаметром 6 мм и содержат по 50 витков ПЭВ—0,12. В качестве конденсатора переменной емкости С16 можно использовать подходящий подстроечный конденсатор с воздушным диэлектриком.
Настройку приемника производят с помощью звукового генератора (ЗГ), генератора стандартных сигналов (ГСС), измерителя выхода и осциллографа. Вход вертикального усилителя осциллографа и измеритель выхода подключают параллельно телефонам. Для налаживания усилителя НЧ с выхода ЗГ через конденсатор емкостью 0,1 мкф на базу транзистора Т8 подают сигнал частотой 1000 гц и напряжением 210 мв. Подбирая сопротивление R23, добиваются максимального усиления при отсутствии искажений. При нормальной работе каскада напряжение на телефонах превышает 2 в, а ток коллектора транзистора T8 равен 1,5—2 ма. Аналогичным образом, подбирая сопротивления R20 и R17, устанавливают режим работы каскадов НЧ на транзисторах T7 и Т6, поочередно подавая сигнал ЗГ на базы этих транзисторов. Работу каскадов можно считать нормальной, если при подаче на базу транзистора T7 напряжения 10 мв, а на базу Т6—1 мв, напряжение на телефонах имеет значение 2—2,2 в.
При налаживании усилителя ПЧ выходное напряжение на телефонах должно быть равно 0,5 в. Для настройки ПЧ выход ГСС через конденсатор 30 пф присоединяют к базе транзистора Тз. На ГСС устанавливают частоту 1 Мгц, глубину модуляции 30%, величину выходного напряжения 1000 мкв. Изменением сопротивлений R7 и R12 добиваются, чтобы токи коллекторных цепей транзисторов Тз и T4 соответствовали величинам, указанным на схеме. Затем, поочередно вращая сердечники катушек L6 и L5, настраивают в резонанс контуры L6 С11, L5 С9 по максимальному показанию измерителя выхода, что соответствует максимальной громкости в телефонах. По мере повышения напряжения на телефонах уменьшают напряжение от ГСС, которое во время окончательной настройки не должно превышать 300 мкв.
Налаживание преобразовательного каскада начинается с установки показанных на схеме токов коллекторов транзисторов Т2 и Т5 путем изменения величин сопротивлений R5 и R14. Присоединив к базе транзистора Т2 ГСС, настраивают в резонанс контур L3 C6. Чувствительность приемника по ПЧ с базы транзистора Т2 должна быть не хуже 65 мкв. Настройку ПЧ и преобразовательного каскада следует повторить несколько раз, так как из-за взаимного влияния контуров возможна расстройка ранее настроенных каскадов ПЧ.
Затем переходят к настройке гетеродина. Сначала проверяют наличие генерации. Это производится с помощью высокочастотного милливольтметра путем измерения напряжения на эмиттере. Если милливольтметра нет, следует включить в цепь коллектора транзистора Т5 миллиамперметр чувствительностью до 5 ма. При наличии колебаний гетеродина замыкание катушки L8 вызовет увеличение тока в цепи коллектора. При отсутствии колебаний следует проверить исправность транзистора и более тщательно подобрать сопротивление R14 и конденсатор С15.
Частота гетеродина при крайних положениях переменного конденсатора C16 должна изменяться в пределах 28,5—31,5 Мгц. Установив этот конденсатор в среднее положение, вращением латунного сердечника катушки L8 добиваются, чтобы частота гетеродина равнялась 30 Мгц. Контроль частоты лучше всего производить по КВ приемнику, имеющему соответствующий диапазон, или гетеродинному волномеру. Если при проверке частоты гетеродина окажется, что он перекрывает диапазон шире 3 Мгц, необходимо присоединить параллельно конденсатору С16 постоянный конденсатор в несколько пф и настройку повторить вновь.
Для выбора оптимального напряжения гетеродина, при котором обеспечивается наиболее эффективная работа преобразователя, во время постройки приемника следует предусмотреть возможность изменения связи между катушками L8 и L9. Для проверки работы преобразовательного каскада на базу транзистора Т2 подают сигнал ГСС с частотой 29 Мгц и напряжением 10 мкв через конденсатор С5, который предварительно отсоединяют от катушки L2.
Затем настраивают усилитель ВЧ. Для этого, не изменяя настройки гетеродина (30 Мгц) и ГСС (29 Мгц), выход последнего переносят на базу транзистора T1. Вращая сердечник катушки L1, настраивают контур L2C4 на среднюю частоту диапазона—29 Мгц.
Настройка рамочной антенны на среднюю частоту рабочего диапазона (29 Мгц) осуществляется отдельно, по общепринятой методике, используя ГСС и высокочастотный милливольтметр.
В качестве штыревой антенны применяется телескопический штырь общей длиной до 1 м.
