ИНДИКАТОР- БРАСЛЕТ
Радио №1/1987 ст.52
Под таким заголовком в «Радио», 1976, № 9, с. 33 была опубликована заметка Г. Вареника и А. Каца о приборе, позволяющем быстро отыскивать нужные провода в многожильном кабеле. Одним из недостатков этого устройства было использование для индикации лампы накаливания, потребляющей значительный ток.
В заметке под таким же заголовком в «Радио», 1980, № 12, с. 55 радиолюбитель Е. Савицкий предлагал аналогичный прибор со светодиодом. И вот — два новых устройства, пожалуй, более удобные в работе, поскольку в них использована звуковая индикация.
Первый прибор (рис. 1) разработан Е. Перелыгиным из г. Батайска Ростовской обл. Индикатор-браслет состоит из чувствительного электронного ключа на транзисторах VT1, VT4 и генератора 34, собранного на транзисторах VT2, VT3 и миниатюрном телефоне BF1 (о работе такого генератора рассказывалось в заметке Д. Приймака «Простейший генератор звуковой частоты» в «Радио», 1983, № 11, с. 55). Конденсатор С1 снижает влияние наводок переменного тока на работу индикатора. Резистор R2 ограничивает ток коллектора транзистора VT1, а значит, и ток эмиттерного перехода транзистора VT4. Резистором R4 устанавливают наибольшую громкость звучания телефона; резистор .R5 влияет на надежность работы генератора при изменении питающего напряжения.

В качестве звукового излучателя BF1 можно использовать любой миниатюрный телефон (например ТМ-2) сопротивлением от 16 до 150 Ом. Источник питания — аккумулятор Д-0,06 или РЦ53. Транзисторы — любые кремниевые соответствующей структуры, со статическим коэффициентом передачи тока не менее 100 и обратным током коллектора не более 1 мкА.
Конструктивно прибор выполнен в металлическом корпусе в виде наручных часов диаметром 42 и высотой 20 мм. С корпусом соединен металлический браслет, который во время работы закрепляют на руке. Напротив излучателя в крышке корпуса вырезано отверстие, а на боковой стенке укреплено миниатюрное гнездо, в которое вставляют удлинительный проводник со щупом XI на конце (щупом может быть зажим «крокодил»).
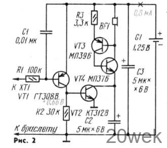
Во время работы щуп подключают, например, к одному концу провода кабеля, а пальцем касаются других концов и отыскивают нужный провод по появлению звука индикатора. Несколько иную схему индикатора (рис. 2) предложил московский радиолюбитель В. Иванов. В нем используются как кремниевые, так и германиевые транзисторы. Причем совсем не обязательно делать конструкцию малогабаритной, сам индикатор можно собрать в небольшой шкатулке, а браслет и щуп соединять с ним гибкими проводниками.

Конденсатор С2 шунтирует по переменному току электронный ключ, а конденсатор СЗ — источник питания.
Транзистор VT1 желательно подобрать со статическим коэффициентом передачи тока не менее 120 и обратным током коллектора менее 5 мкА, VT2 с коэффициентом передачи не менее 50,
VT3, VT4 … не менее 20 (и обратным током коллектора не более 10 мкА). Звуковой излучатель BF1 капсюль ДЭМ-4 (или другой) сопротивлением 60… 130 Ом.





