Пробник … для проверки катушек индуктивности
И. ПАЗДНИКОВ Радио №7/1990 ст.68
С помощью этого пробника можно проверять обмотки трансформаторов, дросселей, электродвигателей, реле, магнитных пускателей, контакторов и других катушек индуктивностью от 200 мкГн до 2 Гн. Пробником удается определить не только целостность обмотки, но и наличие в ней короткозамкнутых (КЗ) витков. Кроме того, пробник может быть использован для проверки проводимости полупроводников и исправности переходов кремниевых диодов и транзисторов, а также для освещения темных мест монтажа во время ремонта радиоаппаратуры.
В отличие от аналогичного по назначению пробника, описанного в [1], предлагаемый проще в эксплуатации, поскольку не содержит переключателя пределов измерения, а также позволяет однозначно определить вид неисправности — обрыв цепи или короткое замыкание витков.

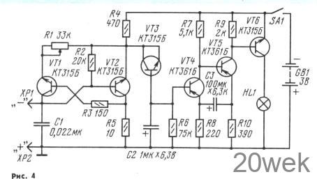
Основа прибора (рис. 4) — измерительный генератор на транзисторах VT1, VT2. Его рабочая частота определяется параметрами колебательного контура, образованного конденсатором С1 и проверяемой катушкой индуктивности, к выводам которой подключают щупы ХР1 и ХР2. Генератор работоспособен в широком диапазоне изменения отношения индуктивности и емкости колебательного контура [2]. Переменным резистором R1 устанавливают необходимую глубину положительной обратной связи, обеспечивающей надежную работу генератора. Транзистор VT3, работающий в диодном режиме, создает необходимый сдвиг уровня напряжения между эмиттером транзистора VT2 и базой VT4. Эксперименты с различными кремниевыми диодами, которые можно было бы использовать на месте транзистора VT3, показали, что они не обеспечивают нужного результата.
На транзисторах VT4, VT5 собран генератор импульсов, который совместно с усилителем мощности на транзисторе VT6 обеспечивает работу индикаторной лампы HL1 в одном из трех режимов: отсутствие свечения, мигания и непрерывного горения. Режим работы генератора импульсов определяется напряжением смещения на базе транзистора VT4.
Работает пробник так. При замкнутых щупах ХР1 и ХР2 измерительный генератор не возбуждается, транзистор VT2 открыт. Постоянного напряжения на его эмиттере, а значит, на базе транзистора VT4 недостаточно для запуска генератора импульсов. Транзисторы VT5, VT6 при этом открыты и лампа горит непрерывно, сигнализируя о целостности проверяемой цепи.
При подключении к щупам пробника исправной катушки индуктивности, скажем, обмотки трансформатора, и установке движка переменного резистора R1 в определенное положение, измерительный генератор возбуждается. Напряжение на эмиттере транзистора VT2 увеличивается, что приводит к увеличению напряжения смещения на базе транзистора VT4 и запуску генератора импульсов. Лампа начинает мигать.
Если в проверяемой обмотке есть короткозамкнутые витки, измерительный генератор не возбуждается и пробник работает, как при замкнутых щупах.
При разомкнутых щупах или обрыве цепи проверяемой катушки транзистор VT2 закрыт. Напряжение на его эмиттере, а значит, и на базе транзистора VT4 резко возрастает. Этот транзистор открывается до насыщения, и колебания генератора импульсов срываются. Транзисторы VT5, VT6 закрываются, лампа HL1 не светится. Если подключить к щупам прибора р-n переход кремниевого транзистора или диода в прямой полярности (анод диода — к щупу ХР1, катод — к щупу ХР2), лампа будет мигать. При пробитом переходе лампа горит непрерывно, а при обрыве цепи — не светится.
Кроме указанных на схеме, транзисторы VT1—VT3 могут быть КТ315Г, КТ358В, КТ312В. Транзисторы КТ361Б можно заменить на любые из серий КТ502, КТ361. Транзистор VT6 целесообразно использовать серий КТ315, КТ503 с любым буквенным индексом. Переменный резистор R1 желательно применить с функциональной зависимостью В или Б (логарифмическая). Наиболее пологий участок характеристики должен проявляться при правом по схеме положении движка. Постоянные резисторы — МЛТ- 0,125; конденсатор С1 — КМ; С2 и СЗ — К50-6; лампа — на напряжение 2,5 В и ток 0,068 А; источник питания — два последовательно соединенных элемента 332.
В качестве светового индикатора в пробнике можно применить светодиод АЛ310А, АЛ307А, АЛ307Б, включив его вместо лампы с последовательно соединенным резистором сопротивлением 68 Ом. Недостатком использования светодиода можно считать малую его яркость, иногда недостаточную в условиях сильной освещенности. Да и использовать пробник со светодиодом для освещения монтажа не удастся.
Большинство деталей пробника смонтировано на печатной плате (рис. 5) из фольги- рованного стеклотекстолита толщиной 1,5 мм. Контакт, в который ввинчивается резьбовая часть лампы, выполнен из белой жести в виде прямоугольника размерами 15Х Х20 мм. К печатной плате этот контакт крепится с помощью двух шпилек из медного провода, впаянных в плату. Если пробник будет использоваться и для освещения монтажа (при замыкании щупов), то к пластине контакта целесообразно припаять светоотражатель из белой жести в форме образущей конуса (показано штриховой линией).

Второй, пружинящий контакт для лампы изготовлен из отрезка пружины электромагнитного реле. Его также крепят к шпилькам, впаянным в плату. При использовании указанных на схеме деталей налаживание пробника сведется к градуировке шкалы переменного резистора. Для этого, подключая к щупам пробника исправные катушки с различной индуктивностью, изменением положения движка резистора добиваются мигания индикаторной лампы. Затем движок устанавливают в положение, близкое к левому по схеме выводу, при котором еще сохраняется мигание, и делают на шкале отметку значения индуктивности или наносят какое-то условное обозначение (скажем, тип дросселя, трансформатора и т. д.).
Может случиться, что в крайнем правом положении движка резистора и при разомкнутых щупах пробника лампа будет светиться. Тогда придется подобрать резистор R3 (увеличить его сопротивление), чтобы лампа погасла.
При проверке катушек малой индуктивности острота «настройки» переменного резистора может оказаться чрезмерной. Выйти из положения нетрудно включением последовательно с резистором R1 еще одного переменного резистора с малым сопротивлением, либо использованием вместо переменного резистора магазина сопротивлений или набора резисторов, подключаемых малогабаритным многопозиционным переключателем. Следует заметить, что в случае проверки обмоток трансформаторов с большим коэффициентом трансформации, пробник следует подключать к обмотке с наибольшим числом витков. Потому что, проверяя обмотку с меньшим числом витков, труднее обнаружить короткое замыкание в более высокоомной обмотке.
ЛИТЕРАТУРА
- Кривонос А. Определение короткозамкнутых витков в обмотках трансформаторов и дросселей.— Радио, 1968, № 4, с. 56.
- Универсальный LC-генератор.— Радио, 1979, № 5, с. 58.





