ЗВУКОВОЙ МАНИПУЛЯТОР
И. Адамковский, Радио №4/1964, ст.21

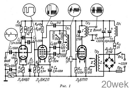
Звуковой манипулятор, внешний вид которого показан на рисунке в заголовке статьи, совместно с трансмиттером используется для обучения радиотелеграфистов скоростному приему на слух. Он состоит из ждущего мультивибратора, генератора звуковых частот, оконечного усилителя с выходной мощностью порядка 5 вт и выпрямителя. Принципиальная схема манипулятора дана на рис. 1.

Ждущий мультивибратор собран на лампе 6Н6П (Л1). Он управляется остроконечными импульсами различной полярности, поступающими с сигнальной головки трансмиттера. Наибольшая длительность импульса,, которую можно получить на выходе мультивибратора, порядка 3 сек. Такая длительность позволяет передавать телеграфный текст с наименьшей скоростью 10 знаков в минуту. Наибольшая скорость передачи ограничивается возможностями остального тракта аппаратуры. Прямоугольный импульс с выхода ждущего мультивибратора через конденсатор Сз подается на защитную сетку лампы 6Ж2П (Л2). На триоде, анодом которого служит экранирующая сетка лампы 6Ж2П, собран LC — генератор синусоидальных колебаний НЧ на две фиксированные частоты; 400 и 1000 гц. Для того, чтобы генератор давал колебания частотой 400 гц, параллельно обмотке автотрансформатора Tp1 при помощи тумблера Bk1 включается конденсатор С7. Колебания звукового генератора появляются в анодной цепи Л2 лишь тогда, когда на защитную сетку этой лампы поступает положительный импульс от ждущего мультивибратора. При отсутствии этого импульса лампа Л2 заперта по анодному току. Диод Д1, шунтирующий сопротивление утечки R6 защитной сетки Л1, служит для восстановления в импульсах ждущего мультивибратора положительной постоянной составляющей, что необходимо для более надежной работы каскада на лампе Л2 •
С сопротивления нагрузки R9 лампы Л2 звуковые колебания через дифференцирующую цепочку С8R10R11 поступают на вход оконечного усилителя, собранного на лампе 6П1П (Л3). Потенциометр R10 служит регулятором громкости. К вторичной обмотке выходного трансформатора может быть присоединено до 50 пар головных телефонов.
Выпрямитель манипулятора — мостовой на диодах Д7Ж (Д2—Д5).
Он питается непосредственно от сети переменного тока напряжением 220в. Так как при таком выпрямителе цепь общего минуса оказывается под полным напряжением сети, присоединять эту цепь к корпусу небезопасно. Поэтому в манипуляторе она изолирована от корпуса. Непосредственно соединяются с ним только один вывод вторичной обмотки выходного трансформатора и один входной зажим. Соединение цепи общего минуса с шасси осуществлено через цепочку из параллельно соединенных конденсатора С12 и сопротивления R14. Такое соединение не препятствует нормальной работе манипулятора, но снижает напряжение на корпусе до безопасной величины. Нити накала ламп питаются через понижающий трансформатор Трз. Ограничивающее сопротивление R13 и Г-образный фильтр Др1 С10 С11 применены для того, чтобы предотвратить выход из строя диодов в момент включения манипулятора.
Прибор смонтирован в корпусе размерами 150x100x120 мм, выполненном из листового дюралюминия толщиной 1 мм. Шасси прибора размерами 145x95x40 мм выполнено из того же материала. Данные трансформаторов и дросселя приведены в таблице.

Налаживание прибора при правильном монтаже сводится к подбору конденсаторов С6 и С7, влияющих на высоту тона звукового сигнала и сопротивления R2, которое определяет наиболее устойчивый режим работы ждущего мультивибратора.





