СТАБИЛЬНЫЙ УСИЛИТЕЛЬ НА ТРАНЗИСТОРАХ
С.МАЛЫШЕВ, С.ПРОТОПОПОВ, Радио №3/1964, ст.28
При измерении ряда неэлектрических величин электрическими методами с использованием датчиков и в некоторых других случаях требуются специальные высокостабильные усилители. К таким усилителям предъявляются повышенные требования: неизменность коэффициента усиления во времени и при изменении внешних условий, сохранение фазовых соотношений при принудительном изменении коэффициента усиления, независимость параметров от режима питания.
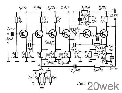
Высокостабильный усилитель (рис. 1) построен на транзисторах типа П14. Отличительной особенностью схемы является наличие глубокой отрицательной обратной связи как между отдельными каскадами, так во всем усилителе в целом.

Первый каскад выполнен по схеме эмиттерного повторителя, что позволяет согласовать сопротивление источника сигнала со входом усилителя. Между каскадами, собранными на транзисторах Т2 и Тз, осуществлена гальваническая обратная связь с помощью сопротивлений R11 и R4. Аналогичная схема обратной связи осуществлена и между каскадами на транзисторах Т5 и Т6 с той разницей, что в этом случае обратная связь зависит от частоты. Включение конденсатора Cs приводит к возрастанию коэффициента обратной связи в области высоких частот, что исключает самовозбуждение усилителя на этих частотах. Наличие гальванической обратной связи приводит к стабилизации режима. Так, если, например, по каким-либо причинам эмиттерный ток третьего каскада увеличится, то потенциал базы второго каскада становится более отрицательным, что приводит к возрастанию тока коллектора второго каскада и к некоторому повышению потенциала базы третьего каскада. Это обстоятельство, в свою очередь, вызывает снижение тока эмиттера третьего каскада.
Для стабилизации коэффициента усиления и для его регулировки в усилителе введена отрицательная обратная связь, напряжение которой снимается со ступенчатого делителя. Установка требуемого коэффициента усиления осуществляется с помощью переключателя П1. Конденсатор С10 обеспечивает фазовые соотношения, при которых обратная связь отрицательна.
Величина сопротивлений R1—R10 выбирается в зависимости от требуемых пределов изменения коэффициента усиления. Так, например, при R7, равном 270 ом, коэффициент усиления на частоте 10 кгц равен 200, а при R7, равном 2,7 ком — 20. Изменение температуры от +20° С до +40°С вызывает изменение коэффициента усиления не более, чем на 1%. Коэффициент нелинейных искажений на частоте 10 кгц не превышает 5%.
Усилитель рассчитан на работу на фиксированной частоте 10 кгц, однако его можно использовать и в диапазоне частот 10—100 кгц.





