ИНДИКАТОР — БРАСЛЕТ
Радио №12/1980 ст.55
Под таким заголовком в «Радио» № 9 за 1976 год, с. 33 опубликована заметка (авторы Г. Вареник, А. Кац), рассказывающая о простом устройстве, предназначенном для поиска проводов в связном кабеле или на коммутационной панели. Полезность и целесообразность применения подобного устройства в практике производства электромонтажных работ не вызывает сомнений.
Однако прибору свойственны такие недостатки, как, например, незащищенность входной цепи от внешних электромагнитных полей, использование германиевых и кремниевых транзисторов разных структур, невысокая экономичность из-за применения лампы накаливания.
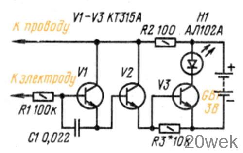
В предлагаемом варианте индикатора-браслета, схема которого приведена на рисунке, эти недостатки устранены. В нем работают кремниевые транзисторы серии КТ315, характеризующиеся малым обратным током коллекторного перехода в широком диапазоне температур. При использовании транзисторов со статическим коэффициентом передачи тока 25…30 входное сопротивление прибора составляет 10… 25 МОм. Повышение входного сопротивления нецелесообразно из-за возрастания вероятности ложного индицирования внешними наводками и посторонними проводимостями.

Достаточно большое входное сопротивление достигнуто применением составного эмиттерного повторителя V1V2. Конденсатор С1 (типа КЛС) создает глубокую отрицательную обратную связь по переменному току, исключающую ложную индикацию от воздействия внешних наводок.
Напряжение источника питания может быть увеличено до 4,5 В.
В исходном режиме устройство практически не потребляет энергии, так как сопротивление подключенной параллельно источнику питания цепи V3H1 в закрытом состоянии составляет 0,5… 1 МОм. Потребляемый ток в режиме индикации не превышает 6 мА.
Корректировать входное сопротивление прибора можно подбором резистора R3, предварительно подключив ко входу цепочку резисторов общим сопротивлением 10…25 МОм и добиваясь при этом минимальной яркости свечения светодиода H1. При работе с прибором необходимо выполнять правила электробезопасности, исключающие возможность случайной подачи напряжения в проверяемые цепи.





