Еще раз о каскодной схеме ПЧ
С. Калиниченко, Радио №6/1964, ст.45
В журнале «Радио» № 10 за 1959 год, в статье Е. Гумели, дано описание каскодной схемы усилителя ПЧ на транзисторах. Усилитель, собранный по каскодной схеме, позволяет получить достаточно большое усиление. На транзисторах П401 коэффициент усиления ненагруженного усилителя с двухконтурным фильтром, на частоте 465 кгц составляет (6—8) 103. Однако реализовать столь высокий коэффициент усиления с обычной схемой детектора не удается по следующей причине: малое входное сопротивление транзисторных усилителей НЧ заставляет применять низкоомную нагрузку диодного детектора, а это, в свою очередь, обусловливает низкое входное сопротивление детекторного каскада. Для согласования выходного сопротивления усилителя ПЧ с входным сопротивлением детектора применяют либо частичное включение в контур усилителя ПЧ, либо используют трансформаторную связь.
При частичном включении, детектор подсоединяют к части витков катушки контура. При этом коэффициент включения

где W1 — полное число витков катушки, a W2— число витков, с которых снимается напряжение на детектор. В этом случае контур будет нагружен не на входное сопротивление детектораRвх, а на сопротивление

Чтобы сопротивление Rвх не шунтировало сильно контур и не снижало его избирательных свойств, коэффициент включения должен быть меньше единицы (0,1—0,05), то есть подключаются к очень небольшой части витков катушки контура. Совершенно очевидно, что в этом случае резко снижается общий коэффициент передачи каскада по напряжению. Для упомянутых выше условий общий коэффициент передачи по напряжению после согласования составляет 180—250. Такая же картина наблюдается и в случае применения трансформаторной связи.
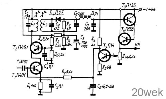
На рис. 1 приведена каскодная схема усилителя ПЧ совместно с детектором, коэффициент усиления которой по напряжению (с базы транзистора T1 на вход детектора) составляет (6—8)-103. С помощью одного такого каскада усиления ПЧ можно получить все необходимое усиление приемника по тракту ПЧ.

Схема представляет собой каскодный усилитель ПЧ с последовательным питанием транзисторов. Ее отличительной особенностью является то, что на входе усилителя НЧ, после детектора, применяется эмиттерный повторитель по схеме составного транзистора Тз, который обладает большим входным сопротивлением. Благодаря этому можно применить высокоомную нагрузку детектора, что повысит его входное сопротивление. В этом случае детектор можно подключать непосредственно ко всему контуру, то есть снимать с него полностью все напряжение ПЧ. Большая величина напряжения, подводимого к детектору, улучшает линейность детектирования и повышает коэффициент передачи детектора. В описываемой схеме контур практически не нагружается, поэтому избирательность каскада определяется только качеством применяемых контуров.
Проникновение сигнала ПЧ на вход эмиттерного повторителя может привести к самовозбуждению усилителя. Для того, чтобы это не произошло, применен фильтр Др1, С6, С7. Дроссель намотан на кольце Ф—1000 диаметром 10X6 мм, высотой 5 мм и содержит 200 витков провода ПЭВ-2 0,12. Индуктивность дросселя 60 мгн. Можно применять и другой дроссель указанной индуктивности.
Для повышения эффективности работы АРУ в схеме применена АРУ с усилителем постоянного тока на транзисторе T5. Чтобы не шунтировать контур усилителя ПЧ цепями АРУ их необходимо подключать после эмиттерного повторителя. Для этого, постоянную составляющую тока детектора, необходимую для работы АРУ нужно пропустить через эмиттерный повторитель и на выходе его включить транзистор Тб. С этой целью в схеме применена гальваническая связь детектора с эмиттерным повторителем.
Катушки контуров L1, L2 намотаны на унифицированных каркасах ПЧ, AM тракта современных приемников, имеющих ферритовые кольца. Число витков — 2Х 108, провод ПЭВ-2 0,12.
Перед налаживанием приемника необходимо отключить АРУ, поставив движок сопротивления к его заземленному концу. Затем подобрать величины сопротивлений R4, R3 делителя таким образом, чтобы ток через транзисторы T1, T2, был равен 5—6 ма. При этом коэффициент усиления должен достигать (10—12)103. Если это не получается, то следует изменить величину сопротивления R8— После этого включают АРУ (перемещением движка R10) По мере перемещения движка в верхнее по схеме положение ток через транзисторы T1 и Т2 уменьшается и снижается коэффициент усиления. При токе 2,5—3 ма коэффициент усиления равен 6*103. С увеличением сигнала на входе ток через транзисторы T1, T2 должен уменьшаться, что говорит о нормальной работе АРУ.





