Транзисторный УНЧ класса А
Радио №6/1965, ст. 60
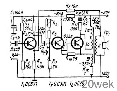
Транзисторный усилитель предназначен для работы на выходе ЧМ радиоприемника. Выходная мощность усилителя порядка 4 вт, рабочая полоса частот до 15 кгц.
Схема усилителя показана на рисунке. Оконечный каскад выполнен по несколько необычной однотактной схеме. Для расширения частотной характеристики в оконечном каскаде применена комбинированная отрицательная связь по току и напряжению. На сопротивлении R10, включенном в общую эмиттерную цепь оконечного и предоконечного каскадов, возникает отрицательная обратная связь по току, а при помощи дополнительной обмотки III на выходном трансформаторе создается обратная связь по напряжению. Кроме того, небольшая дополнительная обратная связь по напряжению, порядка 6 дб, подана с выхода усилителя на цепь эмиттера входного каскада

Для стабилизации величины нагрузки во всем частотном диапазоне в коллекторную цепь оконечного каскада включена соответствующая RC цепочка (300 ом, 0,5 мф).
Предоконечный каскад выполнен по схеме эмиттерного повторителя, этим достигается раскачка оконечного каскада по току.
С указанным комплектом транзисторов выходная мощность составляла 3,8 вт при напряжении раскачки 0,5 в; искажения порядка 10%. Частотная характеристика усилителя очень сильно зависит от величины отдаваемой мощности: она доходила до 18,6 кгц на малой мощности (UВых=1 в) до 16,5 кгц на средней мощности (UВых=2 в) и сокращалась до 10 кгц при полной мощности. Граничная частота оконечного транзистора составляла всего 4 кгц.
Данные трансформатора: обмотка I 240X2 витков провода ПЭ 0,4; II — 106 витков провода ПЭ 0,8; III — 12 витков провода ПЭ 0,4; Qж=4-5 см2. Вторичная обмотка намотана между половинами первичной обмотки.





