СТЕРЕОФОНИЧЕСКИЙ УСИЛИТЕЛЬ
А. Пукас, Радио №9/1965, ст.53
Стереофонические усилители имеют два канала усиления, которые при воспроизведении монофонических программ обычно включают параллельно так, что каждый канал воспроизводит весь диапазон звуковых, частот. Однако широкополосные усилители обладают повышенным уровнем интермодуляционных искажений, которые возникают в выходных каскадах, а также в громкоговорителях при одновременном воспроизведении низших и высших звуковых частот. Поэтому высококачественные монофонические усилители НЧ часто делают двухканальными, при этом диапазон звуковых частот делится на две полосы, которые воспроизводятся отдельными громкоговорителями. Таким образом исключаются интермодуляционные искажения как в самих усилителях, так и в акустических системах. Чтобы реализовать это преимущество двухканальных усилителей, целесообразно стереофонический усилитель при воспроизведении монофонических записей переключать на двухканальное воспроизведение.
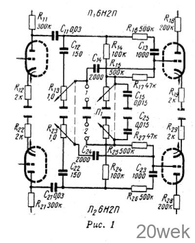
На рис. 1 показана часть схемы стереофонического усилителя содержащая элементы регулировки тембра и переключатель П1 двухканального воспроизведения. Контакты 1 переключателя П1 подключены к движку регулятора тембра высших частот R13 левого канала, а контакты 2 — к движку регулятора низших частот R25 правого канала. Потенциометр R15 регулирует тембр низших частот левого канала, а потенциометр R23 — тембр высших частот правого канала.

При воспроизведении монофонических записей включают переключатель П1. Контакты 1 замыкаются и шунтируют регулятор тембра высших частот R13, и таким образом частотная характеристика левого канала ограничивается со стороны высших звуковых частот, как показано на рис. 2. Регулятор тембра низших частот R13 остается действующим и регулирует усиление канала в области низших звуковых частот.

В другом канале пара контактов 2 шунтирует регулятор тембра низших частот R25 и ограничивает частотный диапазон канала со стороны низших частот. Регулятором R23 можно менять частотную характеристику канала в области высших звуковых частот, как показано на рис. 3.
В результате такой переделки стереофонический усилитель работает как двухканальный, снижаются интермодуляционные искажения, улучшается объемность звучания. Переключатель П1 можно выполнить автономным или спаренным с переключателем «моно-стерео».





