Простой карманный приемник
В. Серов, Радио №8/1964, ст.29
Приемник предназначен для индивидуального прослушивания станций Центрального радиовещания в диапазоне 173—1300 кГц (230— 1734 м) на головной телефон от слухового аппарата «Кристалл».
Питается приемник от двух гальванических элементов ФБС-0,25. Емкости этих элементов хватает на 15 часов непрерывной работы приемника. Чувствительность приемника порядка 10 мв/м, номинальная выходная мощность около 25 мВт, потребляемый ток — около 10 ма. Габариты приемника (в футляре) 79 X X 63 X 25 мм, вес с батареями 115 г.
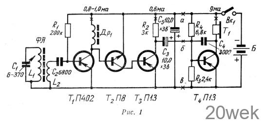
Принципиальная схема. Приемник собран по схеме прямого усиления 1—V—2. Его схема приведена на рис. 1. Первые три каскада выполнены с непосредственной связью и имеют хорошее согласование между собой благодаря применению во втором каскаде транзистора с обратной проводимостью (Т2).

Усилитель ВЧ однокаскадный, апериодический. Он собран на диффузионном транзисторе типа П402, нагруженном на ВЧ дроссель Др1. Второй каскад является детектором и предварительным усилителем НЧ. Детектирование происходит на криволинейном участке характеристики транзистора Т2 (П8). Вывод рабочей точки на этот участок осуществляется небольшим положительным смещением, получаемым за счет падения напряжения на дросселе Др1. Усиленный транзистором Тз (П13) сигнал НЧ выделяется на сопротивлении и через разделительный конденсатор Сз поступает на оконечный каскад (Т4), нагруженный на головной телефон. Конденсатор С4 осуществляет отрицательную обратную связь между коллектором и базой транзистора Т4, улучшающую частотную характеристику усилителя в области высших звуковых частот. Конденсатор С5 служит для устранения самовозбуждения приемника при «старении» батарей.
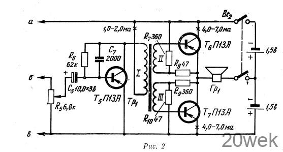
При необходимости приемник можно собрать по второму варианту схемы, позволяющему вести громкоговорящий прием на малогабаритный громкоговоритель. В этом случае оконченный каскад приемника на транзисторе Т4 из схемы исключается и заменяется бестрансформаторным выходным каскадом с последовательным питанием, что позволяет в четыре раза уменьшить оптимальную величину сопротивления нагрузки по сравнению с обычной двухтактной схемой. Нагрузкой такого каскада может быть низкоомный малогабаритный громкоговоритель типа 0,15 ГД-1 или любой другой громкоговоритель с сопротивлением звуковой катушки 6—8 ом.
Отсутствие выходного трансформатора расширяет также полосу пропускания усилителя от 40 до 10000 гц при неравномерности порядка 2 дб.
Схема второго варианта выходного каскада приведена на рис. 2. Он подключается к приемнику в точках «а», «б», «в». Выходная мощность приемника, собранного с усилителем по схеме рис. 2 — около 50 мВт, ток покоя — около 8 ма, максимальный ток — 50 ма, коэффициент нелинейных искажений — 10%.

Для уменьшения нелинейных искажений при малых входных сигналах на транзисторы Т6 и T7 через сопротивления R7, R8, R9 и R10 подается небольшое начальное смещение.
Конструкция и детали. В приемнике применены сопротивления типа УЛМ. Конденсатор C1 фирмы «Тесла». Его можно заменить самодельным конденсатором. Электролитические конденсаторы — малогабаритные, типа ЭМИ. Можно применить и конденсаторы типа ЭМ. Конденсатор С2 — типа КДС, а и С7 — типа КТМ. Их можно заменить конденсаторами типа БМ. В таблице 1 приведены данные транзисторов, а в таблице 2 — намоточные данные катушек и выходного трансформатора Tp1. Катушка L1 намотана на бумажном каркасе, надетом на ферритовый стержень, и с целью уменьшения междувитковой емкости разделена на три секции. Катушка L2 намотана на подвижном бумажном каркасе. Точное расположение этой катушки относительно катушки L1 устанавливается при налаживании приемника.

Высокочастотный дроссель Др1 с целью уменьшения индуктивности рассеяния рекомендуется наматывать на небольшом участке окружности кольца, которое предварительно раскалывается на две половинки и после намотки дросселя склеивается клеем БФ-2.
В качестве футляра приемника применена полиэтиленовая сигаретница, имеющаяся в продаже.
Крепление батарей осуществляется фиксирующими прорезями во внутреннем корпусе сигаретницы.
Монтаж приемника выполнен на 1,5 мм гетинаксовой плате. Для монтажа использованы пистоны, изготовленные из 3 мм латунных трубочек.
Налаживание приемника сводится в основном к установке указанных на схеме величин коллекторных токов подбором сопротивлений R1, R2, R4 и R6.
При налаживании антенного контура необходимо учесть, что при полностью введенной емкости C1 длинноволновая станция на волне 1734 м должна находиться в конце диапазона. Это осуществляется домоткой или отмоткой витков катушки L1.
В заключение можно отметить, что по описываемой схеме было изготовлено несколько экземпляров приемников. Все они работают устойчиво. Усилитель НЧ второго варианта схемы имеет хорошую температурную стабильность
Радио №12/1964, ст.24






