ПРИСТАВКА ДЛЯ ПРОВЕРКИ КИНЕСКОПОВ
Н. Быков, Радио №12/1964, ст.27
При определении неисправностей телевизоров на дому радиомеханикам телеателье необходим малогабаритный легкий прибор для проверки кинескопов. Такой прибор, оформленный в виде приставки к авометру, имеющемуся у каждого радиомеханика, описывается ниже. С помощью этого прибора можно проверить катодный ток кинескопа, время нарастания этого тока, наличие утечки с катода на подогреватель и замыкания катод — модулятор. По величине катодного тока можно судить об эмиссии катода кинескопа.
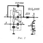
Схема приставки изображена на рис. 1. Трансформатор служит для подачи напряжения накала на подогреватель кинескопа. Для получения необходимых высоких напряжений в приборе имеется выпрямитель с умножением напряжения, собранный на четырех диодах Д7Ж (ДА—Д4). Выпрямитель нагружен на делитель напряжения, состоящий из сопротивлений R1 R2 и R3 С этих сопротивлений снимаются различные напряжения на катод, модулятор и первый анод кинескопа. При помощи переключателей П1 и П2 производится переключение приставки на различные виды проверки кинескопов, а переключателем П3 можно менять полярность напряжения, подаваемого на авометр. Приставку присоединяют к авометру ТТ-3, ТТ-1, Ц-20 или аналогичным, где имеется возможность измерения постоянного тока в пределах от О до 150-200 мка.

Детали приставки размещены в корпусе размерами 75x75x50 мм Восьмиштырьковая ламповая панель для подключения к кинескопам 35ЛК2Б или 43ЛК2Б укреплена на конце кабеля. Монтировать эту панель в корпусе прибора нельзя, так как приставка, надетая на цоколь кинескопа, может повредить его. Для того чтобы можно было присоединять к приставке другие типы кинескопов нужно изготовить переходные панели. Переключатели П1 П2 и П3 могут быть любой конструкции, в частности для П2 и П3 можно использовать двухполюсные тумблеры на два направления. При нажиме кнопки цепь накала кинескопа должна разрываться. Конденсаторы С1 и С2 должны быть на рабочее напряжение 600 в, а диоды Д1 —Д4—— иметь обратное сопротивление не менее 100 ком. В качестве Tp1 использован унифицированный выходной трансформатор кадровой развертки (ТВК), с вторичной обмотки которого отмотано 47 витков. Сопротивления R1 R2 и R3 подбираются так, чтобы получить напряжения, указанные на принципиальной схеме. Напряжение между лепестками 1 и 7 панели для включения кинескопа (катод — подогреватель) должно быть 125 в, в противном случае необходимо подобрать сопротивления R4 и R5.
Проверка кинескопов производится следующим образом. Авометр, установленный для измерения постоянного тока в диапазоне 0— 0,2 ма, присоединяют к приставке. Затем подключают выходной кабель приставки к кинескопу и сетевой — к сети переменного тока напряжением 220 в. Переключатели П1 и П2 должны находиться в верхнем (по схеме) положении (рис. 1). После прогрева катода прочитывают показания величины катодного тока кинескопа по шкале авометра и определяют пригодность кинескопа по эмиссии. Работоспособные кинескопы имеют катодный ток не ниже 50—70 мка. Затем нажимают кнопку и, удерживая ее в течении 5 сек, наблюдают по авометру спад катодного тока, а после отпускания кнопки— нарастание этого тока. Если спад тока идет медленно, а нарастание быстро — это свидетельствует о пригодности кинескопа к работе. Обратное явление служит признаком выхода кинескопа из строя.
Для измерения величины утечки тока с катода на подогреватель переключатель ставят в нижнее положение. Переключатель П2 остается в верхнем положении. Показания авометра при этом измерении не должны превышать 100 мка. Если, стрелка прибора авометра во время измерения будет отклоняться влево от нуля следует изменить положение переключателя П3.
Далее пробуют, нет ли замыкания между катодом и модулятором кинескопа. Для этого устанавливают переключатель П1 в верхнее положение, а П2— в нижнее положение. Авометр переключают на измерение постоянного напряжения в диапазоне 0—50 в. При этой пробе измеряется падение напряжения на сопротивлении R2. В том случае, когда замыкание отсутствует, показания авометра должны быть в пределах 15—20 в. При наличии замыкания падения напряжения на R2 не будет, и авометр покажет нуль.
В заключение кинескоп следует испытать на свечение экрана. При этом испытании переключатели П1 и П2 должны находиться в верхнем положении. Ускоряющее напряжение на второй анод кинескоп получает от высоковольтного выпрямителя телевизора. В том случае, если кинескоп исправен, на его экране после включения телевизора должен появиться растр с линиями обратного хода. Яркость растра — максимальная.
Во время испытаний кинескопа на утечку тока между катодом и подогревателем, а также замыкание катода на модулятор, телевизор должен быть обязательно выключен.





