ПОЛУПРОВОДНИКОВЫЙ БЕСНОНТАНТНЫЙ СЧЕТЧИК
В. Чернявский, В. Клабуков, Радио №9/1964, ст.28
При автоматизации учета готовых изделий необходимы счетчики деталей. Описание одного из таких счетчиков приводится ниже.
В счетных устройствах часто используют контактные датчики, срабатывающие под действием веса проходящей детали, или фотоэлектрические приборы, в которых учитываемые предметы пересекают световой луч. В некоторых случаях окружающая среда оказывается крайне неблагоприятной для работы этих устройств. Так, например, на предприятиях шинной промышленности, на некоторых участках производства, в воздухе постоянно присутствуют пары серы и воды при сравнительно высокой температуре. Эти условия практически исключают возможность применения контактных датчиков. Фотоэлектрические устройства часто загрязняются сажей, резиновой пылью и т. д. и работают ненадежно. Счет мелких деталей с помощью этих устройств также представляет известные труд.- ности. В то же время при счете тяжелых деталей, движущихся с большой скоростью, контактные датчики испытывают значительные нагрузки в виде ударов, что выводит их из строя.
От этих недостатков свободен бесконтактный датчик, который может быть использован для подсчета металлических деталей и изделий. Он может быть применен также для счета неметаллических изделий, в которых конструктивно включены хотя бы небольшие металлические армировочные детали.
Прибор может быть применен для счета изделий размерами от нескольких миллиметров до нескольких метров. Для этого требуется замена только одного элемента — катушки генератора. Размеры и форма этой катушки могут быть любыми, важно только значение ее индуктивности.
Благодаря использованию кремниевых транзисторов прибор не чувствителен к значительным изменениям температуры окружающей среды.
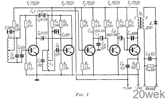
Принципиальная схема прибора приведена на рис. 1. Счетчик состоит из двух генераторов ВЧ (транзисторы Т1 и Т2), детектора-смесителя (транзистор Тз), усилителя НЧ (транзисторы Т4 и Т5) и детектора (диод Д1).

Вследствие значительной связи между высокочастотными генераторами возникает так называемое затягивание частоты. Это явление выражается в том, что при изменении в некоторых пределах параметров контура любого из генераторов частота этого генератора не изменяется. Оба генератора, находящиеся в состоянии затягивания, генерируют одну частоту. При значительном изменении параметров одного контура генераторы скачком выходят из затягивания и генерируют разные частоты.
Благодаря этому при незначительных изменениях параметров контуров генераторов, например, от изменения температуры окружающей среды, или вносимых транзисторами емкостей, изменение которых неизбежно при изменении напряжения питания, на детекторе- смесителе не возникает напряжения сигнала. Частота генератора, в контур которого включена катушка датчика, также не изменяется при приближении к катушке металлических предметов, масса которых меньше определенной величины и в результате устраняются ложные срабатывания.
При приближении к контуру датчика металлического предмета с определенной массой параметры контура изменяются настолько, что емкости подстроечного конденсатора С6.
Оба генератора собраны по обычной трехточечной схеме. Катушка- датчик подключается через герметизированный штепсельный разъем. На рис. 2 показан прибор с катушкой, применяемый для счета автомобильных шин. Наружный диаметр катушки датчика 530 мм, индуктивность 71 мкгн, добротность 45. Для герметизации катушка и соединительный кабель покрываются лентой из сырой кремнийорганической резины и вулканизируются. Каркас катушки изготовлен из гетинакса. Катушка содержит девять витков провода ПБД 1,05 мм, намотка однослойная рядовая. Отвод сделан от третьего витка.

Катушка второго генератора, собранного на общей монтажной плате (рис. 3). намотана на каркасе диаметром 6 мм, внавал, проводом ПЭШО — 0,15. Обмотка содержит 75 витков с отводом от 25 витка. Катушка при регулировке подстраивается ферритовым сердечником диаметром 4 мм.

Параллельно катушкам включены контурные конденсаторы С2 и С7 с небольшим отрицательным температурным коэффициентом (КТ К, группа М—75).
Через подстроечные конденсаторы C4 и С5 напряжение высокой частоты с генераторов поступает на базу транзистора Тз, выполняющего роль смесителя-детектора. В том случае, когда частоты генераторов отличаются друг от друга, в смесителе выделяется низкочастотная составляющая сигнала, которая поступает с коллектора транзистора Тз на двухкаскадный усилитель низкой частоты.
Усилитель работает в режиме ограничения и поэтому амплитуда напряжения на выходе усилителя практически не зависит от степени расстройки генераторов.
Через переходный трансформатор Tp1 усиленное напряжение сигнала поступает на выпрямитель (диод Д1), нагрузкой которого служит сопротивление R14. Напряжение с выхода выпрямителя может быть подано на электромеханический счетчик или исполнительное реле, при этом сопротивление R14 следует отключить.
Все детали прибора размещены на гетинаксовой плате размерами 100 X 155 мм. Монтаж выполнен печатным методом. Плата помещается в герметически закрывающийся стальной стакан. На боковой стенке стакана, против конденсатора С6 находится отверстие, через которое возможно производить регулировку прибора после установки его на рабочее место. Отверстие закрывается заглушкой, имеющей резьбу и герметизирующую прокладку.
Наружный диаметр стакана 115 мм, высота 180 мм. Питание прибора осуществляется от выпрямителя, обеспечивающего напряжение 24 в.
При настройке собранного прибора необходимо сначала проверить работу низкочастотного усилителя и детектора. Для этого на выход подключают вольтметр постоянного тока со шкалой на 30 в. Транзисторы T1 и Т2 временно отпаиваются. Включается питание прибора. На базу транзистора Тз подается напряжение звуковой частоты 0,2 в с частотой 3000 гц. Напряжение постоянного тока на выходе прибора должно быть около 10 в. После этого подключается транзистор T1 и при подключенной катушке L1 проверяется частота генератора. Она должна быть около 800 кгц при отсутствии металлических предметов вблизи катушки. Подстройка генератора на нужную частоту осуществляется подбором емкости конденсатора С2. Подстроечные конденсаторы C4 и С5 при этом устанавливаются в среднее положение, а конденсатор С16—в положение минимальной емкости. Частота генератора проверяется волномером, обеспечивающим точность измерения не хуже ±100 гц
После того, как частота первого генератора замерена, отключается транзистор T1 и подключается Т2.
Частота второго генератора устанавливается равной ранее замеренной частоте первого генератора, причем частоты не должны отличаться более чем на 100 гц. Подгонка частоты второго генератора производится подбором емкости конденсатора С7.
После подгонки частоты второго генератора подключается транзистор T1 и проверяется работоспособность прибора. При отсутствии металлических предметов вблизи катушки L1 напряжения на выходе прибора быть не должно. При приближении металлического предмета достаточной массы к катушке L1 генераторы должны выходить из затягивания и на выходе должно появляться постоянное напряжение около 10 в.
Изменением емкости конденсатора С6 устанавливается нужная степень затягивания. С увеличением затягивания увеличивается стабильность работы прибора, то есть уменьшается влияние изменения температуры и напряжения питания. Однако, в это же время уменьшается чувствительность прибора. Степень затягивания устанавливается такой, чтобы обеспечивался надежный счет деталей с наименьшей для данных условий металлической массой на максимально необходимом расстоянии от катушки-датчика.
Отрегулированный прибор устойчиво работает при изменении температуры окружающей среды от —20° С до ±70° С, а также при изменении напряжения питания на ±15% от номинального значения в любой температуре в указанном диапазоне.

Величины коллекторных токов транзисторов указаны в таблице. Аналогичный прибор используется для счёта ученических перьев при их упаковке. Перо проходит внутри катушки датчика. Катушка датчика выполнена на кольцевом каркасе из стеклотекстолита. Внутренний диаметр каркаса 12 мм, наружный — 14 мм. Катушка содержит 46 витков провода ПЭШО 0,15, отвод сделан от 15 витка





