ОСЦИЛЛОГРАФ НА 18 ТРАНЗИСТОРАХ
Ю. Андреев, Радио №8/1964, ст.43
В течение последних лет радиолюбители создали разнообразные измерительные приборы на транзисторах, которые успешно конкурируют с аналогичными ламповыми.
Наименее популярны в этом отношении осциллографы. Транзисторная аппаратура в основном низковольтная, а отклоняющие напряжения должны быть достаточно высокими. Кроме того, транзисторы весьма чувствительны к перегрузкам, и при подаче на вход осциллографа исследуемого напряжения выше 20— 30 в часто наблюдаются пробои во входных каскадах.
Батарейный осциллограф на транзисторах можно использовать как в лабораторных, так и в полевых условиях для исследования напряжений до 250 в. Чувствительность усилителя вертикального отклонения 1,5 мм/мв эфф (18 мв на весь экран) при входном сопротивлении 350 ком и входной емкости 95 пф. Чувствительность усилителя горизонтального отклонения 50 мм\в (0,5 в на весь экран) при входном сопротивлении 50 ком и емкости 45 пф.
Неравномерность частотной характеристики обоих каналов не хуже ± 1,5 дб в полосе частот 1,5 гц— 20 кгц. Диапазон частот непрерывной развертки 2 гц — 20 кгц разбит на 7 поддиапазонов.
Осциллограф снабжен калибратором амплитуды, так что точность измерения напряжений 10%. Питается он от аккумулятора напряжением 10—13 в, потребляемый ток 1,2 а. Размеры прибора без крышки 175 X 220 X 280 мм, вес 5 кг
Одна из основных задач, стоящих перед конструктором осциллографа на транзисторах, заключается в том, чтобы добиться полного отклонения луча на весь экран.
При использовании транзисторов П26 (Uкэ макс =100D) это отклоняющее напряжение не может превышать 90 в. Для полного отклонения луча в осциллографах с любой из наиболее распространенных электроннолучевых трубок, 5ЛО38, 8ЛО29, 13ЛО37 требуется не менее 170 в,
В данном случае анодное напряжение электроннолучевой трубки искусственно занижено, поэтому значительно повышена ее чувствительность, и достигается полное отклонение луча при значительно меньших отклоняющих напряжениях. Для защиты от перегрузок применены входные ограничители.

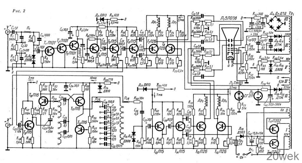
Принципиальная схема. На рис. 1 приведена блок — схема осциллографа, а на рис. 2 его принципиальная схема. Со входа через разделительный конденсатор Ci сигнал поступает на трехступенчатый делитель 1:1, 1 : 10, и 1 : 100, а затем на двусторонний ограничитель Д1—Д2 с порогом ограничения 8 в. Благодаря ограничению даже при подключении к осциллографу напряжения 250 в и ошибочной установке переключателя делителя в положение 1:1 на вход усилителя поступит напряжение не более 8 в, то есть возможность пробоя практически исключена. В то же время при установке переключателя в положение, при котором луч не отклоняется за пределы экрана, напряжение сигнала не ограничивается Стабилитроны при этом практически не проводят тока, чем достигается достаточно высокое входное сопротивление.

Предварительный усилитель выполнен на шести транзисторах T1- T6. Первые три транзистора включены по схеме эмиттерного повторителя, его выходное сопротивление, а следовательно, и входное сопротивление усилителя 600 ком. Кремниевые транзисторы T1—Тз применены для повышения термостабильности.
Каскад на транзисторе Т4 охваченный обратной связью по току и напряжению, имеет коэффициент усиления около 20. Транзистор Т5 являетя согласующим. Последний каскад на транзисторе Т6 работает как фазоинвертер. Максимальное неискажённое напряжение, снимаемое с выходов фазоинвертера, составляет 1.5в. Усиление можно плавно регулировать потенциометром R7.
Выходные усилители вертикального (T7, Т8) и горизонтального (Т15, T16) отклонения, совершенно одинаковые, собраны по симметричной двухтактной схеме с индуктивной коррекцией. Коэффициент усиления каждого плеча равен 50, максимальное неискаженное напряжение, снимаемое с коллекторной нагрузки, 30—32 в эфф (60—64 в эфф между коллекторами транзисторов T7 и Т8).
Экспериментально установлено (с учетом разброса параметров трубки 5ЛО38 и разной чувствительности обеих пар пластин), что для отклонения луча на весь экран требуется напряжение 40—65 в при анодном напряжении трубки 480 в. Напряжение питания обоих выходных каскадов стабилизировано газовым стабилизатором Лз. Усилитель синхронизации выполнен на транзисторе Т9 по схеме с общим эмиттером. Коэффициент усиления каскада 12— 15. Амплитуду синхронизации можно изменять с помощью потенциометра R1, включенного в эмиттерную цепь транзистора Т5. Генератор развертки содержит три транзистора Т1о — T12. Два из них, T10 и Т11, включены по видоизмененной схеме мультивибратора. Третий, Т12, используется как линеаризующий элемент, то есть поддерживает постоянным разрядный ток конденсаторов С28—С35. Переключателем П2 можно регулировать частоту ступенями, а потенциометрам К57 плавно. Сигнал синхронизации подается в цепь базы транзистора T10. Напряжение питания генератора стабилизировано кремниевым стабилитроном Д14. Согласующий усилитель горизонтального отклонения на транзисторах Т13, Т14 по схеме аналогичен вертикальному усилителю на транзисторах Т5, Т6. Этот усилитель, входное сопротивление которого около 80 ком, служит для согласования генератора развертки с выходным каскадом горизонтального усиления. Кроме того он используется для согласования при подаче сигнала на вход «X» осциллографа. Размер изображения по оси «X» регулируется потенциометром К61- Для защиты усилителя от пробоя при поступлении на вход больших напряжений используется ограничитель Д15—Д16, аналогичный примененному в канале вертикального усиления.
Блок питания осциллографа состоит из преобразователя напряжения, выпрямителей и фильтров. Преобразователь собран по схеме симметричного блокинг-генератора на транзисторах Т17, T19- Частота преобразования 900 гц.
Выпрямитель для питания предварительных усилителей и генератора развертки выполнен по мостовой схеме, а для питания электроннолучевой трубки — по схеме удвоения.
Обмотка V трансформатора Tp1 использована для питания двухстороннего ограничителя Д12, Д13.
Напряжение прямоугольной формы, снимаемое с ограничителя, имеет стабильную амплитуду. Оно используется в калибраторе. Напряжение калибратора можно регулировать потенциометром R45, лимб которого проградуирован в милливольтах.
Диод Д18 служит для защиты преобразователя при ошибочном подключении источника питания в обратной полярности. Благодаря стабилитронам прибор может нормально работать при изменении напряжения питания в пределах 10—-13 в. Питающее напряжение поступает на электроды электроннолучевой трубки с делителя напряжения R38—R41
Регулятором яркости служит потенциометр R38, фокусировки— потенциометр R40. Для центровки луча по осям служат потенциометры R29 И R32.
Детали и конструкция. Все детали, использованные в осциллографе, за исключением корректирующих дросселей Др1—Др4 и трансформатора преобразователя, стандартные.
Постоянные сопротивления могут быть типа МЛТ или УЛМ с мощностью рассеивания 0,12—0,5 вт. Только сопротивления R4, R60 и R78 должны иметь мощность рассеивания не менее 2 вт. Переменные сопротивления R21, R27, R71 И R76 типа СПО, сопротивление R45 типа ПП1-3; все остальные — типа СП.
Электролитические конденсаторы типа ЭТО, ЭГЦ и ЭМ, остальные бумажные БМ и МБМ. Малогабаритные коаксиальные разъемы типа ВР-73. Транзисторы типа П15 можно заменить на П13, П14, транзисторы П202 на П201, П203. Вместо газового стабилитрона СГ2П можно применить кремниевый стабилитрон Д817Г. Транзисторы П26 для двухтактных каскадов надо брать одинаковыми по параметрам. Коэффициент усиления по току транзисторов T1—Тз должен быть не менее 20. Остальные транзисторы отбора не требуют.
Дроссели Др1—Др4 намотаны на броневых сердечниках СБ-3 проводом ПЭЛ 0,12. Число витков обмотки 700, индуктивность — 30 мгн.
Трансформатор преобразователя намотан на тороидальном сердечнике из стали Э-310. Наружный диаметр тороида 36 мм, внутренний 24 мм, высота 13 мм. Обмотки содержат: 1 — 30 X 2 витков провода ПЭЛ 0,74; II —15 X 2 витков провода ПЭЛ 0,12; III—560 витков провода ПЭЛ 0,12; IV—16 витков провода ПЭЛ 0,51; V—45 витков провода ПЭЛ 0,12; VI—700 витков провода ПЭЛ 0,1; VII—90 витков провода ПЭЛ 0,27.
Футляр, лицевая панель и крышка осциллографа выполнены из листового дюралюминия толщиной 1,5мм
На лицевую панель выведены все ручки управления за исключением потенциометров центровки по осям R29, R32. Оси последних выведены на заднюю стенку.
Детали блока питания (трансформатор, диоды и конденсаторы) смонтированы внутри стального экрана прямоугольной формы размерами 80 X 140 X 100 мм. Сопротивления входного делителя, корректирующие емкости C2— С4 и стабилитроны Д1, Д2 смонтированы непосредственно на плате переключателя П1. Все остальные детали осциллографа размещены на семи гетинаксовых платах толщиной 2 мм.
Общий вид осциллографа и расположение отдельных деталей показаны на рис. 3 и 4.


Настройка осциллографа. Для настройки осциллографа необходимо иметь осциллограф с частотой непрерывной развертки от 1—2 гц (С1-1, С1-4), ламповый вольтметр с входным сопротивлением не менее 1 Мом (ВЗ-2А) и звуковой генератор, например ГЗ-З. Неравномерность частотной характеристики осциллографа на частотах ниже 20 гц, если это требуется, можно проверить с помощью генератора ГЗ-16
После проверки правильности монтажа приступают к настройке отдельных блоков. Прежде всего следует убедиться в правильности режимов питания транзисторов (табл. 1) и электроннолучевой трубки (табл. 2).


Если режимы транзисторов отличаются более чем на 20—25% от указанных, необходимо подобрать величины сопротивлений цепи базы.
Во время настройки блоков их удобнее подключать к автономному источнику питания. При проверке работы усилителей на его вход подают напряжение от звукового генератора, к выходу усилителя подключают ламповый вольтметр и осциллограф. Проверяют коэффициент усиления, входное сопротивление и максимальное неискаженное напряжение на выходе усилителя. После того как усилители порознь налажены, необходимо включить их вместе и снять сквозную частотную характеристику. Для коррекции усилителей на высокочастотном участке диапазона служат дроссели Др1—Др4 Точное значение индуктивности подбирают таким образом, чтобы подъем частотной характеристики в области частот 18—25 кгц не превышал 1 — 1,5 дб.
По окончании настройки усилителей уточняют параметры входного делителя. Сначала подбирают величину емкости С4, компенсирующей собственную емкость стабилитронов Д1 и Д2, затем величины емкостей С2 и Сз.
Правильно налаженные усилители горизонтального и вертикального отклонения должны иметь равномерные частотные характеристики в полосе частот не менее 1,5 гц—20 кгц. Настройку генератора следует начинать на какой-нибудь средней частоте, например, 100 гц. В первую очередь надо подобрать ограничивающие сопротивления R56 и R58. В зависимости от коэффициента усиления по току транзистора Т12 величину сопротивления R58 можно изменять в довольно широких пределах. Сопротивление R58 подбирается так, чтобы при установке движка сопротивления R57 в нижнее по схеме положение, форма кривой генератора оставалась близкой к линейной.
Последним этапом настройки генератора является проверка по частоте с помощью осциллографа и звукового генератора (по фигурам Лиссажу).
Амплитуда напряжения генератора приблизительно равна напряжению стабилизации кремниевого стабилитрона Д14.
Регулировка преобразователя сводится к подбору величины сопротивления R79 по минимуму потребляемого тока. Последний измеряют амперметром, включенным в цепь питания преобразователя. Ток, потребляемый преобразователем с нагрузкой, при напряжении источника питания 12 в, не должен превышать 1 — 1,2 а.
Последним этапом настройки является градуировка лимба калибратора напряжения. .
Если использовать трубку с длительным послесвечением и большим размером экрана, то размеры прибора несколько увеличатся. При этом необходимо увеличить анодное напряжение трубки до 1500—-1700 в.





