КОРОТКОВОЛНОВЫЙ ПРИЕМНИК
В. Бакланов, А. Тищенко, Радио №12/1964, ст.21
Приемник предназначен для приема сигналов любительных радиостанций, работающих телеграфом, телефоном и на одной боковой полосе в диапазонах 10, 14, 20, 40 и 80 м. Приемник имеет 8 поддиапазонов. Каждый поддиапазон охватывает полосу частот в 500 кгц. Любительские диапазоны 14, 20, 40 и 80 м занимают каждый по одному поддиапазону, и начало шкалы приемника совпадает с началом диапазона. Диапазон 10 м разбит на четыре поддиапазона. Чувствительность приемника при отношении сигнал/шум 3:1 не хуже 1 мкв. Избирательность по соседнему каналу обеспечивается кварцевым фильтром с переменной полосой пропускания. В приемнике применен фильтр, который позволяет подавлять сигналы мешающих станций. Питается приемник от сети переменного тока напряжением 127 или 220 в и потребляет мощность не более 90 вт.

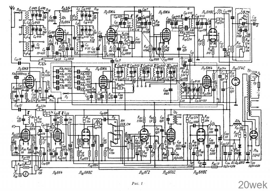
СХЕМА. Приемник выполнен по супергетеродинной схеме с двойным преобразованием частоты. Принципиальная схема приведена на рис. 1.

Входная часть приемника содержит усилитель ВЧ на лампе Л1 (6К4), первый преобразователь на лампе Л2 (6Ж4) и первый гетеродин на лампе 6Ж4 (Л6). Частота гетеродина стабилизирована кварцем. Гетеродин работает на частотах ниже принимаемого сигнала. Так как частота гетеродина фиксирована, первая промежуточная частота изменяется от 2190 до 2690 кгц.
Гетеродин выполнен по схеме с электронной связью. Контуры в цепи анода лампы Л6 настраиваются на частоту выделяемой гармоники кварца. Некоторой расстройкой этих контуров можно регулировать выходное напряжение гетеродина. Частоты кварцев Кв2-Кв9 и номера выделяемых гармоник приведены в табл. 1 В этой же таблице приведены частоты кварцевого гетеродина на случай, если частота гетеродина будет выбрана выше частоты принимаемого сигнала.

Первый преобразователь частоты собран по односеточной схеме. В его анодную цепь включен полосовой фильтр с емкостной связью (L15 L16 С26—С82). Полоса пропускания этого фильтра — около 25 кгц. Выбранная полоса пропускания позволяет устранить возможные ошибки в сопряжении второго преобразователя и обеспечивает высокую избирательность по зеркальному каналу. Второй преобразователь на лампе 6Ж4 (Л3) так же, как и первый, выполнен по односеточной схеме с двухконтурным кварцевым фильтром в качестве анодной нагрузки. Изменение полосы пропускания приемника в пределах от 0,5 до 2,5 кгц достигается одновременной расстройкой контуров кварцевого фильтра в разные стороны относительно резонансной частоты кварца Кв10.
Второй гетеродин собран на лампе 6Ж4 (Л7) по трехточечной схеме с индуктивной связью. Он может плавно перестраиваться в пределах полосы частот 2675—3175 кгц. Анодное напряжение лампы Л1 стабилизировано при помощи стабиловольта СГ4С (Л15).
Напряжение сигнала со второго контура L18 С38С1о7 подается на каскад, выполненный на лампе 6Н8С (Л4). Этот каскад представляет собой недовозбужденный генератор, причем его контур L19С43—С45 включен таким образом: что подавляет сигнал мешающей станции. Эквивалентная добротность этого контура очень высока, что позволяет получить полосу подавления очень узкой (50—200 гц). Благодаря этому можно подавить мешающую станцию, работающую на частоте непосредственно примыкающей к частоте принимаемой станции. При помощи конденсатора С45 контур L19С43— С45 перестраивается, поэтому частоту подавления можно легко изменять. Выключателем Вк2 подавляющий фильтр может быть отключен.
После этого каскада сигнал поступает на двухкаскадный усилитель второй ПЧ, выполненный на лампах 6К4 (Л8 и Л9). Переключателем рода работы П3 к выходу второго каскада усилителя ПЧ может быть подключен диодный детектор телефонных сигналов на левом (по схеме) диоде лампы 6Г2 (Л11) или смесительный детектор сигналов CW и SSB на лампе 6Н8С (Л10). На левом (по схеме) триоде этой лампы собран катодный повторитель, а на правом преобразователь частоты. Последний работает следующим образом. На катод смесительного триода подается напряжение сигнала принимаемой станции с катодного повторителя, а на сетку напряжение третьего гетеродина через катодный повторитель, собранный на левом (по схеме) триоде лампы 6Н8С (Л13) и переключатель П3. В результате на сопротивлении нагрузки R45 выделяется напряжение НЧ. Дроссель Др3 вместе с конденсаторами C88 и С89 составляют фильтр, преграждающий путь комбинационным частотам преобразователя в НЧ тракт приемника.
Третий гетеродин выполнен на правом (по схеме) триоде лампы 6Н8С (Л13) по схеме с емкостной обратной связью. Правый диод лампы 6Г2 (Л11) служит детектором АРУ. В приемнике применена схема АРУ с задержкой. Напряжение АРУ подается на управляющие сетки ламп Л8 и Л9. При необходимости система АРУ может быть отключена выключателем Вк1.
Кроме АРУ в приемнике имеется раздельная ручная регулировка усиления при помощи потенциометров R1 (усилителя ВЧ) и R59 (усилителя второй ПЧ). Отрицательное напряжение на эти потенциометры подается из цепи общего минуса выпрямителя и стабилизировано двумя последовательно включенными кремниевыми стабилитронами Д813 (Д1Д2)
Усилитель НЧ собран по однотактной схеме и работает на триоде лампы 6Г2 (Л11) и лампе 6П6С (Л12). Схема УНЧ особенностей не имеет. Вторичная обмотка выходного трансформатора Тр2 намотана с отводами для того, чтобы к ней было возможно подключать как высокоомные, так и низкоомные головные телефоны. Для объективной оценки силы принимаемого сигнала в приемнике установлен S-метр, индикатором которого служит микроамперметр типа М-494, чувствительностью 100 мка. Шкала S-метра близка к логарифмической. Изменением положения движка сопротивления R39 прибор S-метра устанавливается на нуль, а сопротивлением R37 регулируется чувствительность S-метра.
Кварцевый калибратор для проверки градуировки шкалы приемника собран на лампе 6Ж8 (Л5). Режим генератора подобран так, чтобы гармоники его основной частоты (1000 кгц) имели высокий уровень. Калибратор включается при помощи кнопки Кн1
Для питания анодных цепей приемника используется обычный двух- полупериодный выпрямитель, выполненный на лампе 5Ц4С (Л14).
Конструкция и детали. Шасси приемника изготовлено из дюралюминия толщиной 2 мм. В подвале приемника размещено три экранированных отсека. В них расположены контуры преселектора, усилителя ВЧ, второго и третьего гетеродинов. Из отсека, где размещены детали второго гетеродина, на переднюю панель выведен под шлиц подстроечный конденсатор С70 для корректировки шкалы приемника. Все контуры приемника заключены в алюминиевые экраны. Данные всех катушек приведены в табл. 2. В верхней части шасси имеется экранированный отсек, в котором размещены детали подавляющего каскада. Ось ротора конденсатора С45 необходимо нарастить изоляционным материалом, для устранения расстройки подавляющего каскада от приближения руки оператора. Основной блок настройки С26С32С71 имеет верньер с двумя ступенями замедления: 1:5 и 1 : 30.

Сердечник выходного трансформатора Тр2 собран из пластин Ш-16, толщина набора 20 мм. Первичная обмотка этого трансформатора содержит 1600 витков провода ПЭВ 0,15, а вторичная —500 витков провода ПЭЛ 0,25 с отводом от 73 витка. Данные силового трансформатора Tp1 и дросселя фильтра Др4 приведены в табл. 3.

Все катушки индуктивности перед сборкой приемника желательно предварительно подогнать на Q-метре.
Корпус приемника выполнен из оцинкованного железа толщиной 1 мм, покрытого молотковой эмалью.
Налаживание. Для налаживания приемника необходимо иметь следующие приборы: генератор стандартных сигналов ГСС-6, ламповый вольтметр В КС-7, волномер-гетеродин типа 526-У, осциллограф типа СИ-1. Вначале налаживают третий гетеродин, у которого нужно получить синусоидальную форму выходного напряжения. Для этого осциллограф подсоединяют между анодом и катодом правого (по схеме) триода лампы Л13. Включая приемник, наблюдают на экране осциллографа изображение кривой, и в случае неудовлетворительной формы ее подбирают сопротивления в цепи сетки и анода правого триода Л13 до получения синусоидального напряжения. Напряжение, снимаемое с катода левого триода той же лампы, должно быть не менее 10 в. После этого приступают к налаживанию смесительного детектора. Для этого осциллограф подсоединяют к сетке триода лампы Л11. Переключатель рода работ П3 должен находиться в положении «SSB, CW». На сетку правого (по схеме) триода лампы Л10 подается от ГСС-6 сигнал с частотой 485 кгц. Частота третьего гетеродина устанавливается такой, чтобы она отличалась на 1 кгц от частоты ГСС. Кривая напряжения НЧ, наблюдаемая на экране осциллографа, должна сохранять синусоидальную форму при изменении на 20 дб уровня напряжения сигнала ГСС. В противном случае, необходимо изменить величину напряжения, поступающего на детектор от третьего гетеродина.
Настройка каскадов усилителя второй ПЧ на частоту 485 кгц производится обычным способом, неоднократно описанным в журнале «Радио». Каскад подавления мешающих станций налаживается следующим образом. Вращая движок потенциометра R18, добиваются самовозбуждения каскада. При этом в телефонах должен прослушиваться звук биений частот, генерируемых подавляющим каскадом и третьим гетеродином. Конденсатор С45 ставят в среднее положение и вращением сердечника катушки L19 добиваются нулевых биений. Если каскад подавления не возбудится, необходимо уменьшить величину сопротивления R18. После этого движок сопротивления R18 плавно перемещают до исчезновения биений. На этом налаживание каскада подавления заканчивается. Процесс налаживания однокристального кварцевого фильтра был неоднократно описан на страницах журнала «Радио», и поэтому здесь он не приводится.
Налаживание второго гетеродина производится при помощи гетеродинного волномера типа 526-У. Изменением емкости подстроечного конденсатора С70 добиваются, чтобы частоты, генерируемые гетеродином, находились в пределах 2675—3175 кгц. Наладив второй гетеродин, приступают к настройке контуров L15C26 C27C28 и L16С30 С31 С32. Для этого необходимо на управляющую сетку лампы Л2 подать от ГСС сигнал с частотой 2190 кгц, а ручку блока переменных конденсаторов С26 С32 С71 установить в положение по шкале приемника «О кгц». Вращая сердечники катушек и добиваются максимального сигнала на выходе. Настройку проверяют еще в нескольких точках диапазона. Налаживание первого гетеродина заключается в подборе кварцев и получении одинакового напряжения порядка 1—2 в на всех диапазонах. Изменение величины напряжения производится настройкой соответствующих контуров в анодной цепи гетеродина.
Настройка ВЧ контуров производится в диапазоне 3,5 Мгц подстроечными конденсаторами С1 и С15, 7 Мгц — С2 и С18, 14 Мги — C5 и С16, 21 Мгц — C4 и С20, 28 Мгц — C7 и С17. При этом ручка блока конденсаторов переменной емкости преселектора С9С22 устанавливается на середину шкалы соответствующего диапазона. Налаживание калибратора производится в диапазоне 10 м. Подбором сопротивлений R20 R22R23 добиваются наибольшей слышимости сигнала калибратора.
S-метр градуируется следующим образом. На вход приемника подается с ГСС сигнал напряжением 100 мкв, и на шкале микроамперметра делают отметку. Затем отметки делают при напряжении 50,25 и далее через 5 мкв.
На этом налаживание приемника заканчивается





