КАРМАННЫЙ ПРИЕМНИК „ВЕСНА“
В. Кокачев, Радио №5/1964, ст.41
Приемник предназначен для приема передач радиовещательных станций, работающих в диапазоне средних и длинных волн. Прием осуществляется на внутреннюю магнитную антенну. Чувствительность приемника по всему диапазону не хуже 10 мв/м, что позволяет производить уверенный прием радиостанций, расположенных на расстоянии до 500 км. Номинальная выходная мощность усилителя приемника 150 мвт. Питание приемника осуществляется от четырех последовательно соединенных дисковых аккумуляторов типа Д-0,2 общим напряжением 5 в. Аккумуляторы можно заряжать, не вынимая их из корпуса приемника, для чего в блоке питания имеются специальные гнезда VII для подключения зарядного устройства. Ток, потребляемый приемником в режиме молчания, составляет около 5—6 ма. В рабочем режиме потребление тока прямо пропорционально выходному сигналу и в среднем составляет около 20—25 ма. Практически одного заряда аккумуляторов хватает на 12— 15 ч непрерывной работы приемника. Его работоспособность сохраняется при снижении напряжения до 3 в. Размеры приемника 120х 76 х 34мм, вес — 350 г.
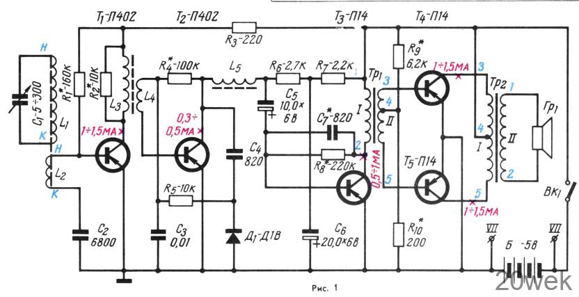
Принципиальная схема. Приемник собран по рефлексной схеме прямого усиления 2 — V —3 на пяти транзисторах и одном диоде. Связь антенного контура, образованного катушкой L1 и конденсатором С1, с первым каскадом усилителя ВЧ индуктивная и осуществляется через катушку связи L2. Оптимальная связь находится при налаживании приемника путем подбора количества витков этой катушки и ее передвижения по стержню относительно катушки L1. Напряжение сигнала с входного контура через катушку связи L2 поступает на базу первого каскада усилителя ВЧ, выполненного на транзисторе Т1 типа П402. Нагрузкой коллектора этого каскада служит обмотка L3 высокочастотного широкополосного трансформатора. Сопротивление R2, включенное параллельно этой обмотке, и сопротивление Rз, включенное последовательно с ней, стабилизируют работу каскада, предотвращая самовозбуждение. Рабочий ток сопротивлением автоматического смещения R1 и составляет 1 —1,5 ма.

Напряжение высокочастотного сигнала, усиленное первым каскадом, через катушку L4 высокочастотного трансформатора поступает на базу транзистора Т2 типа П402, выполняющего функции второго каскада усилителя ВЧ и первого каскада усилителя НЧ. Использование транзистора T2 по рефлексной схеме включения экономит потребляемый приемником ток и позволяет сократить количество транзисторов.
Коллекторной нагрузкой рефлексного каскада по высокой частоте является дроссель L5, а по низкой частоте — сопротивление R6. Рабочий ток транзистора Т2 устанавливается сопротивлением смещения R4 и составляет 0,3—0,5 ма. Высокочастотный сигнал, усиленный вторым каскадом через конденсатор С4, поступает на детектор, выполненный на диоде Д1 типа Д1В, детектируется и вновь поступает на базу транзистора Т2. Для предотвращения возбуждения рефлексного каскада по низкой частоте через источник питания последний развязан от выходного каскада фильтром, образованным сопротивлением R7 и конденсатором С6.
Низкочастотный сигнал, усиленный первым каскадом, выделяется на сопротивлении R6 и через конденсатор С5 поступает на базу транзистора Тз типа П14, работающего во втором каскаде усилителя НЧ. Нагрузкой каскада служит первичная обмотка I согласующего трансформатора Tp1. Режим каскада по постоянному току определяется величиной сопротивления R8. Конденсатор С7 создает необходимую отрицательную обратную связь во втором каскаде усилителя НЧ, стабилизируя его работу в области высших звуковых частот.
Выходной каскад собран по двух тактной схеме на транзисторах T4 и Т5 типа П14 и работает в режиме класса В, благодаря чему КПД усилителя достаточно высок (около 50%), так как каскад работает при небольшом начальном токе (около 2—3 ма). Стабилизация режима оконечного каскада осуществляется делителем R9R10 в цепи баз транзисторов Т4, T5. Каскад нагружен на низкоомный динамический громкоговоритель мощностью 150 мВт с сопротивлением звуковой катушки постоянному току 8 ом. Для согласования выходного сопротивления усилителя НЧ с низкоомной нагрузкой применен выходной трансформатор Тр2.
Конструкция и детали. В приемнике использованы малогабаритные постоянные сопротивления типа УЛМ-0,12, конденсаторы типов ЭММ и КЛС.
В качестве магнитной антенны использован ферритовый стержень Ф-600 длиной 100 мм и диаметром 8 мм. Катушки L1 и L2 намотаны на подвижных каркасах из кабельной бумаги. Катушка L1 содержит 200— 220 витков провода ПЭВ 2—0,12, намотанных внавал, ширина намотки 25 мм; катушка L2 содержит 2—3 витка провода ПЭЛШО — 0,2. При указанных данных катушек обеспечивается плавное перекрытие диапазона от 200 до 1300 м. Для расширения диапазона в сторону длинных волн (до 2000 м) необходимо увеличить количество витков катушки L1 до 280—320. Окончательное количество витков подбирается при налаживании.
Высокочастотный трансформатор Lз, L4 намотан на двух наложенных друг на друга ферритовых кольцах Ф-600 диаметром 7 мм. Обмотка L3 содержит 100 витков провода ПЭВ 2 —0,1, равномерно намотанных по всей окружности ферритового кольца. Поверх катушки L3 намотана катушка L4, содержащая 15 витков провода ПЭВ2-0,12. Дроссель L5 намотан на ферритовом кольце Ф-600 диаметром 8 мм и содержит 240 витков провода ПЭВ2-0,12.
Согласующий трансформатор Tp1 намотан на сердечнике из пермаллоевых пластин Ш4х8 марки Н-50. Первичная обмотка трансформатора содержит 1500 витков провода ПЭВ2-0,08, а вторичная — 2×500 витков такого же провода. Выводные концы в трансформаторе сделаны из тонкого многожильного монтажного провода марки МГМФ-0,07.
Выходной трансформатор Трз собран на сердечнике Ш4х10 из пермаллоя той же марки, что и трансформатор Tp1. Его первичная обмотка содержит 2×245 витков провода ПЭВ 2-0,15, а вторичная — 97 витков провода ПЭВ 2-0,27.
Вторичная обмотка трансформатора Тр1 и первичная обмотка трансформатора Тр2 наматываются в два провода. Средний вывод между обмоткой получается при соединении конца одного провода с началом другого провода. При такой намотке обеспечивается симметрия плеч выходного двухтактного каскада и повышается точность регулировки по току пары близких по коэффициенту усиления транзисторов.
Для снижения коэффициента шума сердечники обоих трансформаторов плотно обжимаются обоймами 2 (рис. 1б). Выводные концы трансформаторов при этом должны находиться внизу. В трансформаторе Тр2 первой наматывается обмотка II.
Динамический громкоговоритель в приемнике самодельный.

Монтажная плата приемника (рис.б) изготовлена из гетинакса толщиной 2 мм. Разметка всех указанных на рисунке отверстий, окон и выемок производится согласно нанесенной сетке, размер ячеек которой составляет 2 мм. Отверстия больших размеров — крепежные, их диаметр 2,2 мм. Отверстия малых размеров — монтажные. Их сверление производится по диаметру имеющихся пустотелых пистонов. Два малых заштрихованных отверстия — технологические. Их диаметр 1,5 мм. Два других больших отверстия диаметром 2,2 мм зенкуются под винт 2М2 (впотай). Зенковка производится на глубину 1,75 мм так, чтобы головка винта утопала за плоскость платы не менее чем на 0,5 мм. Эти отверстия предназначаются для крепления конденсатора переменной емкости.

Блок питания включает в себя все детали, обозначенные на рис. 1, а. К блоку питания прилагается зарядное устройство (рис. 3) для зарядки аккумуляторов. Зарядка производится от сети переменного тока напряжением 127 в. Ток заряда 15—17 ма. Время заряда аккумуляторов 12—15 ч. При зарядке аккумуляторов от сети напряжением 220 в сопротивления R1 и R2 необходимо заменить на 27 ком.
Конструктивно зарядное устройство выполнено В двух вилках, соединенных между собой мягким многожильным проводом в полихлорвиниловой изоляции. В малой вилке (самодельной) вмонтирован диод Д7Ж. Эта вилка имеет два выводных штырька диаметром 2 мм, расположенных друг от друга на расстоянии 14 мм. Она подключается к гнездам VII блока питания во время зарядки аккумуляторов. В качестве другой вилки использована круглая штепсельная сетевая вилка. В ней вмонтированы два сопротивления типа МЛТ—2 вш по 15 ком.

Конденсатор переменной емкости— самодельный. Емкость конденсатора 5-300 пф. Все детали, входящие в конденсатор, показаны на рис. 2. Основание А и накладка Л изготавливаются по разметке из гетинакса толщиной 2 мм. Роторные пластины Б и статорные пластины В опиливаются пакетами по ранее изготовленным шаблонам. Форма статорных пластин выбрана такой, что кривая емкости имеет что-то среднее между прямо емкостным и прямо волновым конденсатором. Это дает возможность несколько расширить диапазон принимаемых частот в средневолновой его части, где наиболее плотное расположение радиовещательных станций.

После опиловки и сверления пластины тщательно очищаются и рихтуются. Наиболее подходящим материалом для пластин следует считать мягкую листовую латунь толщиной 0,2 мм марки Л-62. Этот материал не подвержен коррозии и хорошо поддается любому гальваническому покрытию. Изоляционные прокладки Г также изготавливаются по шаблону из фторопласта или полистирола толщиной 0,05-4-0,06 мм. Необходимое количество заготовок размером 25 X 25 мм с прорубленными в центре отверстиями зажимается между двумя щечками шаблона, изготовленными из гетинакса толщиной 2 мм при помощи ручных тисков или струбцинки. Через отверстие одной из щечек в пакете сверлятся отверстия. Для того чтобы пакет не рассыпался, в два противоположных отверстия вставляются шпильки и пакет освобождают из струбцинки. Затем, зажав пакет в слесарные тиски, излишки материала прокладок обрезаются лезвием ножа по контуру шаблона. При отсутствии полистирола или фторопласта прокладки можно изготовить из целлофана или какого-либо другого изоляционного материала, толщина которого не превышает 0,06 мм. Отверстия в шаблонах для пластин Б, В и прокладок Г лучше всего перевести с основания А. Это обеспечит хорошее сопряжение деталей при сборке конденсатора. Изготовление остальных деталей пояснения не требует.
Сборка конденсатора производится в такой последовательности. В заштрихованные отверстия диаметром 2,1 мм основания А вставляются стойки Е и расклепываются с противоположной стороны. Стойки Ж расклепываются в двух других отверстиях. Два штифта И впрессовываются в отверстия близ центрального отверстия платы, а четыре штифта О — в малые крайние отверстия. В прорези накладки Л вставляется предварительно согнутая контактная пружина и выступающие ее концы с противоположной стороны накладки загибаются. Фиксатор М напрессовывается на ось ротора Д и раскернивается. Собранная ось вставляется в центральное отверстие основания и поворачивается вправо до упора фиксатора со штифтом. В верхнее по рисунку оставшееся свободным отверстие диаметром 0,95 мм вставляется технологическая шпилька диаметром не более 1 мм. На ось ротора надевается роторная пластина так, чтобы через ее отверстие диаметром 1,1 мм прошла технологическая шпилька. Поверх пластины надевается шайба И. Затем на штифты. О надевается изоляционная прокладка Г, а на стойки Е — статорная пластина В. Затем снова прокладка Г, роторная пластина Б, прокладка и снова статорная пластина. Шайбы И ставятся между всеми роторными и статорными пластинами. Таким образом получается пакет наложенных друг на друга роторных и статорных пластин, изолированных друг от друга прокладками. После того как будет набрано необходимое количество пластин (7 статорных и 8 роторных), не вынимая технологического штифта, на ось ротора навертывается гайка 6М2. Затем технологическая шпилька вынимается и производится дальнейшая сборка согласно рис. 2. Контакт пружины К с гайкой ротора должен быть надежным, но пружина не должна плотно прилегать к накладке Л, иначе ось ротора будет плохо вращаться. Для обеспечения надежного контакта желательно выступающий конец оси ротора соединить с выводом контактной пружины К посредством небольшой спиральки, изготовленной из провода ПЭЛ или ПЭВ 0,15— 0,2 мм. После окончания сборки конденсатор проверяется на отсутствие замыкания между роторными и статорными пластинами. Проверка производится пробником или омметром. Шкала конденсатора настройки чертится тушью на плотном ватмане и приклеивается к основанию А клеем БФ-2, БФ-4.
Корпус приемника(фото на вкладке) склеен ацетоном из декоративного целлюлоида толщиной. 2мм и имеет две одинаковые по размерам половинки: верхнюю — с лицевой панелью и нижнюю — дно. Соединение обоих частей корпуса между собой осуществляется посредством буртиков толщиной 0,5мм и высотой 2мм из целлюлоида, приклеенных по всему внутреннему периметру верхней части корпуса, и двух пружинящих защелок. Боковые стенки корпуса — ярко красного цвета, лицевая панель и дно — бледнорозового. Отделка лицевой панели также ярко красного цвета, а фасонный вырез для громкоговорителя заклеен с внутренней стороны фиолетовым капроном. Такое сочетание цветов придает приемнику привлекательный внешний вид.
Динамический громкоговоритель никаких механических соединений с монтажной платой не имеет. Он крепится к лицевой панели корпуса четырьмя зажимами из целлюлоида. Монтажная плата устанавливается на четырех винтах 8М2х8, для чего в верхней половине корпуса, по углам, приклеены четыре квадратные резьбовые стойки. Таким образом, монтажная плата расположена в центре корпуса приемника и металлические части громкоговорителя и конденсатора переменной емкости значительно удалены от’ магнитной антенны, а свободная верхняя часть корпуса улучшает акустику и качество звучания приемника. Удобен и доступ ко всем деталям приемника — для этого достаточно снять нижнюю часть корпуса.
Сборка и налаживание приемника. Сборку приемника начинают с монтажной платы. Сделав двухстороннюю зенковку малых отверстий, в них расклепывают пустотелые пистоны. Длина пистонов 3 мм. Затем точки соединений (см. монтажную схему, рис. 2 на вкладке), обозначенные на рисунке черными линиями, соединяют между собой голым посеребренным проводом толщиной 0,5—0,8 мм. (Если имеется возможность, то согласно схеме можно изготовить печатный монтаж). Конденсатор переменной емкости устанавливают на плату со стороны монтажа и крепят двумя винтами 2М2х6. Затем в окно устанавливают трансформаторы и концы обойм, выступающие с противоположной стороны, загибают. После этого к монтажной плате клеем БФ приклеивают предварительно облуженные паяльником соединительные контактные шины VI, рис. 1, а. Установка шин на плату производится по технологическим отверстиям в плате и шине, зафиксировав их установочными шпильками. Затем производится монтаж деталей и установка магнитной антенны. Антенна крепится к плате при помощи стоек 1 (рис. 1, б) четырьмя винтами 8М2х6. Монтаж и установка всех деталей показана на рис. 2, а на вкладке.
Со стороны монтажа располагаются конденсаторы C1, C5, C6 и выключатель питания. Все остальные детали располагаются с противоположной стороны платы. На монтажной схеме, рис. 2, в на вкладке, красными линиями показаны точки соединений выводов трансформаторов, а синими — выводов антенной катушки L1, высокочастотного трансформатора L3 L4 и дросселя L5. Все остальные соединения, а именно: точки А на монтажной схеме с точкой Б, точки В с Г, Г с Д и соединительных контактных шин II с выключателем питания производятся мягким многожильным монтажным проводом МГТФ — 0,07 или каким-либо другим проводом малого сечения.
Налаживание приемника лучше сначала произвести на предварительно собранной черновой монтажной схеме. Для этого на куске картона чертится принципиальная схема. Все соединительные линии выполняются голым посеребренным проводом и к местам соединений подпаиваются соответствующие детали. Убедившись в правильности монтажа, подключают источник питания.
Начинать налаживание приемника следует с проверки усилителя НЧ при отключенном выводе катушки L5 от минуса конденсатора C5. Первым проверяют режим двухтактного выходного каскада при подключенном громкоговорителе. Если для каскада использованы транзисторы с близкими значениями В и IК0, то при правильном монтаже режим транзисторов T4 и Т5 совпадет с указанным на рис. 1 на вкладке с точностью до 20%. В случае большого расхождения величин токов коллекторов от указанных на схеме следует подобрать величину сопротивлений R9, R10 делителя. Для этой цели удобно вместо постоянных сопротивлений временно подключить переменные и, отрегулировав токи, впаять нужные постоянные сопротивления. Величина токов коллекторов транзисторов Т4 и Т5 не должна превышать 1,5 ма. Выходной каскад дает достаточное усиление и при токах коллекторов транзисторов в 1 ма. На этом налаживание выходного каскада можно считать законченным.
Налаживание предварительного каскада усилителя НЧ сводится к подгонке режима транзистора по постоянному току. Изменяя величину сопротивления R8 (при подключенном конденсаторе С7), добиваются устойчивой работы каскада при минимальном токе коллектора. Подключив вывод катушки L5 на место и сняв катушку L2 со стержня магнитной антенны (иначе во время настройки приемник может возбудиться и сопротивления смещения будут подобраны неверно), подгоняют режимы транзисторов Т2 и Т1 по постоянному току. Установив коллекторные токи транзисторов подбором сопротивлений R4 и R1 катушку L2 надевают на стержень магнитной антенны и подбирают число витков катушек L1 и L2 так, чтобы приемник устойчиво работал на всех участках диапазона. В случае возбуждения приемника по высокой частоте необходимо поменять местами выводы одной из обмоток высокочастотного трансформатора. Окончательное налаживание приемника производится в собранном виде. Сборка осуществляется в следующем порядке. Отпаяв все детали черновой схемы и не путая первоначального включения, их подпаивают в соответствующие места монтажной платы. Подключив ко входу конденсатор C1, а к выходу — динамический громкоговоритель, включают питание. Затем проверяется работа цепи связи с антенной. Если при передвижении катушки L2 по ферритовому стержню в каком-то положении выходной сигнал приемника исчезает или имеет резкий минимум, то концы катушки L2 следует поменять местами. При правильном включении катушки L2 сближение ее с катушкой L1 вызывает постоянное нарастание уровня сигнала. Следует отметить, что приемник должен работать даже и в том случае, когда катушка L2 снята со стержня. Окончательную подстройку приемника лучше производить в вечернее время, когда слышимость радиостанций значительно улучшается.
В заключение хочется отметить, что конструкция приемника неоднократно повторялась и испытывалась в нескольких городах Советского Союза, в том числе и в Москве и Ленинграде. В Ленинграде, кроме местных радиостанций, в средневолновой части диапазона были приняты радиостанции Прибалтики, Финляндии, Польши и других стран.





