ДВУХКОНТУРНЫЙ ТРАНЗИСТОРНЫЙ РЕФЛЕКСНЫЙ ПРИЕМНИК
Шандор Рожа, Радио №7/1963 ст.40
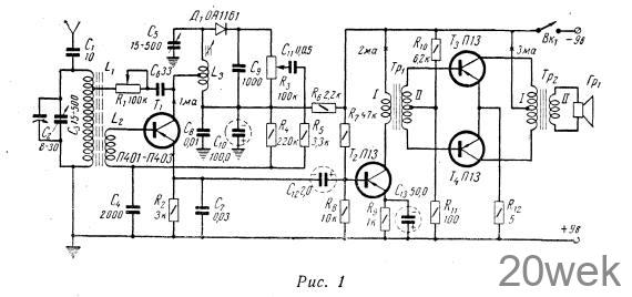
Для того, чтобы карманные транзисторные приемники прямого усиления были более экономичными и малогабаритными, их часто строят по рефлексной схеме, где транзистор, усиливающий высокочастотный сигнал, одновременно используется для усиления по низкой частоте. Обычно в качестве нагрузки по высокой частоте в рефлексном каскаде служит дроссель, и таким образом этот каскад является апериодическим усилителем ВЧ, что снижает чувствительность и избирательность приемника. В приемнике, схема которого показана на рис. 1, вместо дросселя в цепь коллектора транзистора Т1 рефлексного каскада включен резонансный контур L3C5, что увеличивает усиление каскада по ВЧ и значительно улучшает избирательность приемника.

Рефлексный каскад на транзисторе П402 (Т1) включен для высокой частоты по схеме с общим эмиттером. В усилителе ВЧ применена положительная обратная связь, которая подается с коллектора транзистора Т1 через конденсатор С6 и переменное сопротивление R1 регулировки на часть катушки L1. Чтобы напряжение НЧ на сопротивлении нагрузки детекторного диода ОА1161 (Д1) было больше, величина этого сопротивления значительно превышает обычную. Для согласования выходного сопротивления детекторного каскада с входным сопротивлением первого (рефлексного) каскада УНЧ транзистор Т1 по низкой частоте включен по схеме с общим коллектором. Дальнейшие каскады УНЧ собраны по стандартной схеме и содержат один (второй) каскад предварительного усиления на транзисторе Т2 и выходной двухтактный каскад на транзисторах Т3Т4, работающий в классе В. В этих каскадах применены транзисторы П13. В зависимости от данных выходного трансформатора максимальная выходная мощность оконечного каскада может быть 100 и 300 мВт.
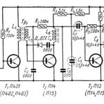
Катушки L1 и L2 приемника наматываются на ферритовой антенне, а катушка L3— на каркасе диаметром 10 мм с сердечником диаметром 8 мм. Расположение катушек на антенне и каркасе, а также их намоточные данные для средневолнового диапазона указаны на рис. 2. Данные междукаскадного и выходных трансформаторов для различных мощностей приведены в таблице.


При постройке приемника необходимо иметь в виду, что транзисторы Т3 и Т4 должны иметь по возможности одинаковые коэффициенты усиления по току (допускается расхождение не более 10%). При выборе максимальной выходной мощности оконечного каскада следует помнить что кпд усилителя класса В будет высоким лишь в том случае, когда на его вход подано напряжение НЧ, достаточное для полной раскачки оконечного каскада. Настройка контуров приемника производится по максимуму слышимости радиовещательных станций или сигнала ВЧ генератора. На длинноволновом участке диапазона настройка производится вращением сердечника катушки L3, а на коротковолновом участке—только изменением емкости подстроечного конденсатора С2. Если приемник будет самовозбуждаться по высокой частоте, то нужно изменить положение L3 относительно ферритовой антенны или же экранировать эту катушку.
ОТ РЕДАКЦИИ: Описанный выше приемник может дать хорошие результаты только при постройке его квалифицированными радиолюбителями. Данные, которых нет в описании, автором не указаны. Детекторный диод ОАЛ161 (Д1) можно заменить любым точечным диодом.





