ВЫСОКОКАЧЕСТВЕННАЯ СТЕРЕОФОНИЧЕСКАЯ УСТАНОВКА
Г. Карасев, Радио №3/1966, ст.30
Стереофоническая установка, сконструированная инженером Г. Карасевым, состоит из четырехканального усилителя и двух широкополосных акустических агрегатов, в каждом из которых размещено по пять динамических громкоговорителей. Усиление подводимых звуковых сигналов в каждом стереоканале производится раздельно для низших (от 20 до 500 гц) и высших (от 500 до 30 000 гц) частот, что позволило значительно ослабить интермодуляционные искажения. Звук при этом приобретает особую чистоту и «прозрачность».
С целью снижения нелинейных искажений каждый канал усиления охвачен глубокой отрицательной обратной связью и заканчивается двухтактной оконечной ступенью, выполненной по ультралинейной схеме.
Более чем достаточная выходная мощность каждого стереоканала позволяет использовать усилитель в «легком» режиме и устраняет перегрузку последнего при резких изменениях уровня входного сигнала. Несмотря на кажущуюся громоздкость схемы, изготовление усилителя совершенно доступно радиолюбителю средней квалификации, а налаживание при правильно выполненном монтаже сводится к проверке режимов ламп высокоомным вольтметром
Основные технические данные
иапазон воспроизводимых усилителем частот при ослаблении на краях диапазона не более 2 дб составляет от 20 гц до 30 кгц. Частота разделения каналов усиления 500 гц. Максимальная выходная мощность 24 ва, а номинальная— 16 ва. Коэффициент нелинейных искажений при номинальной мощности на частоте 400 гц не более 0,3%. Уровень фона — 70 дб.
Регулировка тембра — раздельная: по низшим частотам в пределах ±12 дб, по высшим — ±15 дб. Чувствительность каждого стереоканала при номинальной мощности на выходе — 200 мв. Потребляемая от сети мощность не более — 100 ва.
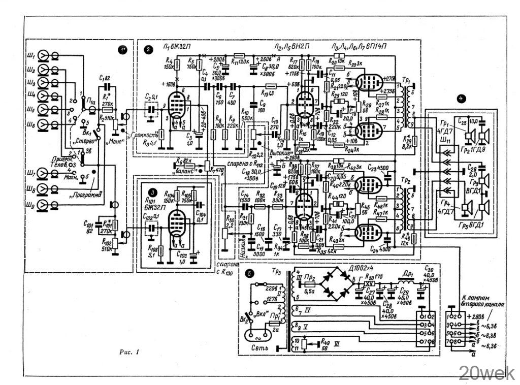
Принципиальная схема
Оба стереоканала усиления совершенно идентичны, поэтому на схеме (рис. 1) изображен один из них и общий для обоих каналов источник питания.

Стереоусилитель имеет четыре самостоятельных идентичных входа для работы от звукоснимателя, детектора радиоприемника, магнитофона и телевизора. Первые три входа предназначены как для стерео — так и монопрограмм, последний — только для монофонической программы.
Чувствительность усилителя со всех входов одинакова (200 мв), поэтому если входной сигнал по величине отличается от указанного значения, его следует привести к необходимому уровню с помощью делителя или последовательно включенного сопротивления. Лучше всего это сделать в том устройстве, которое является источником сигнала. Если величина добавочного сопротивления окажется более 100 ком, параллельно ему необходимо включить конденсатор емкостью 10±100 пф (подбирается на слух).
Выбор необходимой программы осуществляется переключателем П1. Одновременно звуковой сигнал может быть подан (транзитом) для записи на магнитофон через специально предусмотренный выход Ш8, Ш9. Усилитель может работать и как монофонический. В этом случае оба входа включаются параллельно переключателем BК1.
От переключателя П1 звуковой сигнал подводится к управляющей сетке лампы Л1 (во втором стереоканале — Л101) типа 6Ж32П. В цепи сетки этой лампы находится потенциометр R2, регулирующий усиление (громкость) без тонкомпенсации. Такая схема регулирования позволяет применить обычный сдвоенный потенциометр без отводов. Разумеется, при наличии специального сдвоенного потенциометра с отводами тонкомпенсацию следует предусмотреть. Схемы таких регуляторов неоднократно описывались в журнале «Радио» (см., например, статью Ю. Романюка в журналах «Радио» № 10 и № 11 за 1965 г.).
Лампа 6Ж32П специально предназначена для работы в первых каскадах усилителей НЧ и отличается малыми собственными шумами и низким уровнем фона. Применение этой лампы позволило удобно осуществить регулировку стереобаланса обычным одинарным потенциометром R7. С этой целью экранные сетки первых ламп (Л1 и Л101) включены в диагональ моста, образованного резисторами R5, R105, R6, R7 При двухполосном усилении применение других схем стереобаланса менее эффективно и связано с определенными трудностями [2].
Рабочая точка на характеристике лампы Л1 задается падением напряжения на резисторе R3 из-за сеточных токов.
Усиленный первым каскадом входной сигнал подается затем на фильтры высших (С8, R9, С7 R10) и низших (R31, C15, R32, С16, Rзз, С17) частот. Раздельная регулировка тембра производится потенциометрами R12 и R30. Частота разделения каналов выбрана довольно низкой — 500 гц, при такой частоте разделения мощности каналов высших и низших звуковых частот должны быть одинаковыми, что позволяет выполнить последующие каскады (в том числе и оконечные) совершенно идентичными.
Дальнейшее усиление осуществляется раздельно по высшим и низшим частотам левыми (по схеме) половинами ламп Л2 и Л5 (соответственно). Аноды левых половин этих ламп непосредственно соединены с управляющими сетками правых половин, выполняющих роль фазоинверторов. Отсутствие переходных конденсаторов уменьшает общий фазовый сдвиг в канале и повышает устойчивость усилителя при глубокой отрицательной обратной связи. Выходные каскады (Л3, Л4, Л6, Л7) выполнены по ультралинейной схеме. Начальные токи (покоя) оконечных ламп выравниваются резисторами R26 и R45.
Конструкция и детали
Усилитель собран на алюминиевом шасси размером 320X240X40 мм, толщина материала 2 мм (см. 4-ю страницу вкладки).

В передней части шасси расположен специальный отсек, где размещены все органы управления и находятся разъемы для входных и выходных сигналов (рис. 2). Применение специального отсека не обязательно, но в этом случае органы управления и разъемы необходимо отделить от остальной части монтажа перегородкой. Монтаж усилителя выполнен на монтажных планках. Подвал шасси разделен на две равные части, в каждой из которых расположены элементы соответствующего стереоканала. Шасси закрывается общим поддоном из алюминия толщиной 2 мм.

Переключатель П1 (желательно на керамической основе) имеет 11 положений, но ограничен девятью. Соответствующие входы подключены через одно положение, промежуточные контакты заземлены.
Оболочки конденсаторов С2 и С102 (типа МБМ) также следует заземлить, если применены конденсаторы без такой оболочки (например, КБГИ), нужно изготовить для них экраны из жести в виде цилиндров, полностью закрывающих корпус, и заземлить их.
Шасси усилителя не должно играть роль «земляного» провода. Этот провод прокладывают изолированно от корпуса и соединяют с ним около первой лампы в каждом стереоканале. Электролитические конденсаторы усилителя также изолируют от шасси.
Потенциометры для регулировки усиления и тембра — сдвоенные, типа СП-3. Эти потенциометры должны быть идентичными по характеру изменения сопротивления. Особенно это относится к потенциометрам R2 (К102)
Выходные трансформаторы применены от радиоприемника «Фестиваль», выводы на схеме соответствуют их заводской маркировке. Можно применить и другие трансформаторы, рассчитанные на работу в двухтактных каскадах, собранных по ультра-линейной схеме, вторичные обмотки трансформаторов должны быть согласованы с нагрузкой.
В источнике питания применен силовой трансформатор, собранный на сердечнике из пластин Ш-32, толщина набора 63 мм. Обмотка I содержит 381 виток провода ПЭВ-1 0,86, обмотка // —279 витков провода ПЭВ-1 0,64, экранная обмотка—один слой провода ПЭЛ 0,41, повышающая обмотка III имеет 795 витков провода ПЭВ-2 0,41, обмотки IV и V содержат по 20 витков провода ПЭВ-1 1,35, а обмотка VI — 20 витков провода ПЭВ-1 1,0.
Можно применить и другие силовые трансформаторы мощностью 100 ва или даже два — по 50 ва, выпрямленное высокое напряжение при этом не должно быть меньше 260-270 в.
Дроссель фильтра Др1 собран на сердечнике из пластин Ш-16,толщина набора 45 мм, зазор в сердечнике 0,5 мм. Его обмотка содержит 1200- 1400 витков (до полного заполнения каркаса) провода ПЭВ-1 0,44.
В выпрямителе использованы четыре селеновых столбика Д1002. Их можно заменить тремя селеновыми выпрямителями АВС-120-270, включенными параллельно, или применить полупроводниковые диоды Д7Ж в параллельно-последовательной схеме включения (16 шт.).
Усилитель и источник питания смонтированы в деревянном ящике, для которого использован футляр от радиолы «Сакта». Усилитель находится в верхней части ящика, источник питания — в нижней. Питающие напряжения подаются к усилителю по шлангу через штепсельный разъем. Источник питания смонтирован на шасси из листовой стали — декопир — толщиной 1 мм. Размеры шасси 240X240X55 мм. На его фотографии (вкладка) видны детали (реле и др.), которых нет на принципиальной схеме. Они входили в устройство для задержки включения анодного напряжения на 3 сек, которое было исключено автором как неоправдавшее себя в работе. В зависимости от возможностей радиолюбителя размеры, а также конструкция источника питания (рис. 3) могут быть изменены. Расположение деталей на шасси усилителя изменять не рекомендуется (см. 4-юстраницу вкладки).

Оба акустических агрегата полностью идентичны. Их внешний вид и внутреннее устройство показаны на вкладке и на рис. 4, а габаритные размеры указаны дополнительно на рис. 5.

Ящики акустических агрегатов изготовлены из щитов переклейки (сосновые дощечки, оклеенные ясеневой фанерой) толщиной 20 мм. Вертикальные и горизонтальные панели скреплены соединительными деревянными брусочками размером 40X40 мм, клеем и шурупами.

Переднюю панель толщиной 15 мм плотно вставляют в раму, образованную остальными панелями, и прикрепляют четырьмя винтами М5 к металлическим уголкам, укрепленным на соединительных брусках. Винты следует завинтить в переднюю панель еще до оклеивания декоративным материалом. Торцы вертикальных и горизонтальных панелей шпатлюют и закрашивают светлокоричневой нитроэмалью. Сами панели покрывают светлым нитролаком. Если у радиолюбителя не окажется указанного материала, агрегаты можно изготовить из древесно-стружечных плит, продающихся в строительных магазинах. В этом случае проще всего обтянуть агрегат с трех сторон декоративной тканью (как это сделано, например, в усилителе инж. Ю. Кудрявцева, «Радио» № 1 за 1964 год), изменив несколько всю конструкцию.
Неплохой получается отделка, когда все панели, изготовленные из древесно-стружечных плит, окрашивают светлой нитроэмалью с предварительной шпатлевкой. Для последней можно применить смесь, составленную из клея «рапид» и талька (применять мел или зубной порошок недопустимо). Если отделка будет производиться масляными красками, можно применять обычные клеевые или масляные шпатлевки.
Акустические агрегаты можно также изготовить из фанеры толщиной 12 мм. Внутреннюю поверхность агрегатов желательно покрыть звукопоглощающим материалом (простеганной ватой, ватином, паралоном и т. п.), но эта мера не обязательна.
Глухую заднюю стенку выполняют из фанеры толщиной 6 мм и привинчивают ее 15-жж шурупами, расположенными на расстоянии 150 мм друг от друга.
Налаживание усилителя
Если усилитель собран правильно и в нем применены рекомендованные детали и элементы, то в налаживании нет необходимости. Схема рассчитана таким образом, что нужные режимы (указаны на схеме) устанавливаются автоматически.
Включив усилитель следует убедиться в его работоспособности, подавая на вход сигнал от звукоснимателя или прикасаясь отверткой к управляющим сеткам ламп Л1 и Л101. Регулятор усиления должен стоять в среднем положении.
Включая высокоомный вольтметр поочередно между анодами оконечных ламп всех четырех каналов, добиваются с помощью потенциометров R26.R45 и R126 R145 минимального (не более 1 в) показания прибора.
Такую операцию следует проделывать в соответствующем канале и после замены какой-либо из оконечных ламп.
Если источник питания обеспечивает необходимое напряжение + 280 б, то режимы во всех каскадах подбирать нет необходимости. В иных случаях, подбирая величины сопротивлений R20 и R39, следует добиться, чтобы в точках А и Б (при закороченном входе) установились потенциалы, указанные на схеме (рис. 1). Остальные режимы установятся автоматически. Отклонение напряжений на ±10% не влияет на работу усилителя. Измерения производились авометром ТТ-1.
Уровень фона при рациональном монтаже в усилителе очень низок. Так, при закороченном входе и максимальном усилении на расстоянии в 1 м от акустических агрегатов фон не прослушивается совершенно. Минимальный уровень фона устанавливают потенциометром R49. Если нет осциллографа или лампового милливольтметра, минимум фона устанавливают на слух, приложив ухо к низкочастотному громкоговорителю.
Поскольку большинство радиолюбителей не имеет необходимой аппаратуры, о качестве работы стереоусилителя можно судить по прослушиванию записей новых долгоиграющих стереофонических или монофонических грампластинок, а также программ ЧМ-вещания.
В усилителе отсутствует специальный генератор, позволяющий установить объективный стереобаланс. При желании такой генератор можно встроить в усилитель, воспользовавшись схемой, примененной в усилителе Ю. Кудрявцева («Радио» № 1, 1964 г.). Практически более важен субъективный стереобаланс, который зависит от многих факторов, в частности от акустики помещения, взаимного расположения акустических агрегатов и ,слушателя, симметричности выходов источника звуковой программы и т. п. Субъективный стереобаланс можно установить следующим простым способом. К усилителю, работающему в режиме «моно», подводят сигнал от звукоснимателя, установленного на замкнутую бороздку любой пластинки. Регулятор усиления — в положении 3/4 максимального, низшие частоты завалены, высшие — подняты. Слушатель располагается в той точке помещения, где он будет находиться при дальнейшем прослушивании.
Вращая ручку «баланс», добиваются такого положения, когда шипение пластинки будет исходить из точки, находящейся на биссектрисе угла, образованного головой слушателя и двумя акустическими агрегатами. По достижении баланса усилитель используют в желаемом режиме.
С описанным усилителем могут работать акустические системы других типов, в частности фазоинвертор [3, 4]. При этом количество громкоговорителей в низкочастотных каналах можно уменьшить до одного. Однако последнее связано с пересчетом витков вторичных обмоток выходных трансформаторов и может быть рекомендовано только достаточно подготовленному радиолюбителю.
Литература:
- М. Д. Ганзбург. Улучшение звучания приемника. Госэнергоиздат, 1961 г.
- Л. М. Кононович. Стереофонические усилители низкой частоты. «Радио» № 1, 1960 г.
- А. Дольник, М. Эфрусси. Высококачественные акустические системы. Издательство ДОСААФ, Москва, I960 г.
- Р. Бессон. Все о стереофонии. Госэнергоиздат, 1963 г





