УВЕЛИЧЕНИЕ ЧУВСТВИТЕЛЬНОСТИ ТРАНЗИСТОРНЫХ РАДИОПРИЕМНИКОВ
В. Васильев, Радио №9/1964 ст. 35
Одним из недостатков любительских транзисторных радиоприемников прямого усиления, работающих на внутреннюю магнитную антенну, является их сравнительно низкая чувствительность, в среднем не превышающая 10—20 мв/м. Для уверенного приема менее мощных и более удаленных радиостанций требуется чувствительность не хуже 2—5 мв/м, что обычно обеспечивают супергетеродинные приемники. Но чувствительность порядка 5 мв/м можно получить и от простого приемника прямого усиления за счет повышения усиления высокочастотного тракта.
Повысить усиление на высокой частоте можно путем улучшения эффективности магнитной антенны и увеличения коэффициента усиления усилителя ВЧ.
Улучшение эффективности магнитной антенны возможно за счет параллельного или последовательного включения двух или трех магнитных антенн, использования ферритового стержня с большей площадью сечения, путем намотки контурной катушки литцендратом и т. д. Принятие указанных мер может улучшить чувствительность приемника не более чем в 1,5 раза.
Увеличение коэффициента усиления. усилителя ВЧ может достигаться либо путем введения положительной обратной связи между усилителем и магнитной антенной, либо использованием в каскадах усиления транзисторов с большим коэффициентом усиления. В первом случае можно получить выигрыш в усилении в 2—3 раза, но работа усилителя при этом становится неустойчивой, что иногда приводит к самовозбуждению приемника. За счет применения высокочастотных транзисторов типа П401—П403 с в=100—120 можно довести коэффициент усиления по напряжению двухкаскадного усилителя до 1300—1500, что обеспечит приемнику чувствительность? порядка 6—8 мв/м.
Резко увеличить чувствительность приемника в целом можно за счет добавления третьего усилительного каскада ВЧ, но такой каскад, выполненный на транзисторе с общим эмиттером, работает неустойчиво, так как при этом все три каскада усилителя ВЧ оказываются фазоинвертирующими и самовозбуждение ВЧ тракта наступает из-за межкаскадных паразитных связей, что практически не наблюдается в двухкаскадном усилителе ВЧ. Если в двухкаскадном усилителе ВЧ тракт все же возбуждается, устранить это явление можно или экранированием отдельных каскадов, или всего усилителя ВЧ.
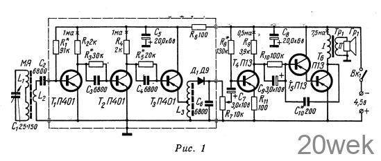
Значительно повысить чувствительность транзисторных приемников с двумя каскадами усиления ВЧ можно за счет добавления между каскадами эмиттерного повторителя, который позволяет полностью реализовать усилительные свойства обоих каскадов усилителя ВЧ. Наиболее целесообразно эмиттерный повторитель включать между вторым каскадом ВЧ и диодным детектором. Сравнительно низкое выходное сопротивление эмиттерного повторителя оказывается много меньше входного сопротивления детектора. Последнее очень важно для неискаженной работы диодного детектора при слабом ВЧ сигнале (порядка 30—50 мв), когда входное сопротивление детектора становится весьма малым. На рис. 1 приведена схема однодиапазонного приемника прямого усиления, в усилителе ВЧ которого применен эмиттерный повторитель. Схема весьма проста и работает на 6 транзисторах с В=15-30: П401 (3 шт.) в усилителе ВЧ и П13 (3 шт.) в усилителе НЧ

Коэффициент усиления апериодического усилителя ВЧ, собранного на транзисторах типа П401 с В=15—30, гораздо больше, чем у аналогичного усилителя, выполненного на транзисторах типа П15 с В=100—120. Это объясняется тем, что у транзисторов типа П401 коэффициент В практически постоянен в области частот от нуля до 1,0— 1,5 Мгц, тогда как у П15 величина В резко уменьшается уже в начале диапазона ДВ. Сравнительные частотные характеристики транзисторов П15 и П401 при двух значениях коэффициента усиления на низких частотах В = 20 и В=100 приведены на рис. 2. Из этого рисунка видно, что транзисторы типа П401 с В=20 обеспечивают меньшее, но зато более равномерное усиление по диапазонам СВ и ДВ, чем транзисторы того же типа с В=100.
На рис. 3 приведены результаты расчета коэффициента усиления К первых двух каскадов усиления и усилителя ВЧ приемника в целом по схеме рис. 1 при использовании транзисторов с В=15—120. Область В=15—30 заштрихована. Согласно этим данным добавление к двухкаскадному усилителю ВЧ эмиттерного повторителя дает выигрыш в усилении в 6—8 раз, так что схема рис. 1 обеспечивает чувствительность порядка 3—6 мв/м при В= 15—30, что трудно получить от двухкаскадного усилителя на транзисторах с В=100—120 и более. Практически в схеме рис. 1 целесообразно использовать транзисторы с В не более 60, так как при больших значениях В чувствительность увеличивается незначительно.


Результаты измерений показали, что реальные значения коэффициента усиления усилителя ВЧ весьма близки к расчетным.
Усилитель НЧ описываемого приемника (рис. 1) прост в изготовлении и налаживании. Он состоит из двух каскадов: каскада предварительного усиления на транзисторе Т4 и усилителя мощности, выполненного по схеме составного транзистора, на транзисторах Т5 и Т6. Нагрузкой усилителя является низкоомный динамический громкоговоритель с согласующим выходным трансформатором Tp1. Максимальная неискаженная выходная мощность усилителя — 12—15 мет. Для получения такой мощности напряжение НЧ на входе усилителя должно быть порядка 5—10 мв.
Детали. Параметры транзисторов и рекомендуемые режимы их работы указаны на принципиальной схеме (рис. 1) и в таблице 1. Конденсатор переменной емкости C1 типа КПК 25/150 пф. Конденсаторы С5 и С8 могут иметь емкость от 20,0 до 100,0 мкф, C7, С9 — от 3,0 до 10,0 мкф. Диод Д1 типа Д2А или серии Д9. Источником питания служит батарея типа КБС-Л-0,5, или другой источник питания напряжением 4,0—4,5 в. Намоточные данные трансформатора Tp1, магнитной антенны МА, и автотрансформатора ВЧ (Lз) приведены в таблице 2. Контурная катушка намотана на подвижном бумажном каркасе длиной 40 мм. Катушка связи L2 намотана на отдельном бумажном каркасе, размещенном на стержне антенны рядом с катушкой L1.


Конструкция. Усилитель ВЧ собирается на отдельной гетинаксовой панели с размерами 90Х24Х 1,5 мм. Собранный усилитель ВЧ помещается в П-образный экран из тонкой пластины листовой меди, латуни или алюминия с размерами 90X55 мм. Такая экранировка устраняет паразитные связи усилителя ВЧ с магнитной антенной, что повышает устойчивость работы приемника.
Усилитель НЧ собирается на общей монтажной плате приемника, на которой располагаются также усилитель ВЧ в экране, конденсатор настройки, регулятор громкости, источник питания и выходной трансформатор.
Налаживание приемника сводится к подбору коллекторных токов транзисторов (подбором величин сопротивлений R1, Rз, R5, R8 и R10). После подбора коллекторных токов вращением ротора конденсатора C1 необходимо настроиться на радиостанции, работающие в начале и в конце выбранного диапазона волн. Более точно границы диапазона устанавливаются перемещением катушки L1 по стержню антенны. Оптимальная связь усилителя ВЧ с магнитной антенной устанавливается перемещением катушки L2 относительно L1. Желаемый тембр звучания приемника достигается подбором емкости конденсатора С1о
В заключение можно отметить, что описанный усилитель ВЧ с эмиттерным повторителем дает хорошие результаты при работе с усилителем НЧ большей мощности и при использовании его в качестве апериодического усилителя ПЧ. В том случае, когда уже имеется приемник прямого усиления, то его чувствительность можно повысить добавлением эмиттерного повторителя по схеме рис. 1
Радио №1/1966, ст.63






