УНИВЕРСАЛЬНЫЙ LC- ГЕНЕРАТОР
Радио №5/1979 ст.58
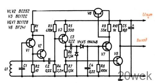
Генератор, схема которого приведена на рисунке, предназначен для измерительной аппаратуры. Важным преимуществом этого генератора является возможность использовать резонансные контуры практически с любым отношением L/C. Так, он одинаково устойчиво работает, если индуктивность катушки L1 изменяется в пределах от 50 мкГн до 100 мГн, а емкость конденсатора С1 — от 50 пФ до 5 мкФ. Например, при индуктивности L1 — 50 мкГ и емкости С1 — 5 мкФ генерируемая частота будет около 10 кГц, а при той же индуктивности и С1 = 50 пФ — 3,2 МГц. Кроме того, к числу достоинств данного генератора следует отнести малое напряжение на LC-контуре — примерно 100 мВ. В некоторых случаях это существенно, например, при измерении параметров варикапов. Генератор выполнен на транзисторах V1 и V2. Каскад на транзисторе V3 — предварительный усилитель, сигнал с которого поступает на выходной усилитель (транзистор V8) и на узел автоматической регулировки уровня выходного сигнала генератора. Поскольку на предварительный усилитель сигнал поступает непосредственно с колебательного контура генератора, то узел АРУ поддерживает постоянным напряжение и на этом контуре.

Узел автоматической регулировки уровня состоит из выпрямителя на диодах V4 и V5, выполненного по схеме удвоения, усилителя постоянного тока на транзисторе V7 и регулирующего транзистора V6. Как только по какимнибудь причинам напряжение на выходе генератора изменится, например повысится, то возрастет смещение на базе транзистора V7. Это, в свою очередь, приведет к уменьшению тока через транзистор V6 (следовательно, и через транзисторы генератора V1, V2), и напряжение на выходе генератора уменьшится до первоначального значения.
Выходное напряжение практически остается постоянным при изменении напряжения питания от 3,5 до 15 В. Его удобно выбрать равным 5 В. В этом случае уровень сигнала на выходе генератора будет совместим с устройствами транзисторно-транзисторной логики.
В генераторе можно использовать любые кремниевые высокочастотные транзисторы, причем транзисторы V1—V3 должны иметь достаточно большой коэффициент передачи тока (не менее 150). В том случае, если имеют место паразитные высокочастотные колебания, то следует несколько увеличить сопротивление резистора R2.
«Funkshau» (ФРГ), 1978, № 18
Примечание редакции. В генераторе можно применить транзисторы КТ361Б, Г (V1, V2, V3) и КТ315Б.Г (V6, V7, V8), диоды (V4, V5) могут быть типа КД503А.





