СТРЕЛОЧНЫЙ ИНДИКАТОР НАСТРОЙКИ
К, Швецов, Радио №4/1963 ст.20
В любительских супергетеродинных приемниках в качестве индикатора точной настройки на несущую частоту принимаемой радиостанции удобно применять стрелочный индикатор, замеряющий напряжение АРУ.
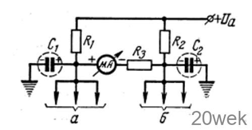
Однако непосредственный замер напряжения АРУ шунтирует последний контур усилителя ПЧ и требует прибора чувствительностью не хуже 50—100 мка. Индикатором настройки может быть и более «грубый» прибор (до 5 ма), включаемый в мостовую схему (см. рисунок). В одном плече этого моста а включены анодные цепи ламп, охваченных действием АРУ, в другом плече все остальные каскады радиоприемника, потребляющие ток от источника анодного питания.

Разбалансировка моста под действием АРУ приводит к увеличению тока через индикатор. Минимальный ток ламп, получающих напряжение АРУ, соответствует точной настройке на станцию.
Сопротивления R1 и R2 (по несколько сотен ом) подбираются так, чтобы при отключенной антенне падение напряжения на них от анодного тока было одинаковое и составляло 5—10 в. Сопротивление R3 ограничивает ток через прибор и подбирается при настройке на мощные местные радиостанции. Такой индикатор позволяет грубо судить также о величине ВЧ-сигнала на входе радиоприемника.





