Стабильный бестрансформаторный усилитель НЧ
И. АКУЛИНИЧЕВ, Радио №4/1967, ст.28
При создании усилителей, предназначенных для высококачественного воспроизведения звуковой частоты, многие конструкторы используют широкие возможности бестрансформаторных усилителей НЧ. Однако обилие схем таких усилителей и множество предложений по их усовершенствованию свидетельствуют о том, что ряд вопросов повышения надежности бестрансформаторных усилителей все еще ждет своего решения.
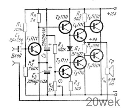
Усилитель, построенный по схеме, приведенной на рисунке, имеет гальванические связи между всеми четырьмя каскадами, а звуковая катушка громкоговорителя включена между средней точкой последовательно соединенных транзисторов Т6, Т7 выходного каскада и эмиттером транзистора Т1 входного каскада. Поскольку база Т1 соединена со средней точкой источника питания (через делитель R1, R2), то по принципу классического стабилизатора напряжения обеспечивается надежное симметрирование мощных транзисторов по постоянной составляющей.

Для устранения амплитудных искажений, свойственных обычным усилителям, в качестве коллекторной нагрузки транзистора Т2 использовано внутреннее сопротивление транзистора Т3. Это обеспечивает также стабильность тока в цепи диода Д1 при амплитудных значениях переменного напряжения на коллекторах T2, Т3, близких напряжению источника питания.
Входное сопротивление усилителя 20 ком. Выходную мощность 3 ва он отдает при входном напряжении 4—6 мв. Усилитель хорошо работает от звукоснимателя, микрофона и даже от головки магнитофона «Комета» на нагрузку — громкоговоритель типа «Кинап». При согласовании с усилителем акустического агрегата суммарное сопротивление нагрузки должно быть в пределах 6—10 ом.
В усилителе использованы два электролитических конденсатора (С2, С3) емкостью по 2000 мкф, обеспечивающие частотную развязку в цепи обратной связи. На схеме не изображены обычные цепи регулировки усиления и тембра. Поскольку нижний по схеме конец входной цепи и звуковая катушка громкоговорителя находятся под постоянным напряжением, то в случае необходимости заземления их усилитель нужно питать от изолированного источника.
У автора в течение двух лет усилитель работает в качестве УНЧ телевизора и питается от общего (заземленного) источника, однако для этого пришлось устранить гальваническую связь дискриминатора и регулятора громкости с «землей».
Первое подключение к собранному усилителю источника питания необходимо произвести через миллиамперметр и включенный последовательно с ним переменный резистор в 200 ом. Убедившись в том, что ток покоя усилителя не превышает 25—30 ма, сопротивление в цепи питания можно уменьшить до нуля.
При напряжении источника питания 17—18 в ток покоя должен быть равен 20—25 ма. Если ток покоя велик, то следует несколько уменьшить (но не меньше 3 ма) коллекторный ток транзисторов Т2, Т3 или заменить диод Д1 (предварительно отключив источник питания). Диод лучше брать плоскостной германиевый типа ДГ-Ц20-24 или Д7В.
После установки тока покоя необходимо проверить вольтметром симметричность плеч выходного каскада между точкой «+9 в» и плюсом и минусом источника питания. Если эта симметрия нарушена, нужно подобрать величину’ резистора R7. На этом налаживание усилителя заканчивается. Если возникает необходимость расширения полосы пропускания усилителя в сторону низших частот (например, для регистрации физиологических параметров), то это можно еде лать посредством положительной обратной связи с выхода второго каскада на вход первого через цепь с большой постоянной времени.
От редакции. В лаборатории журнала «Радио» были проведены испытания описанного выше усилителя НЧ. Ток покоя усилителя не превышал значений, рекомендуемых для бестрансформаторных усилителей с оконечными транзисторами типа П201— П203. Так, при напряжении источника питания 4,5 В ток покоя был равен 2 ма, при 6 в — 4 ма; 8 в — 6 ма; 10 в — 10 мс; 12 В — 13 ма; 14 В — 17 ма; 16 В — 21 ма и 18 В — 25 ма.
Зависимость максимальной выходной мощности усилителя от напряжения источника питания при коэффициенте нелинейных искажений, не превышающем 5%, и сопротивлении нагрузки 6 ом на частоте 1000 гц характеризуется следующими цифрами: при напряжении питания 4,5 В — 0,24 вт; 6 в — 0,32 вт;
Потребляемый ток при работе усилителя в режиме максимальной мощности при напряжении питания 4,5 в составил 100 ма; 6 в — 130 ма; 8 в — 180 ма; 10 в — 235 ма; 12 в — 285 ма; 14 в — 350 ма; 16 в — 400 ма и 18 в — 455 ма.
Полоса пропускания усилителя находится в пределах 17 гц-5 кгц (при неравномерности 6 дб) и вполне приемлема для воспроизведения низких и средних частот. Усилитель обладает высокой чувствительностью. Для получения максимальной выходной мощности на вход усилителя необходимо подать напряжение сигнала около 2 мв.
Следует отметить, что, как и во всех других усилителях НЧ, собранных по бестрансформаторной схеме, ток, потребляемый усилителем, возрастал по мере увеличения частоты усиливаемого сигнала, что связано с плохими частотными свойствами транзисторов типа П201. В связи с этим при использовании усилителя в условиях резко изменяющейся температуры окружающей среды целесообразно устанавливать выходные транзисторы на радиаторы или применить более высокочастотные транзисторы, например типа 1Т403. Более подробно о частотных свойствах транзисторов, используемых в выходных каскадах бестрансформаторных усилителей НЧ, см. на стр. 29—31. » Усилитель испытывался также в работе от проигрывателя и приемника с громкоговорителем мощностью 4 вт, показав хорошие результаты.
