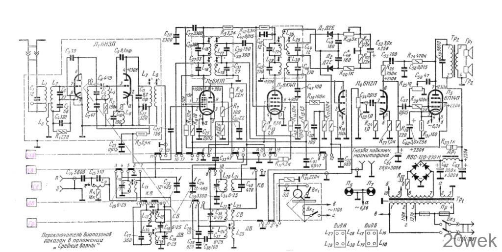
РАДИОЛА «Сириус-5»
А. АКСЕНОВ, Г. ЕХЛАКОВ, Радио №4/1967, ст.32

Основные технические данные. Радиоприемник радиолы «Сириус-5» предназначен для приема программ радиовещательных станций в диапазонах длинных (2000—735 м; 150—408 кгц)’, средних (571 —187 м, 525—1605 кгц); коротких (75—25 м, 3,95—12,1 Мгц) и ультракоротких (4,56—4,11 м, 65,8— 73 Мгц) волн. Реальная чувствительность приемника при работе с внешней антенной и выходной мощности 50 мвт в диапазонах длинных и средних воли 120—150 мкв’, в диапазоне коротких воли 200—250 мкв’, в диапазоне УКВ 20—25 мкв.
В тракте AM промежуточная частота 465 кгц, в тракте ЧМ — 6,5 Мгц’, ширина полосы пропускания 120— 180 кгц. Избирательность приемника по AM тракту при расстройке 10 кгц 27—30 дб. В тракте ЧМ усредненная крутизна скатов резонансной характеристики в интервале ослабления сигналов от 6 до 26 дб — 0,17 дб/кгц. Избирательность по зеркальному каналу 26— 30 дб. Система АРУ в приемнике обеспечивает изменение сигнала на выходе приемника 8 дб при изменении сигнала на входе 26 дб.



