СИСТЕМЫ АРУ НА ТРАНЗИСТОРАХ
И. Василькевич, Радио №4/1964, ст.34
Одной из причин, затрудняющих создание эффективной системы АРУ на транзисторах, является отсутствие достаточно хорошей схемы детектора АРУ, которая развивала бы необходимую для управления мощность и в то же время была простой и температурно-стабильной. Чтобы получить достаточную мощность в большинстве схем сигнал АРУ после детектирования усиливается по постоянному току. Создать же температурно-стабильный усилитель постоянного тока, как известно, достаточно трудно.
Детектор АРУ, схема которого приведена на рис. 1, будучи предельно простым, не только развивает мощность, достаточную для регулирования, не требует усилителя постоянного тока, но и обладает достаточной температурной стабилизацией. В диапазоне температур от —60° до +60° температурный дрейф такого детектора, приведенный ко входу для германиевого транзистора П402, не превышает 1,5 мвГ С. Повышенная температурная стабильность схемы объясняется тем, что по постоянному току ее свойства близки к схеме с общей базой, так как база и эмиттер транзистора соединены через катушку связи, сопротивление которой постоянному току практически равно нулю. Напряжение задержки детектора около 200 мв.

При высокочастотном сигнале, превышающем напряжение задержки, транзистор открывается, й на его эмиттере возникает постоянное напряжение, которое создается при прохождении тока эмиттера через сопротивление R. При дальнейшем росте сигнала (рис. 2) эмиттерный ток транзистора быстро увеличивается до насыщения и напряжение на эмиттере относительно земли становится практически равным напряжению питания.

На рис. 2 и 3 приведены зависимости постоянного напряжения регулирования Еэз и входного сопротивления детектора АРУ от величины входного сигнала при различных величинах сопротивления R в цепи эмиттера при температуре 18° С. В несложных приемниках, работающих в диапазоне температур -10° — +30°, можно использовать схему детектора АРУ, приведенную на рис. 4 в статье И.Василькевича («Радио» № 1, стр. 49—52, 1964 год).

На управляемый делитель напряжение АРУ подается через фильтрующую RC-цепочку. Постоянная времени АРУ т=RC выбирается из обычных соображений: для вещательных и телефонных приемников порядка 0,2—0,02 сек для телеграфных 0,1 — 1 сек.,
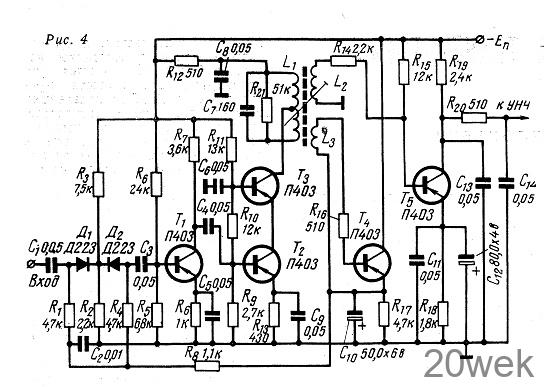
Полная практическая схема усилителя ПЧ с системой АРУ приведена на рис. 4. В схеме применены раздельные детекторы сигнала и АРУ. Верхняя частота модуляции, пропускаемая П-образным фильтром C13R20C14, включенным в коллектор детектора сигнала составляет 4000 гц. Сопротивление R14, включенное между базой транзистора Т5 и катушкой связи, увеличивает входное сопротивление детектора сигнала и одновременно повышает температурную стабильность. Следует помнить, что электролитический конденсатор на частотах выше 20—30 кгц является уже не емкостью, а индуктивностью, поэтому электролитический конденсатор С12 для развязки по высокой частоте в эмиттере транзистора T5 нужно зашунтировать бумажным или керамическим конденсатором порядка 0,01—0,05 мкф.

Контур L1C7 вместе с катушками связи L2, L3 выполнен в броневом сердечнике типа СБ-1а и имеет 160 витков провода ПЭВ-0,1 с отводом от 80 витка. Катушки связи имеют по 26 витков провода ПЭВ-0,1. Средняя частота настройки контура 465 кгц.
Система АРУ усилителя построена по принципу управляемого делителя. Напряжение с детектора АРУ (транзистор Т4) через цепочку R1C2R8C10 подается на управляемый делитель. При отсутствии сигнала через нее протекает ток порядка 110 мка. Величина этого тока устанавливается соответствующим выбором величин сопротивлений делителя R2R3. Чтобы при работе системы АРУ потенциал катодов диодов Д1 и Д2 не менялся, ток делителя R2R3 должен в 5—10 раз превышать максимальный ток через диоды (0,5—1 ма).
Коэффициент усиления по напряжению со входа на выход детектора, нагруженного на эквивалент входного сопротивления усилителя НЧ, равный 470 ом и составляет около 400 (100 мкв на входе и 40 мв на выходе детектора).

Система АРУ срабатывает при сигсигнале на входе усилителя ПЧ около 300 мкв и при дальнейшем увеличении сигнала вплоть до 400 мв, то есть при изменении напряжения на входе более чем в тысячу раз напряжение на выходе практически не меняется (рис. 5). Указанная величина задержки АРУ (300 мкв) осуществляется выбором соответствующих коэффициентов включения детекторов сигнала и АРУ в контур L1C7 (пс= пару— 1/6. При увеличении сигнала на входе усилителя ПЧ до 1 в нелинейных искажений сигнала на выходе детектора визуально не наблюдается.

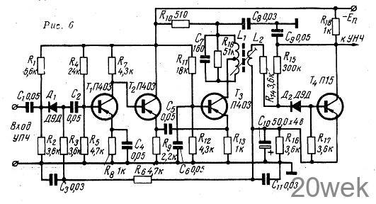
На рис. 6 приведена другая практическая схема усилителя ПЧ. Она проще предыдущей но обладает несколько худшими параметрами. База транзистора Т2 непосредственно соединена с коллектором транзистора Т1. Это позволяет хорошо застабилизировать этот каскад по постоянному току, не шунтируя его вход сопротивлениями температурной стабилизации. В усилителе использован комбинированный детектор сигнала и АРУ, описанный в «Радио» № 1 за 1964 год, стр. 52. Управляемый делитель выполнен на германиевом диоде Д9Д, начальный ток через диод 100 мка. Система АРУ срабатывает при сигнале на входе усилителя около 250 мкв. При увеличении входного сигнала от 250 мкв до 70 мв (то есть в 280 раз) напряжение на выходе детектора меняется в 2 раза. Предельно-устойчивый коэффициент усиления по напряжению этого усилителя около 1000. Требуемый коэффициент усиления (меньше предельно-допустимого) можно получить соответствующим выбором резонансного сопротивления контура L1C7, включенного в коллектор транзистора Т3.

Режимы усилителей по постоянному току для различных напряжений питания приведены в таблице 1.





