РЕГУЛЯТОР НАПРЯЖЕНИЯ
Е. ИСПУГАНОВ, Радио №2/1964, ст.49
Автоматический регулятор напряжения, схема которого приведена на рис. 1, позволяет получать на выходе стабилизированное напряжение 127±5 в и 220± 9 в при колебаниях напряжения сети в пределах 50—250 в.

Регулятор представляет собой автотрансформатор ЛАТР-1, подвижной контакт которого перемещается реверсивным асинхронным двухфазным двигателем. Включение и выключение двигателя производится автоматически блоком управления.
Напряжение сети подается на зажимы «нагрузка» автотрансформатора, а стабилизированное напряжение снимается с зажимов «127 в» и «220в». (рис. 2). Такой способ включения расширяет диапазон регулирования и независимо от напряжения сети сохраняет постоянным число витков на вольт, что является существенным при повышении напряжения в сети выше номинального.

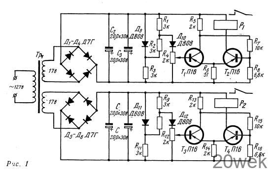
Блок управления. Блок управления (рис. 1) состоит из двух идентичных спусковых схем, понижающего трансформатора Тр1 и двух реле Р1 и Р2.
Условимся спусковую схему, собранную на транзисторах Т1 и Т2, в дальнейшем называть спусковой схемой I, а схему, собранную на транзисторах Тз и Т4— спусковой схемой II.
Спусковая схема I имеет два устойчивых состояния равновесия. В первом состоянии транзистор Т1 находится в режиме насыщения, а транзистор Т2 — заперт. Во втором, устойчивом состоянии, наоборот, транзистор Т1 заперт, а транзистор Т2 находится в режиме насыщения, и через обмотку реле P1 протекает ток, несколько превышающий ток срабатывания реле.
Переброс спусковой схемы из второго состояния в первое происходит при потенциале базы транзистора T1, по абсолютной величине превышающем напряжение смещения, создаваемое на сопротивлении R6. Порог срабатывания спусковой схемы устанавливается с помощью цепочки сопротивлений R1 R2 R3 R4 и двух стабилитронов Д9 и Д10. При колебаниях напряжения сети изменяется коллекторное напряжение Ек. Напряжение смещения при этом меняется пропорционально изменению Ек, а приращение напряжения на базе транзистора Т1, Т2, снимаемого с сопротивления Р4, примерно равно изменению напряжения Ек. Таким образом, при повышении напряжения сети потенциал базы превышает напряжение смещения, и спусковая схема перебрасывается в первое устойчивое состояние, а при понижении напряжения сети, когда потенциал базы по абсолютной величине станет меньше напряжения смещения — во второе. Работа спусковой схемы II аналогична.
При нормальном напряжении сети спусковая схема I находится во втором, а спусковая схема II в первом устойчивых состояниях. В качестве реле Р1 используется реле с нормально замкнутыми, а реле Р2— с нормально разомкнутыми контактами. Следовательно, при нормальном напряжении сети напряжение на обмотки двигателя не подается. При повышении напряжения сети спусковая схема I перебрасывается в первое устойчивое состояние, двигатель (включенный при налаживании соответствующим образом) включается и перемещает подвижной контакт автотрансформатора так, что напряжение на выходе уменьшается до номинального, после чего спусковая схема I переходит опять во второе устойчивое состояние, выключая двигатель. Переброса спусковой схемы II при этом не происходит. При понижении напряжения сети постоянство напряжения на выходе обеспечивается работой спусковой схемы II. Конденсатор С1 (рис. 2) включается для создания сдвига фаз между токами в обмотках двигателя.
Детали. Трансформатор Тр1 выполнен на сердечнике Ш 16X26. Первичная обмотка имеет 1525 витков провода ПЭВ-0,16, а вторичные обмотки — по 205 витков ПЭВ-0,27.
Реле P1 и Р2 должны иметь сопротивление обмотки порядка 500 ом и ток срабатывания не более 30 ма, например типа РЭС-9 или РЭС-10. Величина сопротивления, включенного между R9 и R11 равна 3 ком.
В выпрямителе могут быть применены диоды любого типа с рабочим напряжением не менее 25 в и током не менее 50 ма. В спусковых схемах применены транзисторы типа П16. Реверсивный двигатель, вал которого соединяется с осью подвижного контакта, должен иметь редуктор, позволяющий получить на выходном валу 5-10 об/мин, например, типа РД-09 с редуктором 1:137.
При установке двигателя следует обратить особое внимание на то, чтобы двигатель, подвижная ось и корпус автотрансформатора не образовали короткозамкнутого витка вокруг магнитопровода автотрансформатора. Несоблюдение этого условия ведет к перегреву автотрансформатора и его выходу из строя.
Устраняется это явление при помощи изоляционных прокладок толщиной 1,5-2 мм, устанавливаемых между корпусами автотрансформатора и двигателя.
Налаживание. Если все детали предварительно проверены, и их номиналы не отличаются от указанных в схеме, налаживание регулятора сводится к подгонке уровней срабатывания спусковых схем и соответствующему подключению обмоток реверсивного двигателя. Для этого, сняв двигатель, подают на зажимы «нагрузка» напряжение от сети и, перемещая от руки подвижной контакт автотрансформатора, изменяют напряжение на спусковых схемах. Потенциометр R4 устанавливают в такое положение, при котором замыкание контактов реле Р1 происходит при напряжении 132в. Затем, снижая напряжение, определяют напряжение срабатывания реле. Разность между этими напряжениями должна быть порядка 2-3 в. Если же эта разность больше или состояние спусковой схемы не устойчивое, следует, изменяя величину сопротивления R5 в коллекторной цепи транзистора T1, добиться четкого срабатывания реле при минимальной разности напряжений отпускания и срабатывания реле Р1. Выбор режима работы спусковой схемы II производится аналогично. Напряжение срабатывания реле Р2 устанавливается равным 122 в потенциометром R12. После этого обмотки двигателя следует подключить так, чтобы при замыкании контактов реле Р1 двигатель перемещал подвижной контакт автотрансформатора в сторону уменьшения напряжения на выходе, а при замыкании контактов реле Р2 — в сторону увеличения выходного напряжения.





