Регулирование числа оборотов миниатюрных электродвигателей постоянного тока
Радио №9/1964, ст.54
У магнитофонов и проигрывателей, снабженных малогабаритными батарейными электродвигателями, поддержание постоянства числа оборотов вала электродвигателя вызывает определенные трудности.
Относительно большое внутреннее сопротивление батареи, постепенно спадающее (из-за разрядки батареи) напряжение питания, потери на трение в подшипниках лентопротяжного механизма, а также между лентой и деталями, которых она касается при своем движении, вызывают сильные колебания числа оборотов ведущего вала.
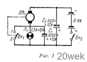
В практике для поддержания нужного числа оборотов часто применяют двухпозиционное регулирование при помощи центробежного выключателя (рис. 1). Действие его основано на том, что при уменьшении числа оборотов двигателя замыкается сопротивление в цепи его питания и напряжение на обмотке электродвигателя вследствие этого возрастает, а значит, возрастает и число оборотов. По достижении номинального числа оборотов контакты 1—2 центробежного регулятора разрываются, напряжение на двигателе понижается, и число его оборотов снова начнет уменьшаться. Таким образом, число оборотов электродвигателя, снабженного центробежным регулятором с контактной группой (1 — 2), будет автоматически поддерживаться постоянным.

В таких простейших автоматических регуляторах в качестве гасящего сопротивления обычно используют индикаторную лампу 2,5— 3,5 в с током питания, близким по величине нормальному току, потребляемому электродвигателем. Подобное автоматическое устройство, хотя и кажется очень простым, на деле оказывается достаточно трудновыполнимым, так как для достижения требуемой точности регулировки числа оборотов детали регулятора следует выполнять с большой точностью. Кроме того, так как контакты 1—2 разрывают цепь с относительно большим током, то их рабочие поверхности быстро обгорают. Их нужно постоянно прочищать и время от времени заменять новыми.
В эксплуатации более удобно поддерживать постоянство числа оборотов двигателя автоматическим регулятором с применением транзистора (рис. 2)

Действие его заключается в том, что при изменении тока базы резко изменяется сопротивление перехода эмиттер-коллектор, а так как этот участок включен в цепь питания электродвигателя, то, следовательно, изменяется и величина тока в этой цепи.
При значительном снижении числа оборотов двигателя контакты 1—2 (рис. 2) замкнутся, на базу транзистора Т1 поступит большое отрицательное напряжение. Вследствие этого сопротивление участка коллектор-эмиттер становится весьма малым, и ток в цепи питания двигателя, а значит и число его оборотов возрастают. Когда обороты двигателя несколько превысят номинальное значение, контакты 1—2 центробежного регулятора разомкнутся, сопротивление участка коллектор-эмиттер возрастет до нескольких сотен ом, ток в цепи двигателя уменьшится, и он начнет снижать число оборотов.
Таким образом удается поддерживать скорость вращения двигателя с отклонением числа оборотов от номинального в допустимых пределах (около ±2%). Поскольку ток базы транзистора Т1 очень мал (не превышает 1 ма), то режим управления током якоря двигателя значительно облегчается. При этом не только не происходит обгорание контактов 1—2 центробежного регулятора, но и резко уменьшаются помехи от искрения при их разрыве.
Автоматическое устройство с транзистором более надежно и удобно в эксплуатации
От редакции. В случае постройки автоматического устройства по схеме рис. 2, следует иметь в виду, что транзистор Т1 должен пропускать полный рабочий ток двигателя.
Для предохранения транзистора Т1 от пробоя цепь его базы не должна обрываться, для этого в схему рис, 2 следует включать сопротивление около 20 к, соединяющее нижний конец сопротивления с эмиттером (а следовательно, с плюсом батареи).





