Простой полуавтоматический ключ
В. Жуков, Радио №12/1965, ст.22
Описываемый ниже полуавтоматический ключ прост по конструкции, не требует никакой регулировки, имеет маленькие размеры (150Х 120X35 мм) и хорошо работает до скорости 250—300 знаков в минуту. Упрощенная схема ключа, по которой будет рассмотрен принцип его работы, изображена на рис. 1.

Основу ключа составляют два релаксационных генератора, каждый из которых нагружен половиной обмотки поляризованного реле РП-4 (Р2). Верхний (по схеме) генератор, собранный на неоновой лампе Л1, управляет длительностью сигналов (точек или тире), а нижний, собранный на неоновой лампе Л2,— длительностью паузы. При подаче напряжения питания якорь КР2 реле Р2 займет верхнее (по схеме) положение. Если до подачи напряжения якорь занимал нижнее положение, то при включении источника питания к нему будет присоединена зарядная цепь R3С2 релаксационного генератора, собранного на неоновой лампе Л2. Как только напряжение на конденсаторе С2 достигнет потенциала зажигания лампы Л2, он разрядится через эту лампу и половину обмотки реле Р2. Реле Р2 сработает, его якорь перебросится в верхнее (по схеме) положение и замкнет цепь источник питания — рычаг ключа. Если теперь замкнуть рычаг ключа К с контактом «точки», то сработает исполнительное реле Р1, замыкая свои контакты KP1 манипулирующие цепи передатчика. Одновременно напряжение питания будет подано на зарядную цепь R1С1 релаксационного генератора на неоновой лампе Л1 и начнется передача сигнала (точки). Длительность сигнала будет зависеть от времени нахождения якоря реле Р2 в верхнем положении, так как исполнительное реле Р1 питается через якорь. Продолжительность нахождения якоря в верхнем положении зависит от постоянной времени цепи R1C1 релаксационного генератора на лампе Л1. Процесс работы этого генератора протекает точно так же, как у генератора на лампе Л2 (см. выше), с той разницей, что якорь реле Р2 перебрасывается в нижнее (по схеме) положение. При этом размыкаются цепь питания и контакты исполнительного реле Р1. Передача точки заканчивается и начинается пауза. Длительность ее зависит от продолжительности нахождения якоря реле Р2 в нижнем положении, а эта продолжительность, в свою очередь, определяется постоянной времени цепи R3C2 генера тора на лампе Л2. Работа этого генератора уже была описана. Так как длительность паузы равна длительности точки, то постоянные времени цепей R3C2 и R1C1 должны быть равны. Если С1 = С2, то R3 = R1 Точно так же ключ работает при передаче тире, но ввиду того, что длительность тире в три раза больше длительности точки, то сопротивление R2, определяющее время заряда конденсатора С1 во время передачи тире, должно быть в три раза больше сопротивления R1.
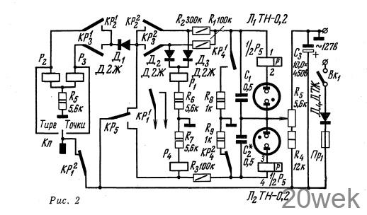
Полная схема ключа приведена на рис. 2. В этой схеме предусмотрены дополнительные цепи, благодаря которым исключаются ошибки оператора, которые могут иметь место при передаче знаков на ключе, собранном по схеме рис. 1. Кроме того, в ключе по рис. 2 можно плавно регулировать скорость работы.

Чтобы исключить прекращение передачи точки или тире при преждевременном переводе рычага ключа в нейтральное или другое рабочее положение (что наблюдается при сборке ключа по схеме рис. 1), при срабатывании пусковых реле Р2 (передача тире) или Р3 (передача точек) они самоблокируются через якорь реле РП-4 (КР5), диод Д2Ж (Д1) и свои контакты КР1/2 или КР1/3.
Если оператор до конца знака переведет рычаг ключа в другое рабочее положение, например из положения «тире» в положение «точки», то формирование последних начнется только после окончания тифе и паузы, так как в момент передачи того или иного знака цепь ключа разрывается контактами КР2/1 исполнительного реле Р1 и пусковое реле точек Р3 не может сработать (при передаче точек соответственно исключается возможность срабатывания пускового реле Р2). При начале паузы контакты КР2/1 замкнутся и реле Р3 (или Р2) сработает, но передача точек (или тире) не начнется, так как якорь КР5 поляризованного реле будет в это время находиться в нижнем (по схеме) положении и питание на обмотку исполнительного реле Р1 не поступит.
Дополнительное реле Р4 срабатывает во время паузы и предназначено для приведения зарядных напряжений конденсаторов С1 и С2 к постоянному начальному уровню. Если не сделать этого, то первые знаки (точки, тире, паузы) будут больше по длительности, чем последующие, так как конденсаторы С4 и С2 до следующего зарядного цикла не успевают полностью разрядиться и остаются под напряжением, примерно равным потенциалу гашения неоновых ламп Л1 и Л2.
Плавная регулировка скорости осуществляется путем подачи на катоды ламп Л1 и Л2 смещающего напряжения с делителя R4R5. Тогда конденсаторы С1 и С2 должны быть заряжены до напряжения, которое больше потенциала зажигания ламп Л1 и Л2 на величину смещения. На это потребуется больше времени. Следовательно, при введении смещающего напряжения уменьшится скорость работы. Соотношение знаков (точек, тире, пауз) при изменении скорости передачи остается строго постоянным.
Основной частью ключа является поляризованное реле типа РП-4. Реле Р2 и Р3 применены типа РСМ-1, a Р1 и Р4 — РСМ-2. Их можно заменить на РФО, РЭС-9 или любые другие с соответствующими контактными группами и малой потребляемой мощностью. При замене реле необходимо подобрать гасящие сосопротивления в их цепях. Конденсатор фильтра выпрямителя следует брать не менее 10 мкф. В противном случае реле при срабатывании будут вибрировать. Питать ключ можно как от сети 127 V, так и 220 в. В последнем случае следует увеличить значения всех сопротивлений ключа примерно в два раза. Следует иметь в виду, что ключ нельзя собирать на металлическом шасси, используя его в качестве «земли», так как в этом случае на шасси будет присутствовать полное напряжение сети. Никакого налаживания ключ не требует, следует лишь подобрать неоновые лампы Л1 и Л2 с одинаковым потенциалом зажигания. Если такой возможности нет, то нужно подобрать сопротивления R3.
Выполненный по этой схеме ключ за время длительной эксплуатации на радиостанциях автора и UA3FI работал хорошо и надежно.





