Приемник радиоспортсмена (АМ + SSB)
А. Тарасов, Радио №8/1964, ст.33
Приемник предназначен для приема сигналов любительских радиостанций, работающих телеграфом (CW), телефоном с амплитудной модуляцией (AM) и на одной боковой полосе (SSB) в диапазонах 80, 40, 20, 14 и 10 метров. Чувствительность при отношении сигнала к шуму 3 : 1 на всех любительских диапазонах не хуже 1,5 мкв. Необходимая избирательность во время работы в режимах AM и SSB достигается при помощи фильтра сосредоточенной селекции с полосой пропускания 4000 гц и коэффициентом прямоугольности на уровне 0,01 не хуже двух. При работе телеграфом для улучшения избирательности применяется кварцевый фильтр, пропускающий полосу частот 400 гц. Избирательность по зеркальному каналу при значении первой ПЧ 1000-1500 кгц не хуже 50 дб. Выход приемника рассчитан на подключение низкоомных головных телефонов и встроенного громкоговорителя 0,1 ГД-3. Приемник питается от двух батарей КБС-Л-0,5. Потребляемый ток не, превышает 30 ма. Внешний вид приемника.

Кроме своего основного назначения приемник может быть также использован для работы в средневолновом радиовещательном диапазоне.

Схема. Приемник построен по схеме с двойным преобразованием частоты (см. рис. 1). Входная часть его (конвертер) содержит перестраиваемый преселектор с одним каскадом усиления ВЧ, смеситель и гетеродин с фиксированными для каждого поддиапазона частотами настройки. Начиная со входа первой ПЧ приемник представляет собой однодиапазонный супергетеродин (интерполятор), состоящий из обычных элементов: перестраиваемой входной части (являющейся в данном случае фильтром первой ПЧ), сопряженного с ней гетеродина, смесителя, усилителя ПЧ и т. д. Таким образом установка требуемого поддиапазона производится переключением элементов конвертера, а выбор частоты внутри поддиапазона — перестройкой интерполятора. Более подробно работа приемника, построенного по такой блок-схеме описана в статье В. Комылевича (UA1CJ) («Радио» 1961 г., № 1). Преселектор конвертера имеет два поддиапазона, перекрывающие полосы частот от 3 до 10 Мгц и от 10 до 30 Мгц. Гетеродин первого преобразователя выполнен с кварцевой стабилизацией частоты. Частоты гетеродина выбраны так, чтобы начала всех любительских диапазонов на шкале интерполятора находились в одной точке. Это позволило использовать одну и ту же шкалу точной настройки. Для упрощения конструкции приемника в нем перекрывается только часть десятиметрового диапазона (от 28,5 до 29,5 Мгц).

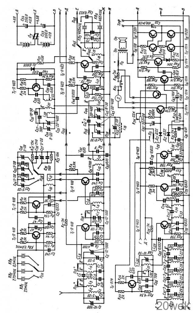
Принципиальная схема приемника приведена на рис. 2. На входе приемника включен двухконтурный полосовой фильтр с комбинированной емкостной связью. Настройка фильтра и контура в коллекторной цепи транзистора T1 производится строенным блоком конденсаторов переменной емкости C1, С2 С11. На поддиапазоне 3— 10 Мгц индуктивностями контуров полосового фильтра, а также контура усилителя ВЧ служат катушки L2, L4 и L6, на втором поддиапазоне (10—30 Мгц) параллельно к ним, с помощью переключателя П1 подключаются катушки Lз, L5 и L7. Усилитель ВЧ собран на транзисторе П410 (T1) по схеме с общей базой. В описываемом приемнике схема с общей базой используется во всех каскадах усилителей ВЧ и ПЧ. По мнению автора, хотя эта схема дает меньшее усиление, но является более устойчивой в работе и не вызывает трудностей при налаживании.
В приемнике применена несколько своеобразная схема питания. В нем заземлен не плюс, а минус батареи питания, причем средняя точка батарей (+4,5 в) используется для питания базовых цепей, а напряжение всей батареи (+9 в) — для питания эмиттерных цепей. При такой схеме питания транзисторов контуры, включенные в коллекторные цепи, оказываются «заземленными», что уменьшает опасность возбуждения усилителей ВЧ и ПЧ. Сопротивления, включенные в эмиттерные цепи, обеспечивают необходимую стабилизацию режимов транзисторов по постоянному току и одновременно являются сопротивлениями развязывающих фильтров. Режимы транзисторов по постоянному току при таком их включении определяются, в основном, величиной сопротивления в цепи эмиттера и практически не зависят от значения коэффициента усиления по току и других параметров транзисторов. Кроме этого, при выбранной схеме питания потенциалы баз будут постоянно фиксированы, что позволяет получить высокую степень стабилизации без применения делителей для питания баз.
Связь усилителя ВЧ со вторым контуром полосового фильтра осуществляется с помощью катушки связи L8, часть витков которой расположена на каркасе катушки L4, а часть — на каркасе L5. Аналогичную намотку имеет катушка связи с антенной (L1), размещенная на каркасах катушек L2 и L3. Антенная катушка L1 рассчитана на подключение к антенне с волновым сопротивлением 75 ом.
Первый смеситель приемника собран на транзисторе П410 (Т2) по схеме с общим эмиттером для напряжения сигнала и с общей базой для напряжения первого гетеродина. Связь смесителя с контурами усилителя ВЧ и первого гетеродина индуктивная (катушки связи L9 и L11). В коллекторную цепь смесителя через катушку связи L12 включен контур фильтра первой ПЧ.
В первом гетеродине используются два транзистора П410. Первый (Тз) работает в каскаде бесконтурного кварцевого генератора, а второй (Т4) буфером — умножителем частоты. В гетеродине применены четыре кварца на частоты: 5 Мгц — для работы в диапазоне 80 метров (первая гармоника), 8,5 Мгц—- для 40метрового диапазона (первая гармоника), 7,75 Мгц — для 20-метрового диапазона (вторая гармоника — 15,5 Мгц) и 7,5 Мгц для 14 и 10-метровых диапазонов (третья гармоника — 22,5 Мгц и четвертая гармоника — 30 Мгц). Буфер —умножитель гетеродина собран также по схеме с общей базой. В коллекторной цепи умножителя включен контур, состоящий из катушки L1о и емкостей С23—С31, переключаемых одновременно с переключением кварцев. Сопротивления R12 и R13, шунтирующие контур умножителя, включены для того, чтобы выходное напряжение первого гетеродина на всех диапазонах было одинаковым (200 мВ). Конденсатор С22, шунтирующий эмиттерную цепь, служит для получения требуемой формы колебаний и подбирается так, чтобы обеспечить необходимую амплитуду второй, третьей и четвертой гармоник на выходе умножителя. Нагрузкой первого смесителя служит двухконтурный фильтр первой ПЧ. Связь между контурами фильтра емкостная. Настройка фильтра и контура второго гетеродина— производится блоком конденсаторов С35С43С44 в диапазоне 550—1550 кгц. Емкость каждой секции блока изменяется в пределах 20 — 400 пф.
Переключатель Пз служит для перевода приемника на работу в средневолновом диапазоне. При этом вместо катушки первого контура фильтра Д13 к конденсатору С43 подключается катушка индуктивности L16 магнитной антенны, а питание конвертера отключается.
Второй контур фильтра первой ПЧ индуктивно связан со входом второго смесителя, собранного на транзисторе П403 (Т5). Нагрузкой смесителя служит одиночный контур Л17С48, настроенный на частоту 465 кгц. Связь коллекторной цепи транзистора Т5 с этим контуром автотрансформаторная.
Гетеродин второго преобразователя построен на транзисторе П403 (T7) по трехточечной схеме с индуктивной связью. Он генерирует частоты в диапазоне 1015—2015 кгц. В отличие от транзисторов усилителей ВЧ и ПЧ база транзистора T7 питается от делителя напряжения (сопротивления R15 и R16), так как источник питания гетеродина стабилизирован с помощью стабилитрона Д808 (Д1) и не имеет средней точки. Диод Д1 и сопротивление R21 подобраны так, что при изменении напряжения батарей от 9 до 7,5 в напряжение питания транзистора T7 остается неизменным (7,2 в). Напряжение второго гетеродина (150 ±20 мв) с катушки связи L20 подается на эмиттер транзистора Т5 второго смесителя через конденсатор С4б.
По аналогичной схеме собран на транзисторе П14 (T11) гетеродин для приема незатухающих колебаний (третий гетеродин). Для упрощения переключателя телефон — телеграф питание гетеродина осуществляется также без использования средней точки батареи.
Усилитель второй ПЧ — четырехкаскадный на транзисторах П403 (Т6 Т8 Т9 Т10). Первый каскад усилителя нагружается либо на двухкристальный кварцевый фильтр, нагрузкой которого, в свою очередь, является пятизвенный фильтр сосредоточенной селекции (ФСС), либо непосредственно на ФСС. В первом случае полоса пропускания усилителя определяется кварцевым фильтром и равна 400 гц, а во втором случае — фильтром сосредоточенной селекции, полоса пропускания которого 4000 гц. Изменение полосы осуществляется переключателем П4. Нагрузкой второго каскада усилителя служит двухконтурный полосовой фильтр с емкостной связью (L33 С71 и L34 С72), а третьего и четвертого каскадов — одиночные контуры L35С76 и L37 С79. Вторая промежуточная частота равна 465 кгц.
Величина эмиттерного тока транзисторов, включенных по схеме с общей базой, зависит от сопротивления в цепи эмиттера. Усиление каскада, в свою очередь, зависит от величины эмиттерного тока. Это обстоятельство было использовано для создания эффективной системы АРУ путем питания эмиттерных цепей каскадов второй ПЧ через общее регулируемое сопротивление. Таким сопротивлением служит транзистор П14 (Т13). Эмиттер транзистора T13 подключен (через миллиамперметр S-метра) к источнику питания, а в цепь коллектора включены регулируемые каскады. База этого транзистора питается через сопротивление нагрузки усилителя постоянного тока собранного на транзисторе П14 (T12). В отсутствие сигнала напряжение на сопротивлении нагрузки детектора АРУ Дз (R33) равно нулю, транзистор T12 закрыт и напряжение на его нагрузке мало. Поэтому на базу транзистора T13 поступает большое отрицательное (по отношению к эмиттеру) напряжение. Транзистор полностью открывается и практически не влияет на работу регулируемых каскадов усилителей ПЧ. Когда сигнал на выходе усилителя ПЧ достигает определенной величины, напряжение на нагрузке детектора АРУ (Дз) открывает транзистор Т12. Это приводит к увеличению внутреннего сопротивления транзистора Т13, вследствие чего ток регулируемых каскадов уменьшается.
Постоянная времени АРУ зависит от емкости конденсатора C82. Описанное устройство АРУ глубоко и эффективно регулирует усиление. При изменении напряжения на входе приемника на 60 дб, напряжение на его выходе изменяется не более чем на 6 дб.
При переходе в телеграфный режим цепь АРУ разрывается тумблером П5 и одновременно подается питание на третий гетеродин. Для ручной регулировки усиления при работе приемника в телеграфном режиме, когда АРУ выключена, последовательно с транзистором Т13 в цепь питания эмиттеров регулируемых каскадов включен потенциометр R34
В приемнике детектором сигнала служит диод Д2Е (Д2). Нагрузкой его служит потенциометр R32 регулятора громкости. Детектор сигнала работает как в телефонном, так и в телеграфном режимах. Напряжение третьего гетеродина в последнем случае подается на базу транзистора T10, которая подключена к контуру гетеродина L31С66 через конденсатор С78 и катушку связи L32, имеющую малое количество витков, поэтому, когда третий гетеродин выключен, конденсатор С78 оказывается «заземленным» и каскад на транзисторе Т1о работает как обычный усилитель с общей базой.
Усилитель НЧ в приемнике выполнен по бестрансформаторной схеме на шести транзисторах (T14 — Т19). Первые два транзистора (Т14—Т15) работают в каскадах предварительного усиления напряжения, а остальные образуют оконечный каскад, работающий по двухтактной схеме в режиме класса В.
Для измерения уровня принимаемого сигнала предусмотрен S-метр. Миллиамперметр S-метра (на 3 ма) включен в цепь питания эмиттеров каскадов усилителя второй ПЧ. При отсутствии сигнала через транзисторы этого усилителя протекает полный ток и стрелка прибора отклоняется на всю шкалу. По мере увеличения сигнала ток транзисторов уменьшается и стрелка смещается влево. При помощи этого же миллиамперметра можно контролировать напряжение батареи питания, нажав кнопку Кн1. Эта кнопка должна быть без арретира.

Конструкция и детали. Приемник состоит из семи блоков, соединенных штыревыми разъемами. Расположение блоков показано на рис. 3. Каскады приемника, смонтированные на том или другом блоке, обведены на рис. 1 пунктиром. Каждый блок заключен в футляр, изготовленный из листового 3-мм дюралюминия. Крышки футляров сделаны из миллиметрового дюралюминия. Монтаж блоков интерполятора выполнен на платах из 2-мм текстолита. На этих платах установлены пустотелые заклепки, образующие опорные точки для монтажа. Электрические соединения сделаны с одной стороны платы луженым медным проводом без изоляции, диаметром 0,5 мм. Детали установлены с другой стороны платы.
В блоке первого гетеродина и блоке усилителя ВЧ конвертера применен объемный монтаж. Вид на монтаж приемника снизу, а также некоторых блоков показан на вкладке.
Выходной трансформатор Tp1 имеет сердечник из пермаллоя Ш6 X 6. Первичная обмотка трансформатора содержит 350 витков провода ПЭЛ 0,12, а вторичная — 100 витков провода ПЭЛ 0,25.
Данные катушек приемника приведены в таблице.

Переключатель П2 — стандартный одноплатный на пять положений с керамической платой. Так как высота блока первого гетеродина невелика (30 мм), ось переключателя расположена вертикально и связана с осью ручки управления с помощью конических шестерен. Переключатель усилителя ВЧ сделан из деталей стандартного галетного переключателя с гетинаксовыми платами. Переключатели Пз и П4 изготовлены из деталей семиклавишного переключателя поддиапазонов для радиовещательных приемников II класса. Для управления переключателями Пз и П4 необходимо нажать кнопку, выведенную на переднюю панель или, наоборот, вернуть ее в исходное положение.
Для разъемов блоков использованы штырьки и гнезда от разъемов типа ШР. Гнезда вставлены в отверстия, просверленные в прямоугольных брусках из органического стекла толщиной 8 мм и закреплены штифтами. Штырьки закреплены на полосках текстолита толщиной 3 мм, располагаемых на соответствующей стенке блока.
Наружный футляр приемника сделан из дюралюминия толщиной 1,5 мм, покрытого серой эмалью.
Налаживание. Общий порядок налаживания приемника такой же, как у аналогичных (см., например, статью В. Комылевича «Диапазонный коротковолновый приемник» в «Радио», 1961 г., № 1). Особенности налаживания, связанные с применением транзисторов, описаны ниже.
При настройке блоков интерполятора особое внимание следует обратить на смеситель, подбирая транзистор Т5, напряжение подводимое к нему от гетеродина и режим по постоянному току так, чтобы получить наилучшее соотношение сигнал/шум на выходе приемника. Тщательной настройке должны подвергаться также фильтр сосредоточенной селекции и кварцевый фильтр. Первый следует настраивать следующим образом. После предварительной настройки контура L17С48 на вход смесителя подают сигнал с частотой 465 кгц, переключатель П4 устанавливают в положение Широкая полоса, подключают к контуру L23 ламповый вольтметр и, замкнув катушку L24, настраивают контур L23C56 на максимум показаний лампового вольтметра. Затем переносят замыкающую перемычку на катушку L25 и настраивают контур L24C57 на минимум показаний, переносят перемычку на катушку L26 и настраивают контур L25C58 на максимум показаний и т. д. до последнего контура фильтра. Все нечетные контура настраивают на максимум показания лампового вольтметра, а все четные — на минимум. Далее подключают ламповый вольтметр к коллектору-транзистора Т8 и подстраивают первый (L23С56) и последний (L27C64) контуры фильтра по максимуму показаний, а затем проверяют форму кривой избирательности обычным способом.
При настройке кварцевого фильтра важно точно настроить контур L19 С50, а затем с помощью дифференциального конденсатора С51 и перестройкой в небольших пределах контура L23C56 добиться симметричной формы кривой избирательности фильтра и наибольшего затухания за пределами полосы пропускания. Кварцы фильтра должны быть подобраны так, чтобы их частоты отличались друг от друга на 250—300 гц.
При настройке цепей АРУ следует подобрать сопротивление, R35 так, чтобы падение напряжения на транзисторе T13 без сигнала составляло 0,3 — 0,4 в. Напряжение третьего гетеродина на базе транзистора Т1о должно быть таким, чтобы он не переходил в режим ограничения (на контуре L37C79 напряжение не должно превышать 1,5 в).
При настройке первого гетеродина целесообразно предварительно точно замерить индуктивность катушки L10 рассчитать величины емкостей контура для каждого значения частоты и подключить соответствующие конденсаторы (с некоторым отклонением в меньшую сторону). Затем с помощью малоемкостного градуированного конденсатора переменной емкости, надо точно подобрать емкость
дополнительных конденсаторов. Окончательную настройку контура умножителя следует производить с помощью конденсаторов С23—С27, после подключения его к смесителю. Настройку усилителя ВЧ необходимо начинать с поддиапазона 3 — 10 Мгц и только после его окончательной настройки переходить к поддиапазону 10 — 30 Мгц. Емкость конденсатора связи С5 во входном фильтре (доли пф) следует подбирать на верхней части второго поддиапазона так, чтобы получить максимальный коэффициент передачи фильтра, но и не допустить провала в его частотной характеристике. Чтобы получить хорошую чувствительность приемника, целесообразно подобрать наименее шумящие транзисторы T1 и Т2. Конденсатор С14, шунтирующий коллекторную цепь смесителя, подбирают так, чтобы получить хорошую фильтрацию напряжения первого гетеродина. Однако при этом нельзя допускать, чтобы частота резонанса контура, образованного емкостью конденсатора С14 и катушкой L12, попала в диапазон перестройки интерполятора. Следует отметить также, что чувствительность приемника можно улучшить, если изменить конструкцию переключателя катушек УВЧ. Использование только одного контакта на замыкание как это сделано в приемнике, не позволяет осуществить автотрансформаторную связь коллекторной цепи транзистора T1 с контуром L6L7 для оптимального согласования выходного сопротивления транзистора с сопротивлением нагрузки.
Для улучшения условий приема, в режиме SSB целесообразно изменить также схему детектора сигнала, применив одну из разновидностей балансных схем.
Построенный приемник был испытан радиоспортсменом-коротковолновиком И. Жученко (UA1CC), ездившим с ним в SSB экспедицию по Таджикской ССР. В экспедиции приемник работал хорошо и вполне удовлетворил радиоспортсмена.





