Приемник для „Охоты на лис“
Ю. ТАГОТИН, Радио №3/1967, ст.20
Приемник предназначен для «охоты на лис», ведущих передачи на частотах 28 4-29,7 Мгц. Его полный рабочий диапазон простирается от 27,9 Мгц до 29,8 Мгц. Чувствительность приемника, измеренная с базы первого транзистора при напряжении на головных телефонах 0,25 в, составляет 3 мкв. Регулировку чувствительности возможно осуществлять в пределах не менее 60 дб. Полоса пропускания приемника на уровне 0,7 равна 10 кгц.
Приемник питается от аккумулятора 7Д-0,1 и потребляет ток не более 15 ма.
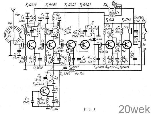
Схема (рис. 1). Приемник оснащен рамочной (Ар) и штыревой (Аш) антеннами. Напряжение сигналов «лис», наведенное в этих антеннах, поступает на базу транзистора П410 (Т1) каскада усиления ВЧ. Этот каскад собран по схеме с общим эмиттером. Контур которым нагружен каскад, настроен на частоту 29,1 Мгц. Транзистор П410 (Т1) может быть заменен П403, но при этом ухудшается чувствительность приемника.

С контура L1C4 усиленный сигнал через катушку связи L2 и конденсатор С6 подается на базу транзистора П403 (T2) преобразовательного каскада. По отношению к входному сигналу этот каскад собран но схеме с общим эмиттером. Напряжение гетеродина вводится в эмиттерную цепь преобразовательного транзистора. Нагрузкой преобразователя служит контур L3С8, настроенный на промежуточную частоту, которая равна 2 Мгц.
Гетеродин приемника выполнен на транзисторе П403 (T3) по трехточечной схеме с емкостной обратной связью. Он работает на частотах, выше принимаемых (29,9—31,8 Мгц).
Усилитель ПЧ собран на транзисторах П401 (T4, T5) по каскодной схеме (заземленный эмиттер — заземленная база). Так как выходное сопротивление каскада с заземленной базой велико, то оказалось возможным полностью включить выходной контур ПЧ в коллекторную цепь транзистора T5 и увеличить связь усилителя ПЧ с детектором.
Детекторный каскад на полупроводниковом диоде Д9Б (Д1), а также двухкаскадный усилитель НЧ на транзисторах П13 (T6, T7) не имеют особенностей. Выход усилителя НЧ нагружен низкоомными телефонами (R = 100-130 ом).
Чтобы иметь возможность регулировать чувствительность приемника, напряжение питания на ВЧ каскады подается с делителя, в качестве которого использован потенциометр R25. Выбранная схема проста и дает возможность регулировать чувствительность в пределах 64-80 дб.
Конструкция (см. рис. на 1-й стр. вкладки). Приемник смонтирован печатным способом на плате из фольгированного гетинакса толщиной 1,5 мм. Плата прикреплена к корпусу приемника винтами в трех точках. Корпус приемника имеет размеры 168X55X24 мм. Его можно изготовить из латуни толщиной 0,8-1,0 мм или дюралюминия толщиной 1,0-1,5 мм. В корпусе укрепляется металлическая полоска, на которой монтируют потенциометр R25, конденсаторы С2 и С23, а также экран-перегородку из латуни толщиной 0,8 мм. К этой перегородке привинчивают плату и на ней монтируют микровыключатель Вк2.

В качестве конденсатора переменной емкости С15 использован подстроечный конденсатор с воздушным диэлектриком типа КПВ-1. Если не удастся приобрести конденсатор необходимой емкости, то можно использовать большей емкости, у которого следует оставить три неподвижные и две подвижные пластины и отрезать остальные. Данные катушек приемника приведены в таблице.

Рамочную антенну приемника изготовляют из коаксиального кабеля РК-1. С кабеля снимают наружную изоляцию, а также экранирующую оплетку, а на центральную жилу с полиэтиленовой изоляцией надевают две медные или латунные трубки с внутренним диаметром 6 мм. Трубки изгибают по окружности диаметром 210 мм таким образом, чтобы в середине отрезка кабеля между ними оставался промежуток длиной 10 мм. Другие концы трубок припаивают или прикрепляют к корпусу. Штыревая антенна приемника — телескопическая, двухколенная. Ее длина в вытянутом виде 520 мм, крепление видно из рисунка. —
Для использования в приемнике пригодны транзисторы с коэффициентом усиления В не менее 30. Налаживание приемника производится при помощи звукового генератора, генератора стандартных сигналов, осциллографа и авометра. При монтаже приемника не нужно впаивать в плату детали, у обозначений которых на принципиальной схеме стоят звездочки, а также транзисторы. Для подгонки режимов транзисторов но постоянному току следует изготовить вспомогательную цепь из последовательно соединенных потенциометра 150—200 ком и резистора 15—20 ком. Сначала эту цепь припаивают взамен R22 и, установив на место транзистор T7, а также подключив телефоны и питание, подают со звукового генератора на левый (по схеме) вывод кондесатора С22 сигнал частотой 1000 гц и напряжением 20 мв. Вращая движок потенциометра вспомогательной цепи, устанавливают ток транзистора Т1 4—5 мА, при этом напряжение на телефонах должно быть не менее 0,5 в. Наладив каскад, отпаивают вспомогательную цепь, измеряют ее действительное сопротивление и включают подходящий по номиналу резистор. Налаживание первого каскада усилителя НЧ производится так же, как п выходного, но вспомогательная цепь впаивается на место R18, а напряжение сигнала звукового генератора должно быть 1 мв.
Режимы транзисторов всех ВЧ каскадов подгоняют следующим образом. Присоединив вспомогательную цепь взамен соответствующего резистора, устанавливают максимальное сопротивление потенциометра. Подавая сигнал с ГСС, уменьшают сопротивление потенциометра. Следя за изменением амплитуды сигнала на телефонах и одновременно наблюдая на экране осциллографа за формой сигнала, добиваются максимального усиления налаживаемого каскада. Затем увеличивают сопротивление потенциометра на 5—15 ком, выбирая рабочую точку на таком участке характеристики, где изменение смещения мало сказывается на усилении каскада. Этим достигается уменьшение собственных шумов приемника и стабилизация усиления каскада при изменении температуры. Окончив налаживание, присоединяют взамен вспомогательной цепи подходящий резистор.
При налаживании усилителя ПЧ присоединяют ГСС к левому (по схеме) выводу конденсатора С10, который нужно отпаять от катушки L4. На ГСС устанавливают частоту 2 Мгц. Контур L7C17 настраивают на эту частоту. Необходимо добиться, что бы чувствительность усилителя ПЧ в конце налаживания составляла 50—100 мкв при напряжении на телефонах 0,25 в. Если чувствительность будет хуже, следует уменьшить сопротивление резистора R14 до нескольких сотен ом и повторить настройку каскадов. Начиная с усилителя ПЧ налаживание лучше производить, укрепив плату в корпусе, и иметь минимальную длину соединительных проводов вспомогательной цепи.
Для настройки преобразователя сигнал частотой 2 Мгц с ГСС подают на отпаянный от катушки L2 левый (по схеме) вывод конденсатора С6. Настраивая контур L3C8 и подбирая R6 при помощи вспомогательной цепи, добиваются при окончании настройки чувствительности не хуже 4 мкв. Если приемник будет возбуждаться, устранить возбуждение можно, увеличив сопротивление резистора R8. После устранения возбуждения настройку повторяют.
Режим работы гетеродина устанавливают следующим образом. Изменяя сопротивление резистора R15, устанавливают минимальное напряжение, при котором гетеродин устойчиво генерирует на всем диапазоне. Подавая с ГСС напряжение сигнала крайних частот рабочего диапазона на конденсатор С6 (так же как при налаживании преобразователя), подгоняют диапазон частот гетеродина, присоединяя параллельно конденсатору переменной емкости С15 постоянные конденсаторы малой емкости.
Усилитель ВЧ приемника настраивается следующим порядком. Сердечник контура устанавливают в среднее положение, постоянный конденсатор С4 заменяют подстроечным типа КПК-М емкостью 5—20 пф.
На левый (по схеме) вывод конденсатора С1, отпаянный от антенн и конденсатора С2, подают сигнал с ГСС частотой 29,1 Мгц. Устанавливают режим транзистора T1 при помощи вспомогательной цепи и настраивают контур ВЧ L1C4 подстроечным конденсатором. Окончив настройку, отпаивают подстроечный конденсатор, измеряют действовавшую емкость его и присоединяют подходящий постоянный конденсатор. После окончания настройки усилителя ВЧ чувствительность приемника с базы транзистора Тг должна быть не хуже 3 мкв.
В заключение настраивают антенны для получения правильной характеристики направленности (кардиоиды). Настройку производят при помощи генератора поля, описанного в статье А. Гречнхина («Радио», 1965, № 7, стр. 17—18). Предварительно добиваются максимального напряжения сигнала на выходе приемника с помощью подстроечного конденсатора С2. Это желательно делать при включенной штыревой антенне. Наилучшей характеристики направленности добиваются изменением сопротивления резистора R1
