ПЕРЕКЛЮЧАТЕЛИ ЕЛОЧНЫХ ГИРЛЯНД
В. Петров, Б. Гаврюшин, В. Жуков, Г. Сенин, В. Кедров, Радио №11/1964, ст.41
…на транзисторах
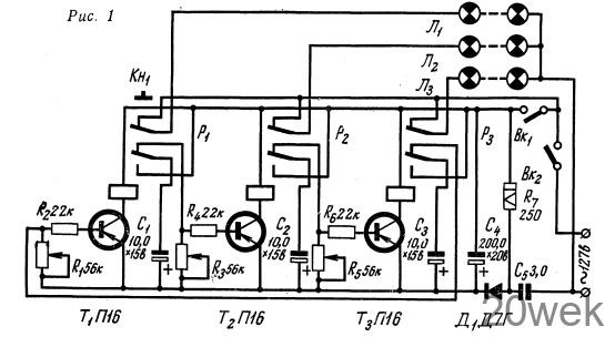
Переключатель елочных гирлянд, схема которого показана на рис. 1, служит для коммутации трех гирлянд ламп. При замыкании контактов выключателя Вк2 загораются лампы всех трех гирлянд. При включении Bк1 и нажатии кнопки Кн1 контакты реле P1 перебрасываются, в результате чего лампы гирлянды Л1 гаснут, а конденсатор C1 заряжается через выпрямитель на диоде Д1 до напряжения, равного выпрямленному. Если отпустить кнопку, контакты реле вернутся в прежнее состояние. Лампы гирлянды Л1 снова загораются, а напряжение на конденсаторе C1 оказывается приложенным к базе транзистора Т2. Последний отпирается, реле Р2 срабатывает и переключением контактов отключает вторую гирлянду. Одновременно с этим конденсатор С2 подключается к сети и начинает заряжаться. В это время C1 разряжается через сопротивления R3, R4; транзистор Т2 запирается; обмотка реле Р2 обесточивается. Через его контакты вторая гирлянда подключается к сети, а напряжение на конденсаторе С2 подается на базу транзистора Т3. Он отпирается, контакты реле Р3 переключаются, лампы третьей гирлянды гаснут, а конденсатор С3 заряжается и т. д. Таким образом, транзисторы поочередно отпираются и запираются, подключая одну гирлянду и отключая другую.

С помощью сопротивлений R2, R4, R6 можно регулировать ток, протекающий по обмоткам реле P1— Р3, причем при уменьшении сопротивлений ток увеличивается, а время переброса реле уменьшается. Время переброса можно регулировать в пределах 0,3—2 сек. Реле Р4— Р3 типа РСМ—2, или РСМ—3, или другого типа с сопротивлением обмоток не более 750 ом и током срабатывания не более 20 ма. Если в контактной группе реле не хватает одного контакта, то его необходимо установить со стороны нормально разомкнутых контактов. Для этого латунную полоску (2×10 мм), предварительно согнув ее под углом 90°, припаивают к металлическому уголку, к которому прикреплены якорь и обмотка реле. К нему же припаивают и проводник, который вводится через отверстие, просверленное в основании реле. Латунную полоску надо подогнуть так, чтобы при срабатывании реле она имела надежный контакт с пластиной из контактной группы реле.
Кроме того, в корпусе одного из реле надо просверлить отверстие над якорем и вставить в него стержень из органического стекла, который будет служить кнопкой
Устройство рассчитано на работу от сети 127 в, при напряжении сети 220 в надо соответственно увеличить сопротивление R7.
…на диоде
На рис. 2 приведена схема устройства для переключения двух гирлянд. После включения устройства в сеть, пока холодная нить накала диода имеет низкое сопротивление, по цепи C1 контакты 1—2 реле P1 течет ток. Через нормально замкнутые контакты 5—6 лампы второй гирлянды Л2 подключены к сети. Как только нить накала разогреется, через диод, а следовательно, и через обмотку реле потечет ток. Реле сработает, его контакты 4—5—6 переключатся, первая гирлянда Jl1 подключится к сети, лампы второй гирлянды погаснут. Нормально замкнутые контакты 1—2 разомкнутся и разорвут цепь накала диода. Поскольку нить накала остывает постепенно, то через диод некоторое время течет ток. Как только нить накала остынет, ток через диод прекращается. Обмотка реле обесточивается, контакты 1—2 замыкаются, а 4—5—6 возвращаются в прежнее состояние. Лампы первой гирлянды гаснут, а второй загораются. Время горения ламп каждой гирлянды зависит от емкости конденсатора С2 (в данном случае оно равно 8—10 сек).

В качестве Р1 можно использовать любое реле с двумя группами контактов. Следует учесть, что контакты должны быть рассчитаны на большой ток.
В данном случае применено реле РМУГ Рс4523419, сопротивление его обмотки 5 ком. Если напряжение сети не 127, а 220 в, схема несколько изменяется (рис. 3).

…на стартерах для ламп дневного света
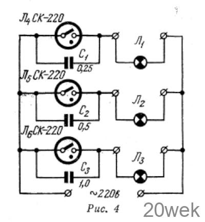
Переключатель такого типа удобен тем, что отпадает надобность в реле (рис. 4). Роль прерывателя играет стартер для зажигания ламп дневного света. Он представляет собой стеклянный баллон с двумя электродами, наполненный инертным газом. При подаче напряжения между электродами происходит тлеющий разряд, они нагреваются, один из них, биметаллический, изгибается и замыкает цепь. Лампы соответствующей гирлянды загораются. Тем временем электроды остывают, биметаллический электрод возвращается в прежнее состояние, снова начинается тлеющий разряд, и процесс повторяется. Параллельно стартеру включены конденсаторы для того, чтобы гирлянды зажигались поочередно. При этом лампы не гаснут совсем, изменяется только яркость свечения. При питании от сети 220 в следует использовать стартеры СК-220, от сети 127 в — СК-127. В данном случае мощность ламп составляет 30 вт.

…на неоновых лампах
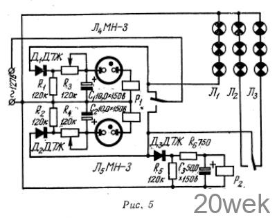
При включении устройства (рис. 1) в сеть загораются лампы первой гирлянды. Конденсатор С1 заряжается через диод Д1 и сопротивление R3; конденсатор С3 — через диод Д3 и сопротивление R6, но гораздо медленнее. Когда напряжение на конденсаторе достигнет потенциала зажигания неоновой лампы Л4, она загорается и C1 начинает разряжаться через Л4. По верхней (по схеме) обмотке реле P1 течет ток. Его контакт переключается в нижнее (по схеме) положение. При этом первая гирлянда гаснет, а конденсатор С2 начинает заряжаться через диод Д2 и сопротивление R4.

Вслед за реле с некоторым опозданием (это зависит от сопротивления R6 и емкости С3) срабатывает реле Р2. В результате этого загорается вторая гирлянда. Как только напряжение на С2 станет равным напряжению зажигания МН-3, эта лампа (Л5) загорится, С2 начнёт разряжаться через нее. По нижней обмотке потечет ток, реле сработает, его контакты возвратятся в верхнее положение. Обмотка реле Р2 обесточится, его контакты вернутся в первоначальное положение. Цикл повторяется.
Реле P1 поляризованное (РП4 или РП7) с минимальным током срабатывания около 1 ма. Реле Р2 также должно иметь как можно меньший ток срабатывания. В данном случае это РС6 с током срабатывания 10 ма.
Время заряда конденсатора С2 должно быть в два раза больше времени задержки срабатывания реле Р2 и в два раза больше времени заряда конденсатора С1
…на полупроводниковом диоде
Переключающее устройство, схема которого приведена на рис. 6, наиболее простое из всех описанных здесь. Когда оно подключено к сети, по цепи Rif Cf течет ток, так как сопротивление конденсатора С] весьма мало. Конденсатор Ci заряжается, при этом сопротивление его увеличивается. Теперь ток течет по обмотке реле.

Реле срабатывает, его контакты переключаются. Обмотка реле и конденсатор C1 отключаются от сети. Конденсатор разряжается через обмотку реле, и контакты реле некоторое время удерживаются. Затем контакты реле возвращаются в первоначальное положение, и все повторяется сначала.
Реле P1 поляризованное РП4. Частота переключения контактов около 1 гц. Подбором величины R1, C1 можно изменять частоту переключения.





