АВТОМАТИЗИРОВАННЫЙ АКВАРИУМ
В. Македон, Радио №11/1964, ст.35
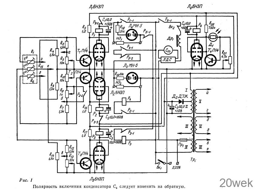
Полуавтоматическое устройство, схема которого изображена на рис. 1, обеспечивает нормальные жизненные условия в аквариуме. С помощью терморегулятора температура в аквариуме может поддерживаться в пределах от 16° до 40° С с точностью ±0,5° С.
Терморегулятор состоит из объединенных между собой трех регулирующих элементов. В качестве регулирующего элемента использована несколько видоизмененная схема терморегулятора, описание которого было помещено в журнале «Радио», № 11 за 1963 год. Каждый из регулирующих элементов, собранных на транзисторах и радиолампах, выполняет строго определенные функции
Весь диапазон температур, в котором обеспечивается существование рыб, можно разделить на три интервала: минимально допустимый, максимально допустимый и постоянный.
Минимально допустимый — это интервал температур, в котором рыбы могут еще существовать (18—19° С, для некоторых пород 23—24° С). В этом интервале температур регулировку осуществляет элемент, собранный на транзисторе Т1 и лампе Л1 с нагревателем НЭ1. В качестве датчика температуры используется термосопротивление R1 типа ТОС(М) с сопротивлением 6,5 ком в «холодном» состоянии. Термосопротивление включено в плечо моста R2, Rз, R4. Питание моста осуществляется переменным напряжением от специальной обмотки на силовом трансформаторе. При разбалансировке моста, происходящей в результате охлаждения воды, сигнал разбалансировки поступает на базу транзистора T1 усиливается и затем подается на сетку лампы Л1 Реле P1 срабатывает и контактами P1-1 включает нагревательНЭ1, через нормальнозамкнутые контакты P5_1 реле Р5.

Установка необходимого нижнего предела температуры производится переменным сопротивлением R3. О включении нагревателя сигнализирует неоновая лампочка типа МН-5.
Максимально допустимая температура, выше которой рыбы погибают, лежит в пределах 30°—40° С. Регулирующий элемент для этого случая собран на транзисторе Т3 и лампе Л3. В цепи базы транзистора Т3 включен мост R12, R13, R14 с датчиком R15 (термосопротивление TOC (М)). Работа его осуществляется аналогично работе первого элемента с той лишь разницей, что включение реле P3 происходит не при понижении температуры воды, а при ее повышении до заданного максимального значения. При срабатывании реле Р3 своими контактами P3_2и P3_3 обесточивает реле Р1 и Р2. Одновременно реле Р3 контактами P3_1 обесточивает реле P5, которое в свою очередь разрывает цепи питания нагревателей HЭ1 и НЭ2. Такое включение необходимо на тот случай, если залипнут контакты реле Р1 или Р2 или же оба эти реле почему-либо не сработают.
Обычно в зависимости от пород рыб в аквариуме должна поддерживаться наперед заданная постоянная температура воды. Этот режим осуществляется регулирующим элементом, который собран на транзисторе Т2 и лампе Л2 с нагревателем НЭ2, включаемым через реле Р4. Неоновая лампочка Л5 типа МН-5 сигнализирует о включении нагревателя. В цепь базы транзистора Т2 включен мост на сопротивлениях R7, R8, R9, R10 с датчиком — термосопротивлением R6. В одно из плеч моста включено два последовательно соединенных сопротивления R9 и R10. Сопротивление К9 закорачивается контактами Р2_2 ПРИ сработавшем реле Р2. Необходимость введения этого сопротивления вызвана разностью между токами срабатывания и отпускания реле. Изменением величины сопротивления R9 производится регулировка каскада при заранее установленной температуре воды так, чтобы выключение и включение терморегулирующего элемента происходило при изменении заданной температуры воды не более чем на +0,5° С. Во всем остальном каскад работает аналогично первому. Установка пределов регулировки температуры воды производится сопротивлением R10.
Реле P1 P2, Р3 — реле авиационного типа марки РА с сопротивлением обмотки 7 ком. Можно применять РКН, РПН и другие реле, лишь бы их ток срабатывания не превышал 10 — 12 ма. Если применяются реле с током срабатывания 3—4 ма, то можно использовать только по одному триоду в каждой лампе. Реле P4, Р5 — реле переменного тока типа МКУ-48 на напряжение 220 в. Заменить их можно реле ПЭ-1 или любым другим реле, рассчитанным на включение в сеть переменного тока с напряжением 220 в. Для сети переменного тока с напряжением 127 в реле Р4, P5 должны быть рассчитаны на это напряжение.
Термисторы ТОС могут быть заменены на ММТ, КМТ с соответственно одинаковыми номинальными значениями сопротивлений. При других номиналах сопротивлений следует подобрать плечи моста..
После включения всего устройства, осуществляемого тумблером BK1, через 20—25 сек загораются лампочки Л4, Л5, сигнализирующие о работе обоих нагревателей.
С повышением температуры воды в аквариуме уменьшается сопротивление термосопротивлений, что приводит к балансировке мостов. По достижении минимально допустимой температуры первый мост (R1 R2, R3, R4) полностью сбалансируется и реле P1 сработает, отключая нагреватель НЭ1 Поскольку второй и третий мосты несбалансированы, реле P2 и P3 останутся в том же положении. Нагреватель НЭ2 продолжает нагревать воду. По достижении заданной температуры реле P2 отключает нагреватель НЭ2 и вода начинает охлаждаться. Как только температура воды станет ниже заданной на 0,5° С, мост R6, R7, R8, R10 разбалансируется, реле P2 сработает, включит нагреватель НЭ2 и вновь начнется подогрев воды.
Регулирующий элемент (T3Л3) начинает функционировать только тогда, когда не сработают реле P2,(P4) или P1, выйдут из строя термисторы R1, R6 или нагреватель НЭ2. Поскольку вероятность того, что одновременно выйдут из строя оба нагревателя очень мала, а другие элементы компенсируют вышедшие из строя узлы, то и коэффициент надежности получается достаточно высоким.

Налаживание терморегулятора сводится к установке заданных предельных и постоянного значений температуры воды. Прежде всего нужно установить правильность включения обмоток (концы аг, бд, ве). Для этой цели термисторы R1, R6, R15 заменяют переменными сопротивлениями 10 ком. При вращении осей этих сопротивлений соответственно должны срабатывать реле P1, P2, P3. Включение можно считать правильным, когда реле Р1, Р2 срабатывают при увеличении сопротивления, а P3 — при уменьшении. Правильной работы устройства добиваются изменением включения концов обмоток трансформатора. После этого термисторы помещают в металлическую трубку, запаянную с одной стороны, или в тонкую полихлорвиниловую трубку, заклеенную в нижней части, и опускают в воду (термисторы должны быть изолированы один от другого). На некотором расстоянии от термисторов размещают нагреватели НЭ1 и НЭ2. Рядом с термисторами погружают термометр и затем включают прибор. По достижении в сосуде температуры воды, которую мы приняли за минимальную, изменением величины сопротивления R3 добиваются срабатывания реле P1. Затем производят градуировку основной шкалы терморегулятора. Поворачивая ось сопротивления R10 на небольшой угол, замечают, при какой температуре гаснет лампочка и отпускает реле Р2. Затем поворачивают ось сопротивления еще на небольшой угол и вновь отмечают температуру и т. д. По полученным точкам вычерчивают шкалу.

Для регулировки элемента (Т3Л3) искусственно имитируют замыкание в контактах реле Р2, нагревают воду до заданной максимальной температуры и, вращая ось потенциометра R13, добиваются срабатывания реле Р3. На этом регулировка заканчивается. Следует сказать, что указанный терморегулятор может быть применен не только для. аквариума, но в любом случае, где коэффициент надежности должен быть очень высоким

Мощность каждого нагревателя находят в зависимости от объема воды в аквариуме по таблице 1.
Силовой трансформатор собран на сердечнике из стандартных пластин трансформаторной стали УШ-24, толщина набора 30 мм. Данные обмоток трансформатора помещены в таблице 2.
Регулировка освещения производится по аналогичной схеме, только вместо моста между базой и коллектором триода T4 включается датчик (фотосопротивление ФСК-О). Оконечный усилитель собран на лампе Л6 типа 6НЗП. Реле Р6 такого же типа, как P1,Р2, Р3. При налаживании подбирают такую освещенность (пасмурную погоду), при которой необходимо включать освещение. Изменением сопротивления R21 добиваются срабатывания реле Р6, включающего лампу дневного света (ЛДС) или обычные лампы накаливания. Фотосопротивление ФСК-0 помещается в металлический экран с отверстием диаметром 6 мм, через которое дневной свет попадает на фотосопротивление. Прямой свет от лампы на фотосопротивление попадать не должен.
Устройство, насыщающее воду кислородом, представляет собой электромагнитный насос. Внешний вид его приведен на рис. 2, а детали — на рис. 3, 4. Сердечник 1 собирается в пакет, вставляется в обойму 2 и склепывается алюминиевыми или латунными заклепками в трех местах. Обойма 2 с сердечником приклепывается к кронштейну 3. Затем одевается катушка с намотанным на нее проводом. После этого производится отдельно сборка планки и насоса.
К планке 5 приклепывается втулка 21 и двумя заклепками пружина 6, к которой приклепывается стержень 4. На стержень надевается резиновая трубка 7. Стержень пропускают своим концом через большое отверстие кронштейна, надевают на него шайбу 11, пружину 9 и снова шайбу И и пропускают стержень в малое отверстие. Затем надевают трубку 8 и навинчивают ручку 10.
Сзади в корпус насоса 12 вставляют выхлопной клапан 18, пружину 19 и закрывают пробкой 17. Сбоку вставляется на клею БФ трубка 16, к которой затем подсоединяется шланг. С лицевой стороны прямо на отверстие (верхнее) ставится всасывающий клапан 14, который прижимается пружиной 15. Пружина 15 своим кольцом при помощи винта М 1,5 крепится к корпусу, а вторым концом приклеивается клеем 88 к всасывающему клапану. На корпус ставится диафрагма 20, которая прижимается крышкой 13.
Собранный насос при помощи двух винтов М3 крепится к кронштейну 3. Наконечник диафрагмы при помощи винта М3 закрепляется во втулке 21, приклепанной к планке 15.
Регулировка насоса осуществляется ручкой 10 до получения достаточной вибрации планки (достаточного количества нагнетаемого воздуха). Правильно собранный насос обеспечивает давление, превышающее 0,1 кг/см2. Насос подает количество воздуха, достаточное для питания двух-трех комнатных аквариумов с высотой водяного столба 40 см*





