НЕИСПРАВНОСТИ ТЕЛЕВИЗОРОВ
Радио №3/1964, ст.32
«РЕКОРД-12»
При работе телевизора на участках резких переходов от черного цвета к белому и наоборот появляются искажения вида, показанного на рис. 1. Устранить эти искажения путем регулировок ручками управления телевизора невозможно.

Неисправность появляется только в телевизоре «Рекорд-12». Прежде чем устранять ее способом, описанным ниже, необходимо убедиться в пропадании искажений при отпайке от лепестка 3 первого фильтра ПЧ звукового сопровождения (ФПЧЗ-1) провода, соединяющего этот фильтр с анодом лампы 6П9 (Л2_4).
Подпаяв отпаянный провод обратно, для устранения неисправности устанавливают параллельно катушкам L2_ 15 (лепестки 2 и 5 ФПЧЗ-1) и L2_16 (лепестки 2 и 3 ФПЧЗ-2) сопротивления BG—0,25 от 6,8 до 10 ком. Громкость звукового сопровождения при этом не уменьшается;
«ЗАРЯ-2»
При нормальном изображении и звуковом сопровождении внезапно кадр начинает беспорядочно дергаться. Устранить дерганье ручкой «частота кадров» не удается.
Эта неисправность характерна для телевизоров «Заря-2», «Спутник», «Волхов», построенных по аналогичным схемам. Причина ее кроется в недостатке принятой схемы кадровой развертки. Она может быть устранена присоединением параллельно первичной обмотке выходного трансформатора кадровой развертки конденсатора емкостью 0,01 мкф на рабочее напряжение не менее 600 в. В том случае, если будет обнаружено, что заводом уже установлен конденсатор меньшей емкости, чем 0,01 мкф, его следует заменить.
Увеличение яркости вызывает появление на изображении светлых косых линий обратного хода, мешающих просмотру передач.
Неисправность, как и предыдущая, является следствием недостатков схемы телевизора. Для полного устранения ее необходимо произвести небольшую переделку телевизора, которая заключается в следующем. От среднего лепестка (движка) переменного сопротивления регулировки яркости R69 отпаивается провод, который идет к лепестку 2 панельки кинескопа. Между отсоединенным концом провода и средним лепестком переменного сопротивления R69 впаивают сопротивление ВС—0,25 130—150 ком. Затем отпаивают вывод конденсатора С60, присоединенный к шасси телевизора и припаивают его к точке соединения конденсаторов С53, С57 и сопротивления R63. После такой переделки линии обратного хода не видны даже при максимальной яркости.
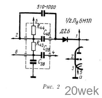
«ЗАРЯ »
Срывается чересстрочная развертка.
Причина неисправности — проникание строчных синхроимпульсов в кадровые, которое происходит в печатном блоке — переходнике П-43-1.

Для устранения неисправности нужно присоединить полупроводниковый диод Д2Б (желательно с большим обратным сопротивлением) между выводом 1 блока П-43-1 и лепестком 1 панельки лампы Л8, а также конденсатор емкостью 510—1000 пф между выводами 1 и 2 блока П-43-1 (рис. 2).
«РЕКОРД-Б»
После нормальной работы телевизора в течение 1—1,5 часов кинескоп гаснет. Если выключить и вновь включить телевизор, он начинает работать нормально, но через некоторое время экран опять погаснет.
Причина неисправности — срыв колебаний блокинг-генератора строчной развертки, который происходит из-за выхода из строя конденсатора С3_19—270 пф при нагреве во время работы телевизора. Если выключить телевизор, этот конденсатор остывает и восстанавливается. В некоторых случаях причиной такой же неисправности может быть лампа 6Н1П (Л3_3). Для устранения неисправности нужно заменить конденсатор С3_19 и, если это не поможет, лампу Л3_3.
Верхняя часть кадра сжата и подергивается.
При осмотре телевизора оказалось, что между выводом движка потенциометра регулировки линейности кадров и шасси (при отключенном потенциометре) было сопротивление около 80 ком, следствием чего была утечка тока. После того, как потенциометр был заменен, изображение стало нормальным.
«ЕНИСЕЙ-2»
При увеличении контрастности на изображении появляются светлые и темные горизонтальные полосы, а в левой части его несколько темных извилистых вертикальных полос.
Неисправность имела место из-за пробоя (искрения) между лепестками панельки высоковольтного кенотрона 1Ц11П (эта панелька находится на строчном автотрансформаторе). Для устранения необходимо заменить строчный автотрансформатор или (по возможности) раздвинуть лепестки панельки лампы 1Ц11П.





