НАСТРОИКА УКВ, СУПЕРГЕТЕРОДИНА С ПОМОЩЬЮ ГИРа
В. Соколов, Радио №4/1964, ст.22
Самодельные супергетеродины, предназначенные для приема любительских радиостанций на одном из УКВ диапазонов (10 м или 2 м), можно настраивать с помощью простого самодельного прибора — гетеродинного индикатора резонанса ГИРа.
Для этой цели ГИР должен иметь звуковой генератор, индикатор, включенный в цепь управляющей сетки лампы, и выключатель анодного напряжения. Последний позволяет использовать ГИР как чувствительный волномер. Если индикатор включить в анодную цепь, то ГИР нельзя будет использовать как резонансный волномер.
Большая чувствительность ГИРа при работе резонансным волномером позволяет сравнительно легко наладить гетеродин приемника, а также выявить цепи и каскады, имеющие паразитное самовозбуждение на высоких частотах. . Для настройки приемников можно рекомендовать прибор, построенный по несколько усовершенствованной схеме ГИРа (рис. 1). Этот прибор с помощью переключателя П1 включают как гетеродинный индикатор резонанса и как кварцевый калибратор. При наличии кварцев с резонансными частотами, соответствующими принятым стандартным промежуточным частотам (465 кгц, 1600 кгц и др.), с его помощью можно точно настраивать контуры полосовых фильтров. Кроме этого, имея набор кварцев с соответствующими резонансными частотами и используя их гармоники, можно градуировать шкалы приемников.

Настройка и налаживание. Следует напомнить начинающим конструкторам, что размещение деталей на шасси и монтайс должны быть такими, чтобы элементы конструкции, используемые в процессе настройки и налаживания, были доступны. Кроме этого, детали (конденсаторы, сопротивления), которые в процессе налаживания и настройки необходимо подбирать и заменять, нельзя прочно прикреплять к деталям и проводам.
При настройке приемника нужно пользоваться отверткой из изоляционного материала. Такая отвертка менее прочна, чем металлическая. Поэтому конденсаторы КПК-1 нужно выбирать с легко вращающимися роторами. После проверки монтажа до включения приемника в сеть следует подогнать частоту контуров ВЧ еще до установки их на шасси. Для этого измеряют резонансную частоту контура при полностью введенном подстроечном конденсаторе.
Затем, изменяя расстояние между витками катушек и емкость конденсаторов, включенных параллельно катушкам усилителей ВЧ, и гетеродина, доводят резонансную частоту контуров до 31—32 Мгц. Связь катушки ГИРа с катушкой контура следует выбирать слабой., Сильная связь вызывает взаимное затухание в контурах, уменьшая их индуктивность. Это приведет к ошибкам в отсчете частоты по шкале ГИРа. Такой порядок измерения частоты необходимо соблюдать и при настройке приемника.
После подключения контуров приемника их общая емкость увеличится, резонансная частота уменьшится, и их можно будет настроить на необходимую частоту 10-метрового диапазона с помощью подстроечных конденсаторов. После предварительной настройки контуров включают приемник и проверяют высокое напряжение на выходе выпрямителя. Далее подают напряжения на анодные и экранные цепи и авометром измеряют величины постоянных напряжений на электродах всех ламп приемника (рис. 2). Они должны соответствовать напряжениям, указанным в принципиальной схеме. В случае значительных отклонений, особенно в сторону увеличения напряжения, нужно изменить величину общего гасящего сопротивления. Если напряжение на аноде какой-либо лампы значительно больше, чем на анодах других ламп, надо проверить, соединен ли катод этой лампы с шасси.

Работу усилителя НЧ проверяют после удаления остальных ламп приемника. При полностью введенном сопротивлении регулятора громкости в телефонах слегка слышен фон переменного тока частотой 100 гц. При осторожном прикосновении металлической отверткой к выводу управляющей сетки на ламповой панели первой лампы усилителя НЧ, в телефонах фон переменного тока должен усилиться.
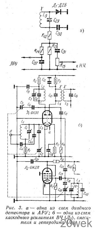
Правильно собранный усилитель НЧ начинает работать сразу, и задача заключается в определении допустимой величины фона переменного тока. Его уровень должен быть такой, чтобы не утомлять слух оператора. При работе приемника этот фон прослушиваться не будет. Более низкий фон частоты 50 гц в телефонах прослушиваться не должен. Полупроводниковый детектор не требует налаживания, надо только проверить, правильно ли включен диод (рис. 3,а).

Иногда небрежно выполненный монтаж может привести к самовозбуждению усилителя на низших звуковых частотах. Генерация в этом случае прослушивается в телефонах как свист, высота которого меняется при регулировке громкости. Такое самовозбуждение получается при сильной положительной обратной связи, возникающей при очень близком расположении монтажных проводов и деталей сеточной цепи лампы предварительного усилителя НЧ по отношению к проводам и деталям сеточных и анодных цепей оконечного усилителя НЧ. Возбуждение можно устранить, если изменить монтаж усилителя НЧ.
Приступая к настройке смонтированных контуров, нужно включить ГИР за 15 минут до начала работы. Предварительный прогрев прибора дает большую стабильность частоты.
В приемнике выключают систему АРУ, для этого точку, помеченную на рис. 3,а значком X, заземляют. Перед тем как использовать авометр в качестве индикатора выхода, следует заменить щупы двухполюсной вилкой для включения в гнезда телефонов. Контуры ВЧ настраивают при выключенном приемнике. Конденсаторы блока настройки приемника устанавливают на максимальную емкость. В этом положении контуры усилителя ВЧ настраивают на частоту 28 Мгц (рис. 3,6). Последовательно приближая катушку ГИРа к катушкам контуров приемника., с помощью подстроечных конденсаторов настраивают эти контуры на сигнал ГИРа. Предварительно ГИР должен быть возможно точнее настроен на эту частоту. Обычно ГИРы не имеют достаточно точной градуировки, но если ГИР предназначен для настройки приемников, то точность градуировки должна быть хотя бы 0,1 Мгц. Настроив контуры усилителя ВЧ, таким же образом настраивают контуры гетеродина на частоту 29,6 Мгц (при fпр 1600 кгц). Как указывалось, связь катушки ГИРа с катушкой контура приемника должна быть минимальной. Нужно следить, чтобы катушка ГИРа не оказывалась в непосредственной близости к экранам приемника. Несоблюдение этого приведет к большим ошибкам в отсчете частоты. После настройки контура гетеродина нужно вторично измерить резонансную частоту анодного контура усилителя ВЧ. Последовательной подстройкой и последующим измерением частот ГИРом можно добиться установки заданных частот обоих контуров соответственно — 28 и 29,6 Мгц. После этого конденсаторы блока настройки приемника устанавливают на минимальную емкость и ГИРом измеряют частоты всех контуров, то есть определяют величину перекрытия частоты диапазона по шкале приемника.
Подбором емкости конденсаторов Сз, С6 и C18, включенных последовательно с конденсаторами настройки приемника, нужно добиться перекрытия частоты контуров по всей шкале настройки, для усилителя ВЧ — 28—29,7 Мгц и для гетеродина— 29,6—31,3 Мгц. Точности перекрытия частоты контуров усилителя ВЧ добиваться не следует. Перекрытие частоты диапазона контура гетеродина определяет величину этого перекрытия на шкале настройки приемника.
При замене вышедших из строя конденсаторов необходимо подстраивать контуры в начале частотного диапазона приемника.
После этой работы нужно включить приемник и через 5—6 мин. с помощью ГИРа проверить работу гетеродина и устойчивость генерации по всему перекрываемому диапазону. С лампы ГИРа надо снять анодное напряжение, в этом случае он работает как чувствительный резонансный волномер. Катушку контура ГИРа подносить близко к контуру гетеродина нельзя по причине, указанной выше. Кроме того, сильная связь может вызвать срыв генерации гетеродина. Эта часть настройки приемника должна быть выполнена тщательно, так как от нее зависит вся дальнейшая настройка приемника. Далее можно переходить к настройке полосовых фильтров в каскадах усиления ПЧ.
Сердечники контуров полосовых фильтров ПЧ устанавливают приблизительно в среднее положение. Ручкой настройки приемника с помощью ГИРа, работающего как резонансный волномер, установить ча^ стоту генерации гетеродина около 30 Мгц, После этого надо включить анодное питание и звуковой генератор модуляции частоты ГИРа. Рабочую частоту по шкале ГИРа установить ниже частоты генерации гетеродина на 1600 кгЦу то есть 28,4 Мгц. Катушку ГИРа подносят к катушке анодного контура усилителя ВЧ и отверткой плавно вращают в обе стороны сердечник контура полосового фильтра, включенного в анодную цепь смесительного триода лампы Л1.
В одном из положений сердечника в телефонах должен появиться сигнал ГИРа, модулированный напряжением звуковой частоты. Обнаружив сигнал, нужно подстроить второй контур полосового фильтра до максимальной громкости сигнала в телефонах. При применении промышленных полосовых фильтров на 1600 кгц (например, от приемника РСИ-4) выделение сигнала ПЧ (при условии достаточно хорошей градуировки ГИРа) не занимает много времени. Если применены самодельные фильтры, время, которое потребуется для настройки, в большой степени зависит от качества и точности изготовления фильтров. После настройки анодного контура в цепи смесителя настраивают сеточный контур, потом контур в анодной цепи лампы усилителя ПЧ и т. д.
В каскадах усиления ПЧ настраивать контуры следует не по громкости сигнала, а по индикатору выхода. Для этой цели используется авометр. ГИР, работающий на частотах 10метрового диапазона, в начале настройки может находиться рядом с приемником, но позднее, когда выходной сигнал значительно увеличится, его желательно отнести на возможно большее расстояние от приемника. Закончив настройку контуров ПЧ, к приемнику можно подключить антенну и подстроить входной контур приемника по максимальному отклонению стрелки индикатора выхода. В процессе настройки можно пользоваться ручкой настройки приемника, подстраивая его на сигнал ГИРа, частота которого может изменяться из-за недостаточной стабильности. После окончания настройки приемник проверяют в работе на прием любительских радиостанций. Систему АРУ, выключенную перед началом настройки, восстанавливают.
При некотором опыте работы с ГИРом можно достаточно быстро наладить и настроить УКВ приемник без лабораторных приборов. Но это возможно при условии, что в процессе настройки в приемнике не появится паразитное самовозбуждение в каскадах усиления ПЧ и ВЧ. Причиной самовозбуждения, как указано выше, является неправильный монтаж. В некоторых случаях, самовозбуждение возникает из-за неудачно выбранного режима работы усилительной лампы. Самовозбуждение в каскадах усиления ПЧ обнаруживается при настройке контуров ПЧ, оно проявляется в виде свиста в телефонах.
Возбудиться может и один каскад ПЧ. В этом случае при включенном ГИРе в телефонах слышен свист. При выключенном ГИРе этого свиста может не быть, но при приеме радиостанций, работающих в телефонном режиме, свист появляется вновь.
Самовозбуждение в каскаде усиления ВЧ можно обнаружить в процессе приема. Настройка на некоторые частоты может сопровождаться резким свистом, исчезающим при точной настройке. Генерирующий каскад будет создавать повышенный уровень шумов. Генерация может возникать не по всему диапазону частот приемника, а на некотором участке диапазона. Это будет заметно по увеличению усиления каскада при подходе к порогу генерации, с последующим резким возрастанием шумов приемника.
Паразитное самовозбуждение в каскаде ВЧ может происходить на частоте, отличной от частоты принимаемого сигнала. При сложении комбинационных частот и гармоник этого сигнала с частотой гетеродина могут возникать частоты, совпадающие с промежуточной частотой приемника.
Чтобы точно определить, в каком каскаде происходит самовозбуждение, нужно в цепи управляющих сеток ламп усилителей ПЧ и ВЧ и смесителя включить постоянные сопротивления величиной по 2.4-3 ком. Если самовозбуждение не прекратилось, номиналы сопротивлений нужно увеличить до прекращения самовозбуждения. Затухание, внесенное в цепь сетки таким сопротивлением, несколько уменьшает усиление каскада. Если при дальнейшей настройке опять появится самовозбуждение, номиналы сопротивлений нужно снова увеличить. После, настройки полосовых фильтров поочередным закорачиванием можно определить лампу, которая охвачена паразитным самовозбуждением. Сопротивления оставляют только в цепи сетки этой лампы, а из сеточных цепей других ламп их удаляют.
Если изменением монтажа не удастся устранить причину возникновения паразитной положительной обратной связи, можно попробовать подобрать емкость конденсаторов анодного и сеточного RC фильтров этого каскада. Причиной самовозбуждения иногда бывает чрезмерное усиление каскада, когда лампа работает в неустойчивом режиме усиления. В этом случае самовозбуждение каскада возникает при небольших изменениях питающих напряжений. Принято считать работу усилителя устойчивой, если изменение питающих напряжений на 10% не вызывает его самовозбуждения. Усилители ВЧ более склонны к самовозбуждению. Поэтому в УКВ супергетеродинах большое распространение получили усилители ВЧ, собранные по каскодным схемам. Такие усилители имеют невысокий уровень собственных шумов и не склонны к самовозбуждению. Правда, коэффициент усиления их невысок. Можно рекомендовать включить постоянное сопротивление в 500—1000 ом между анодным контактом ламповой панели и анодным контуром усилителя (точка / на рис. 3, б). Однако это сопротивление вносит затухание в контур, ухудшая его резонансные свойства, что очень нежелательно. Как указывалось выше, самовозбуждение усилителя ВЧ может происходить на частоте, отличной от частоты принимаемого сигнала. Генерацию лампы можно определить с помощью ГИРа, включенного резонансным волномером. Для этого нужно поднести катушку ГИРа к лампе Л1 с которой надо снять экранный колпачок. Если ГИР настроить на генерируемую частоту, стрелка индикатора прибора отклонится.

При работе приемника очень часто появляется так называемая перекрестная модуляция. Она возникает, если во время приема вблизи от места приема работает передатчик. Чтобы избавиться от перекрестной модуляции, следует увеличить сопротивление в катодной цепи лампы усилителя ВЧ или применить индуктивную связь с антенной. Для этого требуется изготовить антенную катушку с таким же диаметром намотки, как и у катушки L1. Катушка должна содержать три витка такого же провода, что и катушка L1. Новая катушка закрепляется на расстоянии 10—12 мм от катушки входного контура со стороны заземленного конца. Один конец антенной катушки заземляют, к другому припаивают проводник от антенного ввода. Изменением расстояния между катушками надо подобрать такую индуктивную связь, при которой помеха от перекрестной модуляции исчезнет или сильно ослабится.





