МНОГОГОЛОСНЫЙ ЭЛЕКТРО-МУЗЫКАЛЬНЫЙ ИНСТРУМЕНТ
А. ОВСЯННИКОВ, Радио №7/1967, ст.37
Многоголосный клавишно-грифовый электромузыкальный инструмент предназначен для исполнения как эстрадных, так и классических музыкальных произведений. Инструмент состоит из корпуса, где смонтированы все функциональные блоки, и двух акустических агрегатов, объединенных в одну консольную конструкцию с отделкой ценными породами дерева (см. фото на 3-й странице обложки).

Музыкальный диапазон инструмента выбран в пределах от звука СОЛЬ контроктавы до звука ЛЯ третьей октавы. Диапазон частот, воспроизводимых акустическими агрегатами, лежит в пределах от 50 до 15 000 гц. Нелинейные искажения около 1%, при выходной мощности 20 вт. Неравномерность частотной характеристики усилителей низкой частоты 2 дб. Нестабильность частоты задающих генераторов достигнута 0.1— 0,15 %. Следует заметить, что ухо человека различает изменение частот музыкальных инструментов порядка 0,5%.
Инструмент состоит из двенадцати задающих генераторов с делителями частоты, блока коммутации, клавиатуры, блока генераторов регистрового синтеза, грифового генератора, темброблока, усилителей НЧ и блоков питания. Взаимосвязь отдельных блоков показана на рис. 1, 3-й страницы обложки, а принцип октавного деления частоты поясняется рис. 2, приведенным там же.
При соответствующем включении клавиш темброблока весь частотный диапазон инструмента делится на аккомпанирующий (многоголосный) и солирующий (одноголосный). Для ак- компанимента выбран звуковой диапазон от звука СОЛЬ контроктавы до звука МИ малой октавы (звучащий в многоголосии), а для соло — от звука ФА малой октавы до звука ЛЯ третьей октавы. Такой вариант дает возможность получить целую серию оригинальных тембров, которые выбираются по вкусу исполнителя.
Размеры инструмента 820 X 380 Х800 мм, вес его около 40 кг.
Задающие генераторы Задающие генераторы собраны на транзисторах Т1 — Т2 (см. рис. 1) по схеме генераторов пилообразных колебаний мультивибраторного типа и являются одновременно генераторами тона верхней октавы. Необходимая стабильность частоты задающих генераторов достигнута благодаря включению в цепи баз транзисторов Т1 и Т2 диодов Д1, Д2 с малыми обратными токами. Питаются задающие генераторы от источника с электронной стабилизацией напряжения. Указанная выше стабильность частоты задающих генераторов (0,1—0,15%) выдерживается при колебаниях напряжения сети ±30%. Эмиттерные повторители, собранные на транзисторах Т3, снижают влияние генераторов на делители частоты. Все задающие генераторы собраны по идентичным схемам и различаются только номиналами конденсаторов С2— С3, к резисторов R9 — R10, которые подбираются при настройке. Для точной настройки инструмента на темперированный строй, в схемы генераторов введены переменные резисторы R2 с контровкой оси, величина которых выбрана с учетом возможной перестройки инструмента в пределах ±1/2 тона. Напряжение рабочих частот подается на контакты клавиатуры через цепочку С1 — R5. Сопротивление резистора R7 в 3000 раз превышает сопротивление нагрузки каждого мультивибратора, благодаря чему устраняется взаимное влияние одного генератора на другой, при одновременном включении нескольких генераторов (звучание аккордов).

Делители частоты Схемы делителей частоты аналогичны схемам задающих генераторов. Однако поскольку стабильность частоты обеспечивается здесь задающими генераторами, резисторы R8, R11 и диоды Д1 Д2 из схем делителей исключены. Схемы отдельных делителей отличаются только номиналами конденсаторов С5, Сб и резисторов R16, R17, R18, оптимальная величина которых определяется при налаживании генераторов тона в режиме деления с устойчивой синхронизацией. Емкость конденсаторов С5 и С6 изменяется в пределах от 0,02 (для первого делителя частоты) до 0,25 мкф (для пятого делителя частоты), а сопротивление резисторов R16, R17 соответственно от 15 до 100 ком.
Для получения устойчивой синхронизации при изменении частоты задающего генератора в пределах ±1/2 тона, величина резистора может изменяться в пределах от 3,6 до 7,5 ком.
Принципиальная схема первого делителя частоты показана на рис. 1. Каждый последующий делитель делит частоту предыдущего на два.
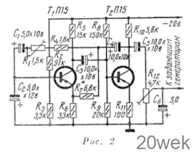
Генератор частотного вибрато собран по схеме мультивибратора с синусоидальным напряжением на транзисторах Т1 и Т2 (рис. 2). Необходимая форма выходного напряжения подбирается резистором R7. Частота генерации 5—10 гц устанавливается переменным резистором R1, а амплитуда выходного напряжения потенциометром R12.

Грифовый генератор представляет собой мультивибратор с емкостной эмиттерной связью (рис. 3). Частота его изменяется в пределах 3,5 октав реостатным грифом, включенным в цепь эмиттера транзистора Т1. Частотный диапазон генератора выбран выше клавирного для уменьшения омического сопротивления грифа, расширения частотного диапазона инструмента, а также для устранения коммутационных переходных процессов. Подстройка грифового генератора с клавиатурой инструмента производится изменением величины емкости конденсатора включенного в эмиттерные цепи транзисторов Т1 и Т2.

Для стабилизации частоты и амплитуды генератора резистор R3 зашунтирован кремниевым диодом Д1 (Д103). Питается генератор от стабилизированного источника питания. Сопротивление Rг — установочное, величина его определяется при комплексной настройке инструмента.
Основной деталью грифового генератора является реостатный гриф, изготовление которого требует большой аккуратности. Гриф намотан на гетинаксовом основании проводом ПЭВКМ диаметром 0,10 мм. При намотке грифа нужно следить за соответствием звучания (по высоте звука) грифового генератора с клавиатурой. Для этого при изготовлении инструмента вместо грифа к резистору R4 последовательно подключают два переменных резистора: сопротивлением 50 ком (для грубой установки частоты) и 1 ком (для точной установки частоты). Далее по точно настроенному инструменту (рояль или аккордеон) определяется необходимое сопротивление грифа для каждой клавиши темперированного строя. Чтобы выдержать приращение омического сопротивления грифа к изменению частоты звучания инструмента, при настройке соответствующей его клавиши, под витки провода обмотки грифа вводят подкладки. Токосъем осуществляется стальной струной (третьей из набора для гитары).
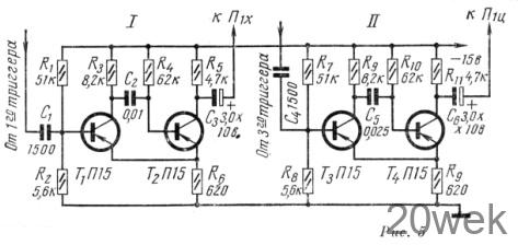
В блоке сосредоточены триггеры, работающие в режиме деления частот (см. рис. 4). Сюда поступают сигналы от задающих генераторов (в режиме одноголосия) и с грифового генератора. Триггеры построены по классической схеме с автоматическим смещением на базах транзисторов. Для расширения диапазона частот (в пределах 3,5 октав), выходные напряжения прямоугольной формы каждого триггера снимаются с эмиттерных повторителей, собранных на транзисторах Т4, Т7 Т10, Т13. Эти напряжения поступают в темброблок для синтеза. При помощи преобразователей формы напряжения триггеров в темброблске можно получить различные сочетания формы выходного напряжения, например, первый триггер — синусоида, второй — пила, третий — прямоугольная форма и т. д. Выбор определенного варианта выходного напряжения триггеров обеспечивается включением клавиши темброблока. Для имитации звучания духовых инструментов имеются два триггера-преобразователя с большой скважностью импульсов; преобразователи запускаются от первого и третьего триггеров-делителей. Их схема приведена на рис. 5.


В темброблоке (рис. 6) сосредоточены клавишный переключатель, с коммутирующими контактами, резонансные контуры, интегрирующие и дифференцирующие цепочки, преобразователи формы напряжения и предварительные усилители НЧ. Для темброобразования в многоголосии применены формантные контуры с резонансными частотами 500—800— 1200 и 1600 гц. Катушки индуктивности, для улучшения добротности и уменьшения наводок, намотаны на альсиферовых кольцах ТЧК с наружным диаметром 44 мм. Для частоты 500 гц обмотка катушки должна содержать 1780 витков провода ПЭВ-0,25; для 800 гц — 1300 витков; для 1200—1060 и для 1600—723 витка того же провода.

Для одноголосия взяты более сложные комбинации контуров, интегрирующих и дифференцирующих цепочек, обеспечивающие самые разнообразные тембры.
Устройство клавишного переключателя показано на 3-й странице обложки, коммутирующим элементом является контактная группа от электромагнитного реле (рис. 3). Переключатель достаточно компактен, надежен в работе и прост в изготовлении. Клавиша К5 делит клавиатуру на многоголосие и одноголосие.
Все задающие генераторы, грифовый генератор и предварительные усилители НЧ питаются от электронного стабилизатора напряжения; на делители частоты и ждущие мультивибраторы напряжение питания подается с конденсатора С2.
Транзисторный стабилизатор напряжения, схема которого приведена на рис. 7, состоит из регулирующего транзистора Т1 типа П4, усилителя постоянного напряжения, собранного на транзисторах Т2 и Т3 типа П201 и П15, кремниевого стабилитрона Д типа Д813. Транзистор Т1 включен последовательно с нагрузкой и выполняет функции переменного резистора, сопротивление которого изменяется под действием входного напряжения и тока нагрузки.

Силовой трансформатор Тр1 собран на сердечнике Ш19Х35. Обмотка 1а — 16 содержит 711+539 витков провода ПЭЛ 0,44, обмотка II — 118 витков провода ПЭЛ 1,25.
Все детали инструмента самодельные. Задающие генераторы и делители частоты выполнены на двенадцати гетинаксовых платах, каждая из которых укреплена под блоком клавиатуры на алюминиевых уголках.
Все функциональные блоки имеют контактные разъемные колодки, для возможной замены их при новых конструктивных усовершенствованиях. Устройство блока коммутации (клавиатуры) показано на 3-й странице обложки. Белые клавиши выполнены из дерева и оклеены пластиком, темно-коричневые изготовлены из винипласта толщиной 10 мм. Рабочий ход белых клавишей ограничивается выступом в передней их части, ход черных — передним профилем и упорным винтом, укрепленным на заднем профиле. Для предотвращения загрязнения контактов клавиатуры (в нерабочем состоянии) они закрываются откидной крышкой, которая выключает питание инструмента. Реостатный гриф укреплен перед клавиатурой и сверху закрыт тонким пластиком. Передняя крышка инструмента обеспечивает свободный доступ к вторичным органам управления инструментом (переключатель напряжения сети, органы настройки задающих генераторов и т. д.). Клавиши переключателя тембров также изготовлены из дерева и оклеены белым пластиком. Под акустическими агрегатами имеются разъемы с колодками для подключения сетевого шнура.
Корпус инструмента изготовлен из дерева и оклеен ореховым шпоном. Обрамление клавиатуры выполнено из алюминия и анодировано в тон окраске всего инструмента.
При настройке инструмента прежде всего следует проверить функционирование блока питания генераторов. Для этого на выход стабилизатора подключается нагрузочный резистор сопротивлением 1 ком, мощностью 2 вт. На вход трансформатора Тр1 подеодят сетевое напряжение с возможностью плавного регулирования от 150 до 250 е. При названных питающих напряжениях на выходе стабилизатора должно быть — 15 в. Потенциометром (см. рис. 7) производится регулировка выходного напряжения. Если при увеличении напряжения сети напряжение на выходе стабилизатора увеличивается, следует подобрать сопротивление резистора обратной связи R2— Затем приступают к настройке задающих генераторов.
Для этой цели желательно иметь осциллограф, достаточно точный звуковой генератор, ламповый вольтметр и авометр. Если нет звукового генератора достаточной точности, можно использовать кварцевый генератор частотой 1—3 кгц, с помощью которого легко определить стабильность собранных задающих генераторов и отобрать транзисторы с достаточно стабильными параметрами. Низкочастотные транзисторы типа П13, П14, П16, П15 должны иметь коэффициент усиления не менее 8. Напряжение от звукового (или кварцевого) и задающего генераторов подают на осциллограф и по устойчивости фигур Лиссажу определяют пригоден ли данный транзистор для работы в задающем генераторе. После этого подводят питающее напряжение к первому задающему генератору (звук ЛЯ третьей октавы), устанавливают переменные резисторы: вместо R6 — 10 ком, а вместо R9, R10— 20 или 50 ком, регулировочный потенциометр R2 ставят в среднее положение. Параметры транзисторов Т1 и Т2 должны быть по возможности идентичными. По эталонному инструменту или звуковому генератору движками переменных резисторов устанавливают требуемую частоту генератора. На экране осциллографа при этом наблюдают выходное напряжение пилообразной формы. Затем замеряют величины переменных резисторов и вместо них припаивают постоянные, желательно типа МЛТ, как более стабильные и надежные в работе. Следует заметить, что подборочные переменные резисторы предварительно устанавливают на максимальное сопротивление, закорачивать их нежелательно, так как при этом транзисторы могут выйти из строя. Для контроля частоты генератора можно использовать головные телефоны ТА-4. Настроенный задающий генератор должен изменять свою частоту при повороте движка переменного резистора R2 в пределах ±1/2 тона. Собранный генератор подвергают термотренировке. Для этого его помещают в термошкаф (газовую или электродуховку) и дважды нагревают до +60° С в течение двух часов с последующим охлаждением в течение одного часа при комнатной температуре. Затем проверяют частоту задающего генератора, нестабильность должна быть не более 0,1— 0,15%. В противном случае следует заменить нестабильные элементы и провести повторный цикл термотренировки. Затем плату задающего генератора с радиодеталями покрывают масляным лаком и приступают к настройке следующего задающего генератора.
Далее настраивают делители частоты. Транзисторы в них могут быть любые, с коэффициентом усиления не менее 5. Вместо резисторов R16 и R17 устанавливают переменные резисторы, 20—50 ком, вместо R18 — 10 ком (движок переменного резистора должен быть установлен в среднее положение). Предварительно делитель частоты при отключенном конденсаторе С8 настраивают на частоту равную 3/4 от требуемой. Затем подключают конденсатор С8, и поворотом движка потенциометра 10 ком добиваются устойчивой синхронизации, в заданном диапазоне изменения частоты задающего генератора (±1/2 тона). После этого переменные резисторы заменяют постоянными. Настройку делителей частоты следует производить от высших к низшим октавным звукам и последовательно для каждого звука в октаве (плата с задающим генератором и делителями частоты звука ЛЯ БЕМОЛЬ, СОЛЬ и так далее).
Закончив настройку задающих генераторов и делителей частоты приступают к точной настройке всего комплекса генераторов тона, для чего достаточно по эталонному музыкальному инструменту или по квинтовому кругу с камертоном, настроить двенадцать задающих генераторов с помощью потенциометров R2. Нижние октавы настроятся автоматически. Настройка генератора вибрато заключается в подборе резисторами Rз, R4 частоты генерации 5—10 гц. Для улучшения формы выходного синусоидального напряжения рекомендуется подобрать отрицательную обратную связь, напряжение которой с коллектора транзистора Т2 подается на эмиттер T1. Настройку производят при помощи осциллографа. Полупериоды выходного напряжения генератора вибрато должны быть равны по амплитуде.
