МИКШЕРЫ ДЛЯ СОВМЕЩЕННОЙ ЗАПИСИ ЗВУКА
М. Ганзбург, Радио №7/1965, ст. 29
Многие радиолюбители, занимающиеся магнитной записью звука, интересуются комбинированными записями, то есть одновременной записью от нескольких источников звукового напряжения. Эта же проблема волнует и кинолюбителей, озвучивающих свои кинофильмы с помощью магнитофона. Бытовые магнитофоны, выпускаемые отечественной промышленностью не рассчитаны на одновременную запись от нескольких источников звукового напряжения. Правда, некоторые из них (например «Комета») позволяют накладывать на ранее сделанную запись другую — новую. Однако комбинированная запись с наложением не может удовлетворить взыскательного радиолюбителя, так как момент включения и выключения стирающей головки обычно сопровождается неприятно действующими на слух щелчками и, кроме того, при производстве последующей записи предыдущая запись несколько ослабляется. К этому следует добавить, что такой способ комбинированной записи требует вдвое больше времени.
Указанных трудностей можно избежать, если производить комбинированную запись одновременно от нескольких источников звукового напряжения при помощи микшерского пульта. В журнале «Радио» уже помещались схемы микшерских пультов (см. «Радио» № 2, 1964 г.), но все они сложны и обладают тем недостатком, что их надо подключать к наиболее чувствительному входу магнитофона — микрофонному, а это зачастую приводит к появлению помех при записи, устранить которые можно только тщательным экранированием как самого микшерского пульта, так и всех соединительных проводов.
Предлагаемые вниманию любителей схемы микшерских пультов рассчитаны на подключение к ним различных источников звукового напряжения. Сам же микшерский пульт следует подключать ко входу для звукоснимателя. Простая схема микшерского пульта, рассчитанного на два источника звукового напряжения — микрофона и звукоснимателя пли магнитофона, показана на рис. 1. Он состоит из , однокаскадного микрофонного усилителя, собранного на транзисторе Т1 по схеме с общим эмиттером и двух потенциометров R5 и R6, которыми во время записи регулируют уровень сигнала от источников звукового напряжения. Режим транзистора подобран таким образом, что усиление каскада получается не менее 100 при коэффициенте В =30. Сопротивления R7 и R8 устраняют влияние одного источника звукового напряжения на другой. Питается микрофонный усилитель от батареи типа «Крона» (или от любого другого источника постоянного тока общим напряжением 9 в) и потребляет ток не более 0,5 ма. Микрофонный вход Вх1 этого пульта рассчитан на низкоомный микрофон, например типа МД-44. Можно использовать и обычно прилагаемый к магнитофону микрофон типа МД-47, удалив из него согласующий трансформатор. Чтобы этого избежать, перед усилителем следует включить еще один каскад эмиттерного повторителя, как это показано на рис. 2. К такому усилителю можно подключать любой источник звукового напряжения с высоким внутренним сопротивлением. Вход Вх2 рассчитан на звукосниматель любого типа или высокоомный выход любого магнитофона (когда запись ведется с одного магнитофона на другой).


Микшерский пульт, вместе с батареей питания смонтирован в металлической коробочке размером 90 X 65 Х40 мм. Переменные сопротивления взяты типа СПО—0,5; СП—-0,4 или СП—3—4, . постоянные — типа УЛМ—0,12 и конденсаторы типа ЭМ на рабочее напряжение 10—15 В. Для выключателя питания микрофонного усилителя использован тумблер.
Иногда микшерского пульта с двумя входами оказывается недостаточно. Особенно это ощущается при озвучивании любительских кинофильмов в два голоса с музыкальным сопровождением и шумами. В этом случае можно рекомендовать воспользоваться схемой микшерского пульта, показанной на рис. 3. Здесь входы Вх1 и Вх2 предназначены для подключения низкоомного микрофона, а входы Вх3 и — для звукоснимателя и высокоомного выхода магнитофона. Раздельные выключатели питания микрофонных усилителей Вкг и Вк2 позволяют этот микшерский пульт использовать в различных вариантах, например, с одним микрофоном или вовсе без него, когда источниками звукового напряжения являются только звукосниматель и магнитофон.

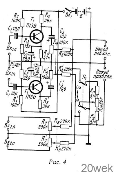
Оригинальные записи с различными эффектами можно делать на стереофоническом магнитофоне «Яуза-10» с помощью микшерского пульта, схема которого приведена на рис. 4. Он отличается от предыдущего тем, что здесь применены спаренные потенциометры R5—R5’и R7—R7‘, а также введены регулятор стереобаланса — потенциометр R10 и переключатель П1 переключающий пульт со стереофонической записи (С) на монофоническую (Ж). В последнем случае отключается регулятор стереобаланса и закорачивается правый канал записи, а для совмещенной записи используются элементы микшерского пульта, работающие только в левом канале.

Микшерские пульты, схемы которых показаны на рис. 3 и 4, смонтированы в металлических коробочках размером 160X 100X60 мм. В стереофоническом микшерском пульте использованы спаренные потенциометры типа СП-3-7. Для переключателя П1 использован тумблер типа ТП1-2. Потенциометр R10 может быть любого типа, но обязательно с кривой изменения сопротивления типа А. Остальные детали применены те же, что и в предыдущих микшерских пультах
В заключение приведем несколько советов по работе с микшерским пультом. Проще всего это продемонстрировать с первым микшерским пультом на примере наложения дикторского текста на музыкальное сопровождение. Чтобы качество совмещенной записи было высоким, нужно придерживаться определенной последовательности при первоначальной настройке тракта. Перед началом записи, подключив микшерский пульт к магнитофону, включают источники звукового напряжения.
Затем, включив питание микрофонного усилителя, переводят движок потенциометра R5 в положение максимального усиления (верхнее по схеме) и ручкой регулятора уровня записи магнитофона устанавливают по индикатору нормальный уровень записи. После этого подбирают два таких положения движка потенциометра R5, в одном из которых запись музыкального сопровождения (по индикатору уровня записи магнитофона) будет такой же, что и с микрофона, а в другом — значительно слабее. При проведении совмещенной записи движок потенциометра R5 нужно плавно поворачивать от одного до другого отмеченных положений в зависимости от желаемой громкости музыкального сопровождения.
Во время записи выключать батарею питания тумблером нельзя. При необходимости на время выключить микрофон надо перевести движок потенциометра R5 в нижнее (по схеме) положение.
При подготовке к работе стереофонического микшерского пульта особое внимание надо обратить на правильную установку движка потенциометра стереобаланса. Он должен находиться в таком положении, при котором напряжения на выходе обоих каналов будут одинаковы. В процессе записи поворачивая движок стереобаланса, можно «перемещать» источники звукового напряжения из одного канала в другой, искусственно создавая эффект перемещения звука.
Обычно после нескольких пробных записей работа с микшерским пультом становится понятной и не требует детальных пояснений.





