Магнитофон «Днiпро-12Н»
В. ЛАЗАРЕВИЧ, Радио №7/1966, ст.33
Магнитофон «Дшпро-12Н» предназначен для записи речевых и музыкальных программ от микрофона, звукоснимателя и трансляционной линии. Лентопротяжный механизм магнитофона имеет две скорости движения ленты 9,53 и 4,76 см/сек. Система записи двухдорожечная. Длительность непрерывной записи при применении катушек №15 емкостью 150 м магнитной ленты типа 2, на высшей скорости — 2×45 мин, а на низшей — 2×90 мин. Время ускоренной перемотки не более 2,5 мин. Чувствительность усилителя магнитофона с микрофонного входа 3 мкв, со входа звукоснимателя 0,2 в, с линейного входа 10 в.

Номинальное выходное напряжение —0,5 в. Полоса записываемых и воспроизводимых частот при скорости 9,53 см/сек —60—10 000 гц, при скорости 4,76 см/сек —80—5000 гц. Нелинейные искажения при номинальном намагничивании ленты составляют 3% (не более).
Суммарный относительный уровень шумов сквозного канала обычно лежит в пределах 40—45 дб. Уровень шумов на частотах свыше 200 гц— 50 дб.
Выходная мощность на динамических громкоговорителях равна 3 ва. Коэффициент нелинейных искажений на частоте 400 гц при этом — менее 5%. Частотная характеристика при помощи имеющихся в магнитофоне раздельных регуляторов тембра может меняться в пределах от ±5 до ±9 дб (на частотах 60 и 10 000 гц, при скорости 9,53 см/сек). Суммарная детонация, измеренная прибором с линейной частотной характеристикой, равна ±0,6% (не более) для скорости 9,53 см/сек и ±1,5% для скорости 4,76 см/сек.
Магнитофон питается от сети переменного тока частотой 50 гц напряжением 220 или 127 в ±10%. Потребляемая мощность в режиме записи — не более 110 вт. Вес магнитофона без комплектовки 22кг, размеры —620x340x280 мм.
Лентопротяжный механизм выполнен на трех электродвигателях типа ЭДГ-1М, что позволило значительно упростить конструкцию, сократить количество передач и исключить ряд сложных регулируемых элементов.
Электромеханическое управление лентопротяжным механизмом (см. 4-ю страницу вкладки) осуществляется ручкой 2, на оси которой расположены га летный переключатель и копир 3, перемещающий рычаг 2. Ручка 1 имеет пять положений — «перемотка влево», «стоп», «рабочий ход», «стоп», «перемотка вправо».

В положении «рабочий ход» находящийся на копире 3 палец отводит рычаг 2, поворачивая его вокруг оси О. В средней части рычага 2 имеется регулировочный винт, который упирается в основной рычаг прижимного ролика 4. Таким образом с помощью рычага 2 производится перемещение основного рычага прижимного ролика 4, а также блокировка ручки переключателя рода работы усилителя 5. Во избежание случайного стирания записи переключатель рода работы («запись — воспроизведение») обычно отведен пружиной 6 в положение «воспроизведение». На муфте ручки переключателя 5 имеется палец 8, который при переводе ее в положение «запись» и включении лентопротяжного механизма ручкой 1 фиксируется клювом 7 рычага 2. При переводе ручки управления лентопротяжным механизмом в положение «стоп» клюв 7 отводится, фиксация пальца 8 исключается, и галетный переключатель рода работы усилителя при помощи пружины 6 автоматически переходит в положение «воспроизведение». В этом случае клюв 7 рычага 2 находится с обратной стороны пальца 8 и не позволяет включить магнитофон в режим «запись» и случайно стереть .фонограмму.
Подмотка ленты осуществляется при подаче на двигатель 9 через галетный переключатель 1 несколько пониженного напряжения питания.
При включении лентопротяжного механизма на перемотку основной рычаг 4 находится в отведенном положении, а на один из двигателей, связанный с соответствующим подкатушечником, подается напряжение питания.
В положении «стоп» осуществляется так называемое дифференциальное торможение. При кратковременной остановке ленты рычаг 33 тормозит приемный подкатушечник. При отпускании рычага пружина 34 отводит тормоз от подкатушечника.
Двигатели 9 и 10 подающего 11 и приемного 12 подкатушечников связаны с ними укрепленными на качающихся рычагах обрезинениыми роликами 13 и 14. Степень сцепления этих роликов с насадками двигателей и барабанами подкатушечников регулируется пружинами 15, 16.
Ведущий вал 17 с маховиком 21 (рис. 1) также приводится в движение двухступенчатой насадкой центрального двигателя 18 посредством одного из роликов 19 или 20, в зависимости от скорости движения ленты [1]. При выключении магнитофона оба ролика выходят из зацепления с насадкой и маховиком, что предотвращает возможную деформацию резины. Электродвигатель узла ведущего вала питается непосредственно от сети и начинает вращаться с момента включения питания ручкой 23.

[1] В модернизированной модели магнитофона «Дншро-12Н» вместо двух роликов применен один; принцип передачи при этом сохраняется.
Узел магнитных головок состоит из стирающей и универсальной головок и направляющих колонок. Магнитные головки (рис. 2) по конструкции мало отличаются от головок магнитофона «Днепр-11М». Изменены только зазоры, а также системы экранировки и установки универсальной головки — она крепится в трех точках. Намоточные данные головок приведены в табл. 1.


К левой колонке движущаяся лента прижимается демпфирующей фетровой щеточкой 25, а к стирающей 26 и унивесальной 27 головкам двумя пальчиками 28 и фетровой подушечкой, расположенной внутри экрана 29.
Далее лента проходит мимо колонки 30, ведущего вала 17 и с колонки 31 поступает на приемную катушку.
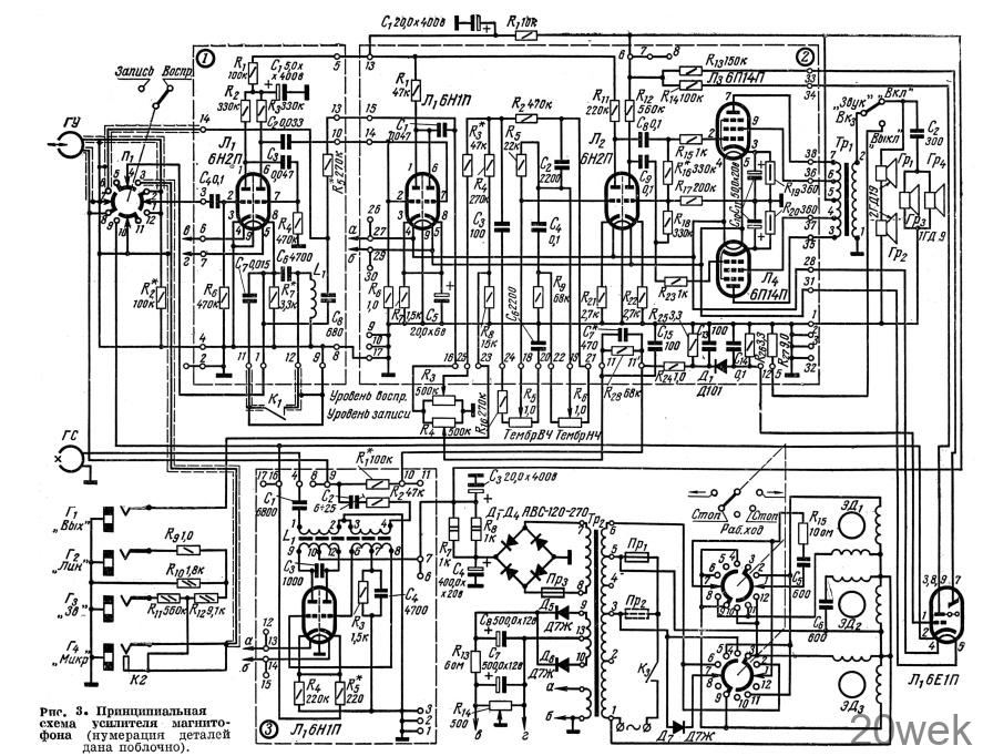
Усилитель магнитофона универсальный. Он собран на семи радиолампах и шести полупроводниковых диодах (рис. 3). Основные узлы усилителя смонтированы на трех функциональных платах 1 (предварительный усилитель), 2 (предоконечный и мощный каскады усиления) и 3 (высокочастотный генератор). Платы 1, 2 и 3 установлены на легкосъемных кронштейнах общего шасси.

Переключателем рода работы управляющая сетка лампы первого каскада через разделительный конденсатор С4 подключается либо к универсальной головке (режим «воспроизведение»), либо к входным гнездам Г2, Г3, Г4 («запись»), соединенным с делителем входного сигнала R9, R10, R11, R12
Смещение на сетке лампы первого каскада усилителя создается за счет сеточного тока, протекающего по резистору R6. С анодной нагрузки лампы Л1, усиленный сигнал через разделительный конденсатор С3 поступает на сетку лампы второго каскада усиления и затем, с резистора R3 через конденсатор С2 на плату 2 (точки 10 на плате 1 и 14 на плате 2).
На плате 2 размещены лампы: Л1 типа 6Н1П (оконечный каскад усиления канала записи и предоконечный каскад канала воспроизведения), Л2 типа 6Н2П (предоконечный каскад усиления и фазоинвертор) и Л3— Л4 типа 6П14П (оконечный двухтактный каскад). Оба триода лампы Л1 включены в параллель, что обусловлено спецификой работы этого каскада. Сигнал, усиленный третьим каскадом, с резистора R1 (плата 2), через разделительный конденсатор C1 поступает по трем каналам — в цепь отрицательной обратной связи, на регулятор уровня записи R4 и далее по двум направлениям — на электронно-световой индикатор 6Е1П и через корректирующую цепочку R28—С7 (плата 2) на резистор R1 (плата 3), а также на регулятор уровня воспроизведения R3. С резистора R3 сигнал через делитель R3, R4, R8 (плата 2) и цепи регулировки тембра поступает на сетку лампы Л2 и далее на Л3—Л4.
Необходимая форма частотных характеристик каналов записи и воспроизведения (рис. 4 и 5) достигается путем коммутации корректирующих элементов R5, C8, R7, C6, C7L1 (плата 1) цепи частотнозависимой отрицательной обратной связи, охватывающей второй и третий каскады усилителя. Наклон частотной характеристики канала воспроизведения в области низших и средних звуковых частот задается элементами цепи R5C8
Общая глубина обратной связи определяется величиной резистора R5. Для получения линейной частотной характеристики в этой же области при работе в режиме записи конденсатор C8 закорачивается переключателем П1 (выводы 1 и 14 платы 1).
На высшей рабочей частоте необходимый подъем частотной характеристики создается за счет шунтирующего действия на резистор R7 настроенного на эту частоту последовательного контура L1C6 (для скорости 9,53 см/сек) и L1C6C7 (для скорости 4,76 см/сек).
Дополнительная коррекция по току записи в области высших звуковых частот осуществляется цепочкой C7R28 (плата 2), R1 (плата 3).
Электронно-оптический индикатор собран на лампе типа 6Е1П и, как уже было сказано выше, подключен к регулятору уровня записи R4. Сигнал на него поступает через резистор R24 (настройка чувствительности индикатора), цепочку частотной коррекции С15, R25, C13, диод Д1 и цепочку С14, R26, R27 (все элементы на плате 2).
Во избежание перенасыщения магнитной ленты на высших звуковых частотах, частотная характеристика индикатора имеет в этой области завал
Высокочастотный генератор, размещенный на плате 3, выполнен на лампе типа 6Н1П по общепринятой двухтактной схеме. Катушка контура генератора L1 имеет ферритовый сердечник (Ф-600). Ток подмагничивания снимается с обмотки 3— 4. Для регулировки его служит подстроечный конденсатор Ć2 На стирающую головку ток снимается с обмотки 1—2 через конденсатор C1. Частота генератора 55±5 кгц.
Питается усилитель магнитофона от селенового выпрямителя АВС 120270. Намоточные данные силового и выходного трансформаторов, катушек коррекции и высокочастотного генератора приведены в табл. 2. Режимы работы ламп усилителя указаны в табл. 3.


Конструкция. Основные узлы магнитофона — лентопротяжный механизм, усилитель, высокочастотный генератор, блок питания и выходной трансформатор установлены на общем каркасе, который крепится при помощи четырех винтов к днищу корпуса.


В корпусе укреплены четыре динамических громкоговорителя — два фронтальных типа 2ГД19 и два боковых — 1ГД9.
