ЛЮБИТЕЛЬСКИМ КАРМАННЫЙ ПРИЕМНИК
М. Румянцев, Радио №11/1965, ст.50
Приемник собран на шести транзисторах и одном кристаллическом диоде и рассчитан на прием местных радиовещательных станций в диапазоне длинных (750— 2000 м) или средних (200—570 м) волн. Выходная мощность приемника около 100 мВт, напряжение источника питания 9 в, средний потребляемый ток около 12—15 ма. Работоспособность приемника сохраняется при снижении напряжения источника питания до 3—4 в.
Приемник размещен в готовом футляре с внешними размерами 110 X 70 X 35 мм. Его вес с источником питания не превышает 300 г.
Управление приемником осуществляется с помощью двух ручек: регулятора громкости, объединенного с выключателем источника питания, и диска настройки со шкалой.
Внешний вид приемника показан на рис. 1 на 4-й странице обложки журнала.

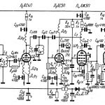
Принципиальная схема. Приемник выполнен по схеме прямого усиления 2—V—4, приведенной на рис. 1 в тексте.

Выделенный входным контуром L1C1 сигнал через катушку связи L2 поступает на вход двухкаскадного усилителя ВЧ, собранного на транзисторах T1 и Т2 типа П401. Первый ВЧ каскад — реостатного типа, нагружен на активное сопротивление R1. Нагрузкой второго каскада служит катушка L3 высокочастотного трансформатора L3L4. С катушки L4 этого трансформатора усиленный ВЧ сигнал поступает на обычный диодный детектор (Д1), нагруженный на сопротивление R5 — регулятор громкости.
С нагрузки детектора НЧ сигнал, через разделительный конденсатор С3, поступает на вход приемника, усиливается первыми тремя каскадами предварительного усиления (Т1—Т3) и подается на усилитель мощности, собранный по двухтактной схеме на транзисторах T4—T5 типа П13. Нагрузкой выходного каскада служит обмотка звуковой катушки громкоговорителя Гр.
Особенностью схемы приемника является непосредственная связь трех первых усилительных каскадов по постоянному току, что позволило обеспечить достаточно жесткую термостабилизацию каскадов предварительного усиления (T1—Т3).
Первоначальный режим работы этого схемного узла задается напряжением смещения, которое снимается с делителя R7R8 в эмиттерной цепи транзистора Т3 и через сопротивление R4 подводится к базе транзистора Т1.
Несколько иначе выполнена термостабилизация режимов транзисторов T4—Т5 выходного каскада. Осуществляется она с помощью специального транзистора Т6 (используется лишь переход эмиттер —база), подключенного к делителю напряжения в цепи смещения. Для того чтобы обеспечить стабильность режимов работы транзисторов выходного каскада при изменениях температуры окружающей среды, дополнительный транзистор Т6 должен быть того же типа, что и транзисторы T4—Т5. В этом случае изменение напряжения смещения выходных транзисторов, вызываемое температурным дрейфом входных характеристик этих транзисторов, будет компенсироваться автоматическим изменением начального смещения, напряжение которого снимается с делителя R9 R11 и регулируется током через переход эмиттер —база транзистора Т6.
Рассмотренная схема приемника может быть легко повторена радиолюбителями, имеющими небольшой опыт изготовления простых транзисторных приемников. Она некритична к подбору транзисторов по коэффициенту В и хорошо работает в различных температурных условиях.
Детали. Приемник собран в основном из готовых деталей. Их полный перечень приведен в табл. 1.

К самодельным деталям относятся контурные катушки, монтажная плата, контакты для подключения громкоговорителя, крепления магнитной антенны и конденсатора настройки.-
Катушки L1 и L2 намотаны на подвижной бумажной гильзе шириной 30—35 мм. При работе на средних волнах первая содержит 60—65, а вторая—’6—8 витков провода ПЭЛ, ПЭВ, ПЭЛШО 0,15—0,3. Для намотки катушки L1 хорошо использовать литцендрат марок ЛЭ или ЛЭШО.
При работе на длинных волнах первая катушка должна содержать 180—190, а вторая — 10—12 витков провода указанных марок диаметром 0,1—0,15 мм.
Намотку СВ катушек выполняют в один ряд, виток к витку, а ДВ— внавал, равномерно по ширине бумажной гильзы.
Катушки L3 и L4 высокочастотного трансформатора наматывают непосредственно на ферритовом кольце проводом ПЭЛ или ПЭВ 0,08—0,1. Первая должна содержать 140—150, а вторая — 75—85 витков.
Перед намоткой катушек острые кромки кольца следует скруглить с помощью наждачной бумаги. Это позволит избежать порчи изоляции провода и образования короткозамкнутых витков в катушках. Монтажную плату размерами 85 X 67 мм вырезают из гетинакса или текстолита толщиной 1,5—2 мм.
Держатели магнитной антенны можно изготовить из алюминия, жести, меди, латуни. Из того же материала изготавливают и кронштейн для конденсатора настройки. Диск настройки диаметром 34 мм можно сделать из цветного полистирола или органического стекла толщиной 2—3 мм.
Пружинящие контакты для громкоговорителя, устанавливаемые на плате, изготовлены из фосфористой бронзы или гартованной латуни толщиной 0,15—0,2 мм, а неподвижные контакты, устанавливаемые на магнитной системе громкоговорителя,— из тонкой латуни. Их следует закрепить на изоляционном диске диаметром 18 мм.
Конструкция. Конструктивно приемник выполнен в виде трех легко сочленяемых друг с другом частей: монтажной платы с закрепленными на ней деталями, устанавливаемой в нижней крышке футляра (рис. 2 на обложке), верхней крышки с громкоговорителем и источника питания.
Крепление платы к нижней крышке осуществляется с помощью винта и анкерной гайки. Соединение крышек футляра друг с другом производится с помощью защелок. Контактное соединение с батареей питания осуществляется через специальную колодку от батареи «Крона» (см. рис. 2)

Держатели магнитной антенны и конденсатора настройки приклепывают к монтажной плате небольшими заклепками. Для этой цели можно использовать медный провод диаметром 1 —1,5 мм.
Громкоговоритель к верхней крышке футляра приклеивают клеем марки 88 или резиновым. Перед этой операцией декоративную сетку следует задрапировать легкой капроновой тканью и в крышке сделать нужный вырез для ручки настройки и ее шкалы. Монтаж. Если радиолюбитель располагает фольгированным гетинаксом или текстолитом, то монтажную плату можно выполнить «печатным» способом с последующим травлением в растворе хлорного железа. Нужный рисунок необходимых монтажных соединений между отдельными опорными точками показан на рис. 3 обложки. Сначала, после соответствующей разметки, надо высверлить необходимые отверстия, затем с помощью мягкой тонкой кисточки нитрокраской нанести нужный рисунок и после просушки краски произвести вытравливание лишней фольги с платы.
Если плата изготавливается обычным способом, то на ней необходимо установить опорные стойки или пистоны, а все соединения между ними выполнить медным одножильным проводом без изоляции диаметром 0,4—0,5 мм. Чтобы проводники не смещались, их приклеивают к плате бесцветным нитролаком или клеем БФ-2.
Монтажные соединения можно выполнять как сверху, так и снизу платы. При выполнении монтажа выводы транзисторов необходимо укоротить до 15 мм, сопротивлений и конденсаторов — до 10—12 мм. Пайку следует производить быстро, не перегревая деталей. Флюсом может служить раствор канифоли в спирте. Можно пользоваться и твердой канифолью с последующей очисткой мест паек тряпочкой, смоченной в спирте или ацетоне.
Налаживание правильно собранного приемника сводится лишь к более точной установке режима работы транзисторов выходного каскада (T4—Т5), установке границ рабочего диапазона и ориентации катушек высокочастотного трансформатора относительно магнитной антенны.
Установку режима транзисторов T4—Т5 производят с помощью подборочного сопротивления R11 и миллиамперметра постоянного тока, включенного между минусом источника питания и средней точкой первичной обмотки трансформатора Тр2. При отсутствии сигнала на входе усилителя ток покоя выходного каскада должен быть равным 2—3 ма. При максимальной громкости сигнала коллекторный ток транзисторов T4—Т5 может достигать 20— 30 ма.
При желании можно проконтролировать и коллекторные токи остальных транзисторов (Т1—Т3). Их значения приведены на принципиальной схеме приемника.
Ориентацию катушек L3L4 производят при приеме громко слышимой станции. Вращая кольцо вокруг своей оси, добиваются максимально возможного чистого звучания. Затем кольцо закрепляют на монтажной плате клеем БФ-2. Эту ориентацию очень удобно производить, пользуясь подвижной изоляционной шайбой, на которой приклеивают клеем трансформатор L3L4. Шайбу изготавливают из гетинакса и приклепывают к плате, как показано на рис. 4 обложки.
Установку границ рабочего диапазона приемника производят передвижением антенных катушек L1L2 вдоль ферритового стержня. Если диапазон несколько сдвинулся в более высокочастотную область, то каркас с катушками перемещают к середине стержня, и наоборот, при смещении в более низкочастотную — передвигают их к краю стержня.
После того, как приемник будет налажен, необходимо проградуировать шкалу настройки. Шкала наносится краской непосредственно на диске настройки.
Радиолюбители при желании могут собрать по описанной схеме и приемник переносного типа, использовав в нем более мощный громкоговоритель, например типа 1 ГД-9. В качестве источника питания в этом случае целесообразно применить батареи типа КБС-Л-0,5. Такая модернизация значительно повысит качество звучания и весьма полезна для радиолюбителей сельской местности, так как значительно упростится подборка нужных деталей.
Если приемник будет питаться от аккумуляторной батареи типа 7Д-0,1, то для их подзарядки необходимо собрать зарядное устройство по схеме, приведенной на рис. 2 в тексте. Заряд аккумуляторов производят током 12 ма в течение 15 часов.
При необходимости в приемнике мсжно использовать и самодельные трансформаторы Tp1 и Тр2. Их можно намотать на сердечниках из пермаллоя сечением 0,2—0,4 см2 проводом марки ПЭЛ или ПЭВ. Первичная обмотка I трансформатора Тр1 должна содержать 1600 витков, а вторичная II — 2 X 450 витков провода диаметром 0,06 мм. Обмотка I трансформатора Тр2 должна иметь 2 X 450 витков провода диаметром 0,08—0,1 мм, а обмотка II—100 витков провода диаметром 0,2—0,27 мм
На рис. 5 (4-я стр. обложки) показа конструкция магнитной антенны МА, а на рис. 6 — способ крепления на плате конденсатора C1 и регулятора громкости R5 с выключателем Bk1





