ДЕТСКИЙ ЭЛЕКТРОМУЗЫКАЛЬНЫЙ ИНСТРУМЕНТ
В. ЛАВРИН, Радио №8/1966, ст.48
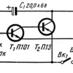
Устроиство, принципиальная схема которого приведена на рис. 1, представляет собой простейший одноголосый электромузыкальный инструмент. Он состоит из генератора и усилителя НЧ.

Генератор собран по схеме симметричного мультивибратора на транзисторах T1 и Т2. С помощью ключей К1-К17 и делителя, состоящего из цепочки резисторов R1-R17, можно изменять частоту генератора в пределах полутора октав (от «до» первой октавы— частота 261,6 гц до «ми» второй октавы — частота 659 гц). Цепочка С3R28 подавляет высшие частоты звукового диапазона и делает звучание электромузыкального инструмента более мягким. Для согласования генератора с усилителем в схему введен эмиттерный повторитель, выполненный на транзисторе Тз.
Усилитель НЧ выполнен на транзисторах T4, T5, Tб, T7 и T8. Использование транзисторов с разным типом проводимости позволяет существенно сократить габариты инструмента, применив схему оконечного каскада с бестрансформаторным выходом. Коллекторы транзисторов T7 и T8 непосредственно соединены с эмиттерами транзисторов Т5 и Т6. Это сделано с целью повышения линейности характеристик и уменьшения искажений. Делитель R36Д1R37 задает начальное смещение, необходимое для устранения переходных искажений. Использование диода в делителе улучшает температурную стабильность тока покоя выходного каскада. Выходная мощность усилителя 250 мет. Нагружен усилитель громкоговорителем типа 1 ГД-18.
В процессе эксплуатации инструмента напряжение батареи будет падать, что повлечет за собой изменение частоты генератора. Для подстройки частоты в схему введен потенциометр R27
Генератор вибрато. Для получения вибрирующего звука (вибрато) в инструменте используется генератор вибрато. Генератор представляет собой RC генератор с фазовращающими ячейками, собран он на двух транзисторах T9 и T10. Для устойчивой работы генератора в нем используется четыре фазовращающие ячейки. Частота генерации 7 гц. При такой частоте вибрато получается достаточно выразительным.
Конструкция и детали. Конструктивно инструмент оформлен в деревянном корпусе размером 250 X195 X Х75 мм. Слева от клавиатуры расположен регулятор громкости R31 с выключателем Bk1. Ключами K1-K17 служат контактные группы от реле, расположенные под клавишами. На верхней панели корпуса укреплен громкоговоритель, закрытый сверху металлической сеткой. Весь инструмент смонтирован на трех гетинаксовых платах (рис. 2). На одной из них, размером 70X б5 мм, смонтирован генератор вибрато (рис. 2, а), на второй, размером 100X63 мм — задающий генератор и усилитель НЧ (рис.2, в), а на третьей — регулировочные потенциометры R1—R17 (рис. 2,6), с помощью которых можно настроить инструмент.

Потенциометрами R1—R17 могут служить резисторы типа СПО-0,5 или СIIП-3.

Корпус музыкального инструмента (рис. 3) может изготовить самостоятельно любой радиолюбитель. Все размеры деталей корпуса приведены на рис. 4. При изготовлении корпуса его детали следует склеить столярным или казеиновым клеем. После просушки корпус тщательно зачищают наждачной бумагой, сначала крупнозернистой, а затем мелкой для подготовки к покраске и полировке.

Для полировки на поверхность инструмента наносят тонкую смоляную пленку. Наиболее красивое покрытие получается при применении шеллачной политуры.
Конструкция клавиатуры показана на рис. 5. Прорези для клавиатуры делают резаком, изготовленным из старого ножовочного полотна. Все клавиши можно изготовить из органического стекла, покрасив их соответственно в черный и белый цвет. Готовые клавиши наклеивают на гетинаксовую плату клеем БФ-2 до линии, указанной на чертеже пунктиром. Под клавишами на гетинаксовой планке винтами крепят ключи K1-K17, изготовленные из контактных групп от реле типа РКП, РКМ. Расположение контактов под клавишами показано на рис. 5, д. Планка с контактными группами прикрепляется к корпусу с помощью шурупов.

НАСТРОЙКА ИНСТРУМЕНТА Собрав электромузыкальный инструмент, приступают к его настройке. Настройку инструмента удобнее всего производить по какому-либо заранее настроенному инструменту (пианино, роялю или аккордеону) методом субъективного сопоставления звуковых колебаний настраиваемого инструмента со звуковыми колебаниями инструмента, по которому ведется настройка.
Например, требуется настроить ноту «ля» по роялю. Нажимают одновременно клавиши, соответствующие ноте «ля» первой октавы, настраиваемого инструмента и рояля. Подстраивая потенциометром Лю частоту генератора, добиваются такого момента, когда исчезнут биения между звуками настраиваемого инструмента и рояля. Настройка остальных нот ведется таким же способом
