АВТОМОБИЛЬНЫЙ РАДИОПРИЕМНИК А-18
В. САФРОНОВ, Радио №2/1967, ст.24
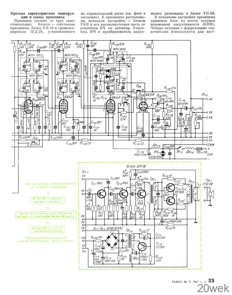
Радиоприемник А-18 для автомобилей «Волга» в отличие от ранее выпускавшегося приемника А-12 имеет три диапазона волн— ДВ, СВ и УКВ. Он изготовляется в двух вариантах: с УКВ диапазоном 65,8—73 Мгц (А-18) и 88— 104 Мгц (А-18Е).

Основные технические данные приемника
Диапазон частот: длинные волны (ДВ) — 150—408 кгц’, средние (СВ) — 525—1605 кгц‘, ультракороткие (УКВ) — 65,8—73 Мгц (А-18) и 88— 104 Мгц (А-18Е).
Промежуточная частота тракта AM — 465 кг ц, тракта ЧМ — 8,4 Мгц.
Реальная чувствительность на ДВ — не хуже 150 мкв, на СВ — 50 мкв, на УКВ — 5 мкв.
Избирательность по соседнему каналу на ДВ и СВ — не хуже 34 дб усредненная крутизна ската резонансной характеристики на УКВ — не менее 0,17 дб/кгц подавление амплитудной модуляции на УКВ — не хуже 20 дб.
Автоматическая регулировка усиления (АРУ) обеспечивает изменение напряжения на выходе приемника не более чем на 6 дб при изменении входного напряжения на 60 дб, а схема ограничения в диапазоне УКВ — изменение выходного напряжения не более чем на 6 дб при изменении входного сигнала на 80 дб (от 100000 до 10 мкв).
Номинальная выходная мощность— 3 вт. Мощность, потребляемая приемником от источника питания,— не более 30 вт. Размеры приемника — 219Х232Х98мм, блока УП-18—180Х93Х Х111 мм. Общий вес комплекта — не более 5,5 кг.




