Антенный усилитель
Б. ЗЕЛЕНОВ, Радио №3/1964, ст.33
Применение транзисторов вместо радиоламп в антенном усилителе дает ряд преимуществ: увеличивается надежность, повышается срок службы, уменьшаются размеры, вес, снижается потребляемая мощность и напряжение питания. Все это очень важно при расположении усилителя на вращающейся антенне.
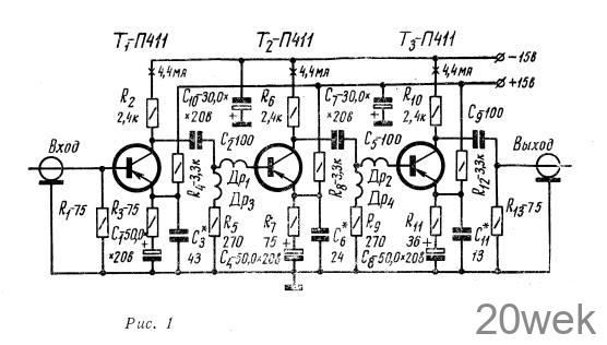
Принципиальная схема усилителя приведена на рис 1. Он предназначен для приема первых пяти телевизионных каналов и имеет полосу пропускания от 35 до 145 Мгц на уровне 0,7 (рис. 2). Максимальный коэффициент усиления (на частоте 80 Мгц) равен 10. Амплитудная характеристика усилителя приведена на рис. 3. Усилитель собран на трех транзисторах типа П411 по схеме с общим эмиттером для переменной составляющей со сложной коррекцией в цепях эмиттера и коллектора. Каждый каскад усилителя имеет высокое входное сопротивление. Разделительные конденсаторы С2, С5 и С9 типа КСО служат для межкаскадного согласования. Конденсаторы СзС6С11 типа КТК или КДК и дроссели Др1, Др2, Др3 и Др4 — для коррекции высокочастотной части характеристики. Входное и выходное сопротивление усилителя — 75 ом. Коаксиальный кабель с волновым сопротивлением 75 ом (РК—1, РК—3 и т. п.) непосредственно подключается ко входу и выходу усилителя. Усилитель собран на плате из фольгированного стеклотекстолита толщиной 2,5 мм размерами 134X51 мм. Дроссели Др1, Др2, Др3 и Др4 намотаны проводом ПЭЛШО-0,15 на сопротивлениях типа МЛТ-0,5 вт и содержат Др1 и Др2 по 3 витка, а Др3 и Др4 по 21 витку.

Усилитель налаживают при помощи сигнал-генератора ГМВ и лампового вольтметра ВЛУ-2 (или аналогичных им приборов). Сначала подбирают емкости конденсаторов С3, С6 и С11 таким образом, чтобы частотная характеристика на уровне 0,7 была наиболее равномерна, затем индуктивности дросселей Др3 и Др4 и в последнюю очередь Др1 и Др2 так, чтобы окончательная частотная характеристика усилителя соответствовала изображенной на рис. 2.

В случае замены одного из транзисторов для сохранения прежней частотной характеристики достаточно подобрать емкость конденсатора в цепи эмиттера нового транзистора (Сз, С6, С11).

Усилитель питается от источника напряжением 30 в. Средняя точка этого источника подключена к общей шине усилителя. Таким образом получаются как бы два источника питания с выходами +15 в и —15 в. Такая схема питания выбрана для того, чтобы стабилизировать режим усилителя по постоянному току при изменении окружающей температуры от — 30°С до +45°С (антенные усилители обычно располагаются в непосредственной близости от антенны). При выбранной схеме питания в указанном выше диапазоне окружающих температур токи коллекторов изменяются не более, чем на 7 — 8% от номинального значения (при +20° С).
Во время испытаний, которые проводились совместно с телевизором для дальнего приема телепередач, усилитель работал удовлетворительно. Усилитель такого типа может найти применение при конструировании малогабаритных широкополосных осциллографов в качестве предварительного усилителя. Для этого нужно зашунтировать конденсаторы С2, С5 и С9 емкостями 0,1 мкф типа МБМ. Тогда полоса пропускания усилителя расширится в области низших частот до нескольких килогерц





