Устройство для защиты выпрямителя от перегрузок
Радио №8/1966, ст.58
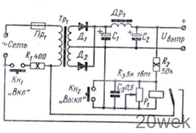
Для того чтобы предотвратить выход из строя силового трансформатора и вентилей выпрямителя при коротких замыканиях или чрезмерном увеличении тока нагрузки, предложено устройство, принципиальная схема которого показана на рисунке. При создании устройства были предусмотрены возможность изменения чувствительности и скорости его срабатывания. Кроме того, устройство исключает даже кратковременные перегрузки элементов выпрямителя при коротких замыканиях в нагрузке.
Устройство работает следующим образом. При нажиме кнопки Кн1 сетевая обмотка Силового трансформатора подключается к сети через резистор R1 чем значительно ослабляется толчок тока, который имеет место при заряде конденсаторов фильтра С1 и С2. После того как выпрямленное напряжение Uвыпр. достигнет определенной величины, срабатывает реле обмотка которого подключена к выходу выпрямителя последовательно с балластным резистором R2. Напряжение сети через замыкающиеся контакты реле подается непосредственно на обмотку силового трансформатора, минуя кнопку Кн1 и резистор R1

Если выпрямитель будет перегружен ввиду короткого замыкания или другой неисправности радиоаппарата, которым он нагружен, то напряжение на обмотке реле Р1 упадет. При коротком замыкании это напряжение вообще будет отсутствовать, реле отпустит якорь, его контакты разомкнутся и отключат обмотку силового трансформатора от сети.
Но когда в радиоаппарате будет иметь место постепенно нарастающая перегрузка, момент отпускания якоря реле будет зависеть от положения движка потенциометра R3 который включен параллельно обмотке реле. Потенциометр R3 можно отрегулировать так, что якорь реле будет отпадать при незначительных перегрузках или, наоборот, даже значительные увеличения тока нагрузки не вызовут отпускания реле. Скорость отпускания в значительной мере зависит от емкости конденсатора С3, включенного параллельно обмотке реле.
Если короткое замыкание в аппарате наступило тогда, когда сетевое напряжение на выпрямитель еще не подано, то последний нельзя будет включить, так как все напряжение сети упадет на резисторе R1.
Выключение выпрямителя можно производить обычным способом, разрывая выключателем цепь сетевой обмотки силового трансформатора или же замыкая накоротко обмотку реле P1 нажимом кнопки Kн2.
«Radioschau», 1966, ЛЗ 2.
От редакции. Данные, приведенные на принципиальной схеме, ориентировочные. Величины сопротивлений резисторов R2, потенциометра R3 и емкости конденсатора С3 подбираются в каждом отдельном случае в зависимости от примененного реле, обмотка которого должна быть высокоомной. Данные сопротивления обмотки реле в первоисточнике не приводятся.





