Усилитель низкой частоты
В. ИВАНОВ, Радио №8/1967, ст.46
Ламповый усилитель низкой частоты с питанием от сети переменного тока может быть использован для воспроизведения грамзаписей, усиления речей, а также для радиофикации небольшой школы, общежития школы-интерната, детского дома.
Блок-схема усилителя показана на 3-й странице вкладки. Усилитель трехкаскадный. Первые два каскада служат для усиления напряжения сигнала, подаваемого от звукоснимателя или микрофона, а третий, выходной каскад, является усилителем мощности.

Между первым и вторым каскадами включено звено частотной коррекции, позволяющее осуществлять плавную регулировку тембра звука раздельно по низшим и высшим частотам звукового диапазона.
Воспроизведение грамзаписи и усиление речей
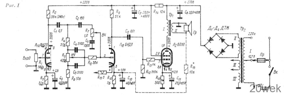
Принципиальная схема усилителя изображена на рис. 1. В нем используются две радиолампы: сдвоенный триод с раздельными катодами 6Н2П и лучевой тетрод 6П1П. Один триод лампы 6Н2П (на схеме Л1а) работает в первом каскаде, а второй (на схеме Л1б), во втором каскаде усиления напряжения. Лампа 6П1П (Л 2) работает в каскаде усиления мощности.

На вход усилителя подается сигнал от звукоснимателя любого типа или электродинамического микрофона (с повышающим трансформатором) типа МД-41, МД-64. Напряжение низкой частоты, создаваемое ими на переменном резисторе R1, выполняющем роль регулятора громкости, с его движка подается на управляющую сетку триода Л1а и усиливается этой лампой. Напряжение сигнала, усиленное триодом, выделяется на его анодном нагрузочном резисторе R2 и через кондеисатор связи С1 и корректирующие цепи подается на управляющую сетку триода Л1б следующего каскада. С анодной нагрузки R9 этого триода напряжение низкой частоты через конденсатор связи C6 и резистор R13 поступает на управляющую сетку лампы Л2 усилителя мощности. Мощные электрические колебания низкой частоты, возникающие в анодной цепи этой лампы, через выходной трансформатор Тр1 подводятся к электродинамическому громкоговорителю Гр и преобразуются им в звуковые колебания.
Выходная мощность усилителя около 3,5 вт. Звено коррекции тембра звука образует две параллельные цепи: по низшим звуковым частотам — резисторы R4, R5, R6 и R8 и конденсаторы С4 и С5; по высшим звуковым частотам — резистор R7 и конденсаторы С2 и С3. Регулировка по низшим частотам осуществляется переменным резистором R5, по высшим частотам — переменным резистором R7.Пользуясь обоими регуляторами, можно в широких пределах изменять частотную характеристику усилителя, а следовательно, и тембр звучания.
Резисторы R3, R10 и R15, включенные в цепи катодов ламп, обеспечивают на управляющих сетках соответствующих им ламп необходимые начальные отрицательные напряжения смещения. Они зашунтированы электролитическими конденсаторами С9, С10 и Сп, которые, пропуская через себя переменные составляющие анодных токов, устраняют отрицательные обратные связи между цепями катодов и управляющих сеток ламп.
Выпрямитель усилителя двухполупериодный. Он собран на четырех плоскостных силовых диодах типа Д7Ж(Д1—Д4), включенных по мостовой схеме, и выпрямляет напряжение, снимаемое с обмотки II силового трансформатора Тр2. На анод лампы 6П1П выпрямленное напряжение подается через первичную обмотку выходного трансформатора Тр1, на экранирующую сетку этой лампы — через резистор R14, образующий с конденсатором С7 ячейку развязывающего фильтра, а на аноды Лампы 6Н2П, кроме того,— через их нагрузочные резисторы R2 и R9. Питание нитей накала обеих ламп усилителя осуществляется от обмотки III силового трансформатора, понижающей напряжение сети до 6,3 в. Причем на нить накала, лампы 6Н2П подается более низкое напряжение (около 5 в), чем на нить накала лампы 6П1П, что уменьшает уровень собственных шумов и фон переменного тока более чем в три раза. Для этой цели последовательно с нитью накала лампы Л1 включен резистор R11. Снижать напряжение, подаваемое на нить накала лампы Л1 можно до 4,7—4,8 в. При более низком напряжении коэффициент усиления лампы падает, а искажения резко возрастают.
Переключение первичной (сетевой) обмотки I силового трансформатора на разные напряжения сети достигается перестановкой плавкого предохранителя Пр, а. включение питания — выключателем Вк.
Пунктирная линия с резистором R16 и указанный в скобках номинал резистора R2 относятся к варианту усилителя, о котором сказано позже.
Детали, конструкция и монтаж. Номиналы всех резисторов и конденсаторов усилителя указаны на его принципиальной схеме (рис. 1). Переменные резисторы (R1, R5, R7) типа СП или СПО. Электролитические конденсаторы Ć7 и С8 типа КЭ-2, С9, С10 и С14 — типа ЭМ или чехословацкой фирмы «Тесла». Остальные резисторы и конденсаторы могут быть любого типа. Выключатель Вk — тумблер ТВ2-1. Предохранитель Пр должен быть рассчитан на ток 0,5 а.
Силовой трансформатор самодельный. Для него использован сердечник из пластин Ш-16 с окном площадью 5,5 см2, толщина набора 32 мм. Сетевая обмотка (/) содержит 1 220 витков провода ПЭЛ 0,27 плюс 880 витков провода ПЭЛ 0,23 (на напряжение сети 220 в). Если площадь окна сердечника будет 6 см2, всю сетевую обмотку можно намотать проводом ПЭЛ 0,27, сделав отвод от 1 220-го витка. Повышающая обмотка (II) содержит 2 400 витков провода ПЭЛ 0,16, обмотка накала ламп (III) — 65 витков провода ПЭЛ 0,64. Экранирующая обмотка (IV), снижающая индустриальные помехи, проникающие из электросети в усилитель, представляет собой плотный ряд витков провода ПЭЛ 0,27—0,31, уложенный между первичной (/) и вторичными (II и III) обмотками трансформатора.
Силовой трансформатор может быть готовым, например от радиолы «Сакта» или других массовых радиовещательных приемников. Выходной трансформатор может быть как готовый, применяемый в приемниках и телевизорах, в выходных каскадах которых работают лампы 6П1П, так и самодельный. Для самодельного трансформатора нужен Ш-образный сердечник с площадью сечения среднего стержня не менее 4 см2 и окном площадью 4—4,5 см2. Первичная обмотка должна содержать 2 500 витков провода ПЭЛ 0,16, а вторичная — 75 витков провода ПЭЛ 0,8—0,9.
Громкоговоритель мощностью 3—5 вт со звуковой катушкой сопротивлением 4,5—5 ом, например: ЗГД-7, ЗГД-9, 4ГД-7, 4ГД-28, 5ГД-10, 5ГД-18
Конструкция усилителя показана на фотоснимках, помещенных на 3-й странице вкладки. Громкоговоритель укреплен на отражательной доске, выполняющей одновременно роль крышки футляра усилителя. Усилитель смонтирован на П-образном шасси размерами 200X140X45 мм. Горизонтальная и передняя панели шасси металлические, задняя — гетинаксовая. На передней панели укреплены выключатель сети, регуляторы громкости и тембра звука, на горизонтальной — ламповые панели и трансформаторы, на задней— входные Гнезда и выходные контакты. Перед передней панелью укреплена декоративная панель (фальшпанель) с обозначениями органов управления усилителем.
Все постоянные резисторы, кроме R11, и большинство конденсаторов размещены на гетинаксовой монтажной плате размерами 135X33 мм (рис. 2), а диоды выпрямителя — на плате размерами 42 X 35 мм. Обе платы крепятся к горизонтальной панели шасси на болтах. Конденсаторы C4 и С5 укреплены непосредственно на выводах переменного резистора R5. Резистор R11 в цепи накала первой лампы одним выводом подпаивается к 4-му лепестку панели лампы Л2, а другим — к лепестку вспомогательной опорной стойки. Цепи питания нитей накала ламп выполняются скрученными монтажными проводами в хлорвиниловой изоляции.

Очень важное значение для уменьшения фона переменного тока имеет взаимное расположение на шасси силового и выходного трансформаторов. Они укрепляются так, чтобы оси их катушек были перпендикулярны. Во время монтажа желательно временно подключить силовой трансформатор к-сети и, поворачивая его в разных направлениях, прослушивать на телефоны, подсоединенные к первичной обмотке выходного трансформатора, наводимый в них фон переменного тока. Наилуч- шему расположению силового трансформатора по отношению к выходному будет соответствовать минимальный уровень звука низкого тона в телефонах.
В описываемой конструкции металлическое шасси выполняет главным образом только роль экрана между трансформаторами, расположенными на горизонтальной панели, и деталями усилителя в подвале шасси, но не используется как проводник тока всех цепей усилителя. Детали и цепи каскадов усилителя соединяются с шасси в двух основных точках: цепь накала ламп и детали выходного каскада возле лампы Л2, детали и цепи каскадов усиления напряжения, в том числе экранирующая оплетка проводников, соединяющих входные гнезда усилителя с резистором R1,— возле лампы Л1.
В качестве ручек регуляторов громкости и коррекции тембра использованы колпачки тюбиков от зубной пасты.
Налаживание. Если детали исправны и монтаж выполнен точно по принципиальной схеме, усилитель не потребует дополнительной наладки.
Подключите к усилителю звукосниматель, ручку переменного резистора R1 установите в положение минимальной громкости, а ручки регуляторов тембра звука R5 и R7 примерно в среднее положение. Включите питание. Медленно вращая ручку регулятора громкости, можно услышать плавное нарастание громкости звучания. При вращении ручек переменных резисторов R5 и R7 тембр звука изменяется, подчеркивая низшие или, наоборот, высшие частоты звукового диапазона.
Если усилитель не работает, надо найти неисправный каскад. Сделать это можно с помощью звукоснимателя, включая его поочередно между управляющей сеткой и шасси лампы выходного каскада (Л2) и лампы предоконечного каскада (Л1б). При первом включении звукоснимателя громкоговоритель должен работать очень слабо (недостаточное усиление), при втором включении—достаточно громко, но тише, чем при подключении его ко входу усилителя. Неисправность надо искать в том каскаде, который при подключении к нему ‘звукоснимателя не работает.
Найти неисправность можно, пользуясь авометром — универсальным прибором для измерения токов, напряжений и сопротивлений цепей и деталей. Напряжения, которые должны быть на выходе выпрямителя и электродах ламп относительно шасси, указаны на принципиальной схеме усилителя (рис. 1). Отклонение от этих напряжений допустимо в пределах +20%. Изменение напряжений достигается заменой резисторов тех участков цепей, где напряжения значительно отличаются от указанных на схеме.
Характеристика усилителя. Усилитель, смонтированный в лаборатории редакции «Радио», показал достаточно хорошие Жданные, характеризующие его работу: при номинальной выходной мощности 3,6 вт искажения не превышают 2%; его чувствительность не хуже 100 мВ; полоса равномерно усиливаемых звуковых частот охватывает диапазон от 50 до 12 000 гц; собственные шумы в 500 раз слабее полезного сигнала.
