Усилитель НЧ с экспандером
Н. Зыков, Радио №12/1966, ст.29
Мы привыкли считать, что качество или верность звукового воспроизведения определяется двумя основными факторами: частотной характеристикой и нелинейными искажениями тракта «запись — передача — воспроизведение». Между тем на качество воспроизведения оказывает большое влияние и третий фактор — динамический диапазон звукопередачи.
Под динамическим диапазоном, выражаемом в децибелах, подразумевается отношение наибольшей громкости звука к наименьшей, или разность уровней звукового давления самого громкого и самого слабого звуков.
Действительно, наряду с мелодией и ритмом музыкального произведения динамический диапазон оказывает сильное эмоциональное воздействие на слушателя, что особенно характерно для оркестровой музыки, обладающей громадным динамическим диапазоном.
Если сопоставить данные, характеризующие интенсивность и динамические диапазоны звуков (см. таблицу), можно выделить три группы исполнения, различающиеся динамическим диапазоном.

К первой группе, характеризуемой сравнительно небольшим динамическим диапазоном 25—45 дб, относятся такие виды исполнения, как художественное чтение, сольное пение, инструментальное соло и т. д. Вторая группа, включающая небольшие вокальные или инструментальные ансамбли, имеет динамический диапазон 40—55 дб. И, наконец, третья, оркестровая группа обладает максимальным уровнем громкости 80—100 дб и максимальным динамическим диапазоном 50—75 дб.
Передача и воспроизведение музыкальных произведений с динамическим диапазоном 45—75 дб через современные электроакустические тракты зачастую не представляются возможными, и естественный динамический диапазон при передаче сознательно искажается — сжимается до 35—40 дб. В зависимости от акустических и технических условий и возможностей установлены следующие нормы динамического диапазон (дб):
- радиовещание и грамзапись 35
- вещание по набелю . 50
- местное звукоусиление 65
- профессиональная магнитнаязапись . . . . 55
Степень ограничения динамического диапазона звуковоспроизводящим трактом — усилителем НЧ, приемником, магнитофоном и т. п.— определяется выходной мощностью (верхний уровень диапазона) и уровнем собственных шумов приемной или воспроизводящей аппаратуры (нижний уровень диапазона).
Уровень громкости воспронзведения зависит также от уровня шумов помещения. Считается, что громкость самых слабых звуков передачи должна быть на 10—15 дб выше уровня шумов помещения.
Современные высококачественные звуковоспроизводящие устройства могут обеспечить передачу музыкальных программ с достаточно широким динамическим диапазоном. Однако большинство приемных, звукозаписывающих и звуковоспроизводящих устройств бытового применения имеют несравненно худшие показатели и являются главной причиной ограничений динамического диапазона. Так, например, радиоприемники, телевизоры и магнитофоны II—IV классов, не говоря уже о миниатюрных транзисторных приборах, не могут воспроизвести звуковой диапазон более 30—40 дб вследствие высокого уровня собственных шумов и малой выходной мощности.
Поэтому ограничение (сжатие) динамического диапазона на передающей стороне является необходимым. Осуществляется оно либо автоматически с помощью специального устройства — компрессора, либо вручную оператором-тонмейстером. В процессе компрессирования на пиках громкости усиление уменьшается и, наоборот, при очень малых уровнях громкости усиление повышается.
Восстановление естественного динамического диапазона можно осуществить при помощи экспандера — расширителя динамического диапазона. Процесс экспандирования должен иметь ту же закономерность, что и компрессирование на передающей стороне. Сохранить эту закономерность очень трудно, если учесть, что сжатие динамического диапазона часто осуществляется вручную. В силу этого и ряда других причин до настоящего времени экспандирова- ние — расширение динамического диапазона — широкого распространения не получило.
Принцип действия экспандера
Ранее разработанные схемы экспандеров имели много недостатков и отличались сравнительно большими искажениями частотной характеристики и нелинейными искажениями, были критичны к уровню сигналов на входе экспандера и т. и. Эти схемы были во многом подобны схемам АРУ радиоприемника. В качестве авторегулируемого усилителя использовалась лампа с переменной крутизной сеточной характеристики.
В последнее время начали получать распространение схемы экспандеров с частотнозависимым изменением динамического диапазона. Блок-схема такого экспандера показана на рис. 1.

Как видно из рис. 1, связь между первым и вторым каскадами предварительного усилителя НЧ осуществляется через делитель Rg Cg Rj
Так как сопротивление Rj (внутреннее сопротивление триода) — величина переменная и зависит от входного сигнала, то величина сигнала на входе второго каскада предварительного усилителя будет определяться коэффициентом деления Для экспандера, схема которого приведена на рис. 2, этот коэфициент будет равен:

Сопротивлением конденсатора Cg можно пренебречь, так как на средних и высших частотах оно достаточно мало.

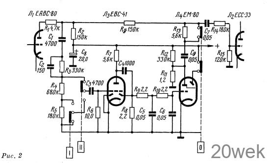
Рассмотрим подробнее принципиальную схему экспандера. Сигнал нивкой частоты, снимаемый с анода лампы Л1, через дифференцирующую цепочку С1 С2, R3 подается на переключатель уровня экспандиро- вания. Дифференцирующая цепочка предотвращает срабатывание экспандера при пиках напряжения в области басов, обладающих ярко выраженным ударным характером (барабан, контрабас, труба-бас и т. и.). Аналогичное воздействие на частотную характеристику экспандера оказывают конденсатор С4 и резистор R8.
Снимаемые с анода усилителя Л3 сигналы детектируются и через интегрирующую цепочку R9Ć5R10C6 подаются на управляющую сетку лампы Л4. Постоянная времени нарастания управляющего напряжения на выходе интегрирующей цепочки составляет 0,2—0,3 сек. Время спадания напряжения несколько больше (0,5—0,6 сек), так как оно определяется еще сопротивлением нагрузки детектора (резистор R8).
В начальный момент времени, когда сигнал звуковой частоты на входе экспандера отсутствует или очень мал, управляющее напряжение на сетке лампы Л4 отсутствует и лампа открыта (Rj=мин.).
По мере возрастания входного сигнала увеличивается управляющее отрицательное напряжение, снимаемое с детектора, которое запирает лампу Л4, увеличивая тем самым коэффициент передачи напряжения звуковой частоты на управляющую сетку Л2.
При максимальных уровнях входных сигналов управляющее напряжение закроет лампу Л4 (Rj=макс), коэффициент усиления усилителя НЧ возрастает до максимального и будет соответствовать максимальному расширению динамического диапазона. Лампа Л4, помимо регулирования динамического диапазона, выполняет еще одну функцию — индикатора экспандирования, что облегчает возможность правильной установки режима работы экспандера., При пиках громкости (фортиссимо) темный сектор должен закрываться.
Конденсатор Cg обеспечивает компенсацию в области низких частот при малых уровнях громкости (пианиссимо). Его действие аналогично действию конденсаторов в компенсированных регуляторах громкости. Поэтому частотная характеристика экспандера в области низких частот имеет характер, соответствующий особенностям слухового восприятия.
В соответствии с частотной характеристикой экспандера (рис. 3) степень расширения динамического диапазона по мере уменьшения частоты, начиная с 300—400 гц, резко уменьшается и на частоте 20 гц будет равна нулю.

Переключение режимов работы экспандера производится с помощью клавишного устройства. При нажатии клавиши II (как показано на рис. 2) чувствительность экспандера максимальна и расширение динамического диапазона максимально. Если нажата клавиша I, то расширение динамического диапазона будет невелико, так как на вход лампы подается только часть низкочастотного управляющего напряжения. Выключение экспандера производится клавишей 0.
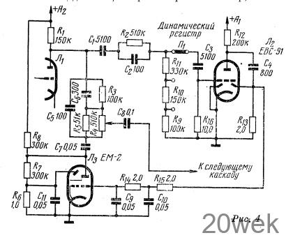
На рис. 4 представлена схема экспандера, отличающаяся тем, что функции регулирования уровня экспандирования и динамического диапазона разделены. С помощью потенциометра R4 возможна плавная регулировка динамического диапазона экспандера в пределах 2—12 дб. Переключатель динамического регистра П1 осуществляет установку начального уровня экспандирования.

Предлагаемые схемы экспандеров предусматривают расширение динамического диапазона на 10—12 дб и практически не создают дополнительных нелинейных искажений. Конструктивно экспандер можно выполнить в виде приставки к любому усилителю НЧ, имеющему достаточный запас выходной мощности, так как расширение звукового динамического диапазона на 10 дб означает увеличение звуковой мощности в И) раз.
Основные технические данные усилителя НЧ с экспандером
Номинальная выходная мощность усилителя 12 вт. Максимальная чувствительность с гнезд звукоснимателя — 100—150 мв, с трансляционной линии — 10 в. Усилитель воспроизводит полосу звуковых частот от 30 гц до 18 кгц с неравномерностью ±2,5 дб. Коэффициент нелинейных искажений на частоте 1 кгц при выходной мощности 6— 8 вт менее 1%. Активное сопротивление нагрузки усилителя может находиться в пределах 1,5—9 ом.
Уровень шумов—50 дб, при работе с экспандером — 60 дб (высокочастотные шумы). Расширение динамического диапазона — 10—14 дб.
Размеры деревянного корпуса усилителя— 350X280X130 мм. Усилитель может питаться от сети переменного тока напряжением 110, 127 и 220 в, потребляемая мощность — 100 вт.
Принципиальная схема
Принципиальная схема усилителя приведена на 1-й стр. вкладки.

Па входе усилителя имеется переключатель рода работы П1, с помощью которого к усилителю могут быть подключены радиоприемник, телевизор, магнитофон, а также трансляционная линия (через делитель R1R2).
Между первым и вторым каскадами предварительного усилителя, собранными на лампе Л1, включен экспандер, работающий на лампах Л6 и Л7 отличие от ранее приведенных схем в данной схеме экспандера уровень экспандирования может плавно регулироваться при помощи потенциометра R46. Правый по схеме триод лампы Л6, используемый как детектор, включен диодом, для чего его управляющая сетка соединена с анодом. Левый триод работает усилителем. Включение или выключение экспандера осуществляется выключателем Вк1, объединенным с потенциометром R46.
Чтобы регулирование громкости не вызвало изменения заданного динамического диапазона, регулятор громкости R10 установлен после экспандера, на входе второго каскада.
Регуляторы тембра низших и высших частот используют частотнозависимую отрицательную обратную связь и отличаются широкими пределами регулировки тембра (12— 16 дб) и минимальными искажениями.
Предоконечные и фазоинверсный каскады выполнены на лампах Л2 и Л3. Оконечный каскад двухтактный, с разделенной катодной нагрузкой. Это разделение сделано с целью повышения симметрии анодных токов ламп оконечного каскада, так как при высоких анодных напряжениях 310—320 в возможен триггерный эффект, вызывающий разбаланс и в конечном итоге перегрев и быстрый выход из строя ламп оконечного каскада. Для стабилизации нагрузки оконечного каскада в области высших частот параллельно первичной обмотке выходного трансформатора включены выравнивающие цепочки из резисторов R42, R43 и конденсаторов С23, С24.
Три последних каскада охвачены глубокой отрицательной связью, напряжение которой снимается с вторичной обмотки выходного трансформатора и подается в катодную цепь лампы Л3.
Детали
За исключением выходного трансформатора все детали усилителя покупные. Силовой трансформатор Тр1 от приемника «Фестиваль» собран на сердечнике из пластин Ш20, толщина набора 45 мм. Сетевая обмотка содержит 2 X (50+315) витков провода ПЭЛ 0,38, повышающая — 700 витков провода ПЭЛ 0,29. Обмотка накала ламп — 17+4 витка провода ПЭЛ 1,0. Имеющаяся в трансформаторе дополнительная обмотка накала (на схеме не показана), содержащая 45 витков провода ПЭЛ 0,29, может быть использована для питания накала ламп предварительного усилителя постоянным током с целью уменьшения фона.
Дроссель фильтра Др1 — большой дроссель от телевизора «Рубин-102» (индуктивность 4 гН), собран на сердечнике из пластин УШ16, толщина набора 32 мм, обмотка его имеет 2200 витков провода ПЭЛ 0,25.
Выходной трансформатор усилителя Тр2 собран на сердечнике из пластин Ш19, толщина набора 40— 45 мм. На рис. 5,а и 5,6 показаны принципиальная схема выходного трансформатора и один из вариантов расположения его обмоток. Намотку трансформатора нужно производить аккуратно, виток к витку. Во избежание пробоя изоляции провода между слоями необходимо прокладывать один слой тонкой лакотканп или два слоя конденсаторной бумаги, а между обмотками два слоя лакоткани или плотной бумаги. Вместо конденсаторной бумаги можно использовать тонкую папиросную (рисовую).

Сначала проводом ПЭВ-2 1,0— 1,2 мм наматывают 40+12+16+18=86 витков вторичной обмотки, затем обе половины первичной обмотки 1—2 и 3—4, имеющие по 1500 витков провода ПЭВ-2 0,18— 0,21. При намотке второй половины катушку поворачивают на 180° для того, чтобы обмотки 1—2 и 3—4 были строго симметричны с целью уменьшения индуктивности рассеяния.
Выводы трансформатора должны быть изолированы хлорвиниловой пли кембриковой трубкой. Выводы обмоток делаются тем же проводом, каким выполнены обмотки, для выводов 1—4 провод складывается втрое. Крепить выводы нужно суровыми нитками. После сборки трансформатора выводы лучше распаять на монтажных планках, установив их на трансформаторе.
Пригодны и готовые выходные трансформаторы от приемников «Фестиваль», «Люкс», «Дружба» пли от магнитофона «Днепр-11».
Конструкция и монтаж усилителя
Усилитель смонтирован на коробчатом шасси из дюралюминия толщиной 1,5 мм пли стали толщиной 0,8—1 мм. Размеры шасси 270X220X25 мм. Сверху на шасси установлены лампы, электролитические конденсаторы, дроссель фильтра, силовой и выходной трансформаторы, остальные детали расположены в подвале шасси. Монтажная схема усилителя показана на вкладке.
В качестве несущих монтажных элементов используются лепестки ламповых панелей, выводы электролитических конденсаторов, а также монтажные планки с контактами. Планки изготавливают из текстолита, гетинакса или оргстекла, контакты можно выполнить в виде штырьков из медной луженой проволоки диаметром 1 мм или лепестков из белой жести. На лицевой вертикальной панели укреплены потенциометры R10, R46, R14 и R17, а также переключатель П1. Размеры панели 325X100X1,5 мм. В правой части панели прорезано около 18X14 мм для экрана лампы 6Е1П, установленной на кронштейне. Лицевая панель (рис. 6) крепится к шасси посредством П-образной скобы, выгнутой из листового дюралюминия, на расстоянии 35 мм от переднего края шасси. Скоба одновременно служит экраном потенциометров.

Смонтированный усилитель помещается в деревянный корпус, изготовленный из толстой фанеры. Размеры корпуса определяются габаритами шасси. Для вентиляции в верхней части корпуса рекомендуется просверлить 10—15 отверстий диаметром 12—15 мм.
Налаживание усилителя
Налаживание усилителя сводится к проверке режимов ламп и подбору сопротивления резистора R44, определяющего величину отрицательной обратной связи оконечного каскада, а также к установке режима индикатора Л7.
Контрольные измерения основных параметров усилителя и подбор обратной связи производятся с помощью простейшей аппаратуры. Методы измерений описывались в литературе





