КОНВЕРТЕРЫ НА 28,0-29,7 Мгц
В. ЕГОРЫЧЕВ, А. ЛЕОНИДОВ, Радио №12/1966, ст.19
Если радиолюбитель-коротковолновик имеет КВ приемник, в котором отсутствует диапазон 28,0— 29,7 Мгц, то, для того чтобы слушать радиостанции в этом диапазоне, нет смысла строить отдельный приемник. Проще и дешевле сделать конвертер.
Ниже приводятся описания двух конвертеров. Первый из них должен заинтересовать квалифицированных любителей-коротковолновиков. Особенность этого конвертера состоит в том, что он не имеет собственного гетеродина и на его преобразовательный каскад подастся напряжение от гетеродина приемника.
Второй — транзисторный конвертер, предназначен для начинающих коротковолновиков. Он прост по схеме и может быть присоединен к любому широковещательному приемнику, имеющему КВ диапазон от 4,0 до 5,7 Мгц. В конвертере отсутствуют дефицитные транзисторы и детали. Его можно наладить без приборов. Если фактическая чувствительность приемника, к которому будет присоединен конвертер, составляет 100 мкв, то чувствительность всего устройства (приемник+конвертер) будет не хуже 8 мкв.
Принципиальная схема конвертера без гетеродина приведена на рис. 1.

Конвертер содержит двухкаскадный усилитель ВЧ и преобразовательный каскад.
Напряжение гетеродина КВ приемника через подстроечный конденсатор С18, который служит для подбора оптимальной связи между гетеродином и преобразователем, подается на защитную сетку преобразовательной лампы 6Ж10П (Л4).
Для того чтобы такой конвертер нормально работал, соединенный с ним КВ приемник должен быть настроен на определенные частоты, которые можно определить по формуле:

При расчетах в числителе правой части формулы знак «плюс» ставится тогда, когда частота гетеродина КВ приемника ниже принимаемой, а знак «минус» — если частота гетеродина выше принимаемой.
Конвертер собирают на коробчатом шасси размерами 230 X 80 х 60 мм из дюралюминия толщиной 1,5 мм. Взамен дюралюминия можно применять мягкую сталь толщиной 0,8-1,0 мм. Каскады отделяют друг от друга поперечными экранами. Монтировать конвертер необходимо жесткими проводами по кратчайшим расстояниям. Там, где это возможно, вместо соединительных проводников следует использовать выводы деталей
Намоточные данные катушек и дросселей конвертера приведены в табл. 1.

После проверки монтажа и режимов ламп конвертера, вращая роторы подстроечных конденсаторов, производят при помощи ГИРа предварительную настройку контуров (кроме катушки L2). Контуры настраиваются на следующие частоты: L1С1—29,0 Мгц; L3С4—28,2 Мгц, L4C8—29,4: Мгц-, L5С13—29,0 Мгц и L6С15— на среднюю частоту настройки КВ приемника
Окончательно их подстраивают во время приема радиостанций по максимальной слышимости. Раздвигая и сдвигая витки катушки L2, добиваются минимума шумов
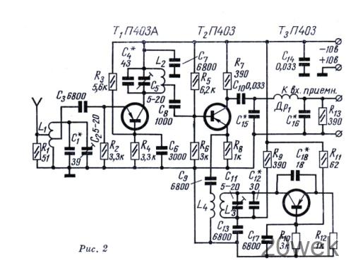
Второй конвертер, схема которого приведена на рис. 2, имеет три каскада: усилитель ВЧ, преобразователь и гетеродин. Усилитель ВЧ собран на транзисторе П403А (Т1) по схеме с общей базой. Входной контур L1С1С2 этого каскада нагружен сопротивлением эмиттерного перехода транзистора Т1. Это сопротивление имеет малую величину. Поэтому полоса пропускания контура L1C1C2 очень широка (несколько Мгц). В коллекторной цепи транзистора Т1 установлен контур L2С4С5, полоса пропускания которого равна примерно 2 Мгц. Таким образом, усилитель ВЧ работает во всем диапазоне рабочих частот (28,0-4-29,7 Мгц) без перестройки контуров.

Преобразователь конвертера — апериодический. В нем применен транзистор П403 (T2), нагрузкой коллекторной цепи которого служит резистор R7. На этом резисторе выделяется напряжение ПЧ, которое меняется в зависимости от частоты принимаемого сигнала в пределах от 4,0 до 5,7 Мгц. На выходе преобразователя установлен фильтр нижних частот Др1С15С16, препятствующий проникновению комбинационных частот на вход приемника.
Гетеродин конвертера собран на транзисторе П403 (T3). Он генерирует фиксированную частоту 33,7 Мгц.
Все катушки конвертера наматываются на полистироловых каркасах диаметром 10 мм и длиной 22 мм (взамен полистирола можно применить органическое стекло). Данные катушек приведены в табл. 2. Дроссель Др1 наматывается на резисторе ВС-1—510 ком. Он содержит 40 витков провода ПЭВ 0,25, намотанных в один слой, виток к витку.

Налаживание конвертера начинают, как обычно, с проверки монтажа и измерения общего потребляемого тока, который при нормальной работе конвертера должен быть равен примерно 20 ма. Затем отпаивают конденсатор С8 от отвода катушки L2 и соединяют конвертер с приемником. К отпаянному выводу конденсатора С8 присоединяют ГСС и подают на базу транзистора Т2 сигнал частотой 4,0-5,7 Мгц (промежуточные частоты) и напряжением 8-10 мкв. Настроив приемник на частоту ГСС и подбирая емкость конденсаторов C15 и С16 фильтра нижних частот, добиваются максимальной слышимости сигнала ГСС в громкоговорителе приемника. На время этой операции выводы катушки связи L4 должны быть закорочены.
После окончания настройки фильтра нижних частот снимают перемычку с выводов катушки L4, отпаивают конденсатор С8 от базы транзистора Т2 и подают на нее через конденсатор емкостью 3-5 пф от УКВ ГСС сигнал частотой 28,9 Мгц и напряжением 10 мкв. Приемник настраивают на частоту 4,8 Мгц и подбирают конденсатор С12 колебательного контура гетеродина, а также вращают подстроечный конденсатор С11 этого же контура до максимальной слышимости сигнала ГСС в громкоговорителе приемника. В этом случае гетеродин будет генерировать частоту 33,7 Мгц. Затем, изменяя емкость конденсатора С18, стараются получить в громкоговорителе приемника возможно большую слышимость сигнала ГСС.
В усилителе ВЧ сначала настраивают колебательный контур L2С4С5 в коллекторной цепи транзистора T1. Для этого отпаивают конденсатор С3 от эмиттера и присоединяют к последнему через конденсатор емкостью 3-5 пф УКВ ГСС. Настройка контура производится следующим образом. На ГСС последовательно устанавливают три частоты: 28,0; 29,0 и 29,7 Мгц. Ручкой настройки приемника конвертер с приемником настраивают на эти же частоты. Подбирая конденсатор постоянной емкости С4 и вращая ротор подстроечного конденсатора С5, добиваются возможно меньшей разницы слышимости сигнала УКВ ГСС на трех указанных выше частотах. Когда это будет достигнуто, контур L2C4С5 будет настроен на среднюю частоту диапазона.
В дальнейшем, восстановив соединение конденсатора С3 с эмиттером транзистора T1, таким же способом настраивают входной контур L1С1С2 при помощи конденсаторов контура. На время этой операции УКВ ГСС подключают к антенному гнезду конвертера.
Взамен транзисторов П403А и П403 в конвертере можно установить П411, П411А или ГТ313А. В случае применения этих транзисторов необходимо установить конденсаторы С1 емкостью 47 пф и С4 —51 пф.





