Усилитель НЧ
В. Шульгин, Радио №6/1964, ст.48
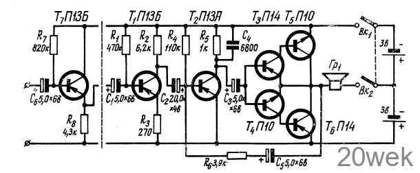
Можно значительно улучшить качество работы усилителя введением глубокой отрицательной обратной связи (до 20—22 дб) и добавлением одного или двух каскадов. Напряжение обратной связи снимается с незаземленного конца звуковой катушки громкоговорителя и через цепочку R6C5 подается на основание транзистора T2 При этом, даже без подбора транзисторов по параметрам, нелинейные искажения становятся совершенно незаметными на экране осциллографа. Частотная характеристика линейна с неравномерностью менее 2 дб в пределах от 60 до 20 000 гц.

Неискаженная выходная мощность усилителя — 200 мВт, кпд при этой мощности— 50%, ток покоя 4 ма, шумы — менее 70 дб. Сопротивление звуковой катушки громкоговорителя 10—12 ом. При использовании громкоговорителя с меньшим сопротивлением несколько уменьшается кпд, а прочие параметры остаются без изменений.
При увеличении напряжения питания до 9 в (4,5 + 4,5) неискаженная выходная мощность возрастает до 400 мВт. В этом случае транзисторы Т5 и Т6 могут выйти из строя из-за перегрузки. Чтобы этого не произошло, параллельно каждому из них необходимо включить еще по одному транзистору. Тогда мощность равномерно распределится между четырьмя транзисторами и не превысит допустимую. В результате введения отрицательной обратной связи выходное сопротивление RВыХ значительно снижается. Величину RВых можно оценить, наблюдая изменение выходного напряжения U1 — U2 при подключении параллельно сопротивлению нагрузки Rн (громкоговорителя) какого-либо известного сопротивления того же порядка Rп по формуле

Введение отрицательной обратной связи сильно снижает чувствительность усилителя. Для того чтобы скомпенсировать уменьшение коэффициента усиления, необходим еще один каскад на транзисторе Т7 — П13Б. Чувствительность усилителя достигает при этом 120 мв при входном сопротивлении 30 ком. На входе усилителя можно включить еще один каскад с заземленным коллектором и исключить сопротивление Rз. Тогда общая чувствительность возрастает до 20 мв при входном сопротивлении более 50 ком. В таком варианте усилитель можно использовать для работы с пьезоэлектрическим звукоснимателем, включив последовательно ко входу сопротивление величиной 400-500 ком.
При налаживании усилителя следует убедиться в отсутствии возбуждения. В противном случае нужно изменить величину сопротивления Rб до 4,3 — 4,7 ком. Величины сопротивлений R1, R4, R7 желательно подбирать для получения наименьших нелинейных искажений.
Несколько экземпляров усилителя, собранного по такой схеме, обеспечивают высокое качество звучания. Несмотря на использование сравнительно большого количества транзисторов, усилитель достаточно прост в изготовлении и налаживании. Схема усилителя приведена на рисунке.





