УСИЛИТЕЛЬ ДЛЯ МАГНИТОФОНА НА ТРАНЗИСТОРАХ
Б. Хохлов, Радио №11/1964, ст.47
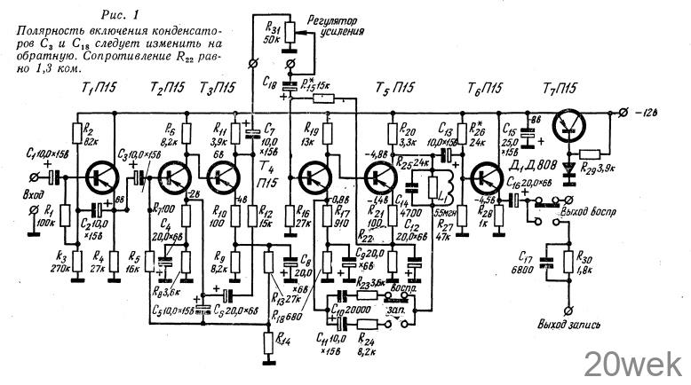
Принципиальная схема усилителя показана на рис. 1. Он воспроизводит полосу частот от 50 гц до 10 кгц. Номинальное напряжение на выходе усилителя в режиме воспроизведения 0,5 в, максимальное напряжение на выходе в режиме записи 1,5 в. Коэффициент усиления в режиме записи на частоте 1 кгц равен 1000. Входное сопротивление усилителя 500 ком, отношение напряжения сигнала к шуму 50 дб. Усилитель рассчитан на работу с магнитофоном, имеющим скорость движения магнитной ленты 9,5 см!сек. Магнитная головка применена универсальная, от магнитофона «Астра», причем в режиме воспроизведения используется высокоомная обмотка с индуктивностью порядка 1 гн, а в режиме записи — низкоомная с индуктивностью 40 мгн. Питается усилитель от десяти последовательно соединенных элементов типа «Сатурн» общим напряжением 12 в. Источник питания включен через электронный стабилизатор напряжения, собранный на транзисторе Т7. Опорное напряжение создается диодом типа Д808. Напряжением, снимаемым со стабилизатора, питается двигатель магнитофона и оконечный усилитель НЧ. В результате практически исключаются помехи от двигателя, что позволяет использовать один источник питания.

В режиме воспроизведения сигнал от магнитной головки поступает на базу транзистора Т1 типа П15, включенного по схеме эмиттерного повторителя. Подробный расчет такого каскада был опубликован в журнале «Радио», № 10 за 1964 г.
С сопротивления R4 сигнал последовательно поступает на транзисторы Т2 и Т3. Оба каскада охвачены глубокой отрицательной обратной связью, они дают стабильное, независящее от разброса параметров транзисторов усиление, равное 100. Каскады, выполненные на транзисторах Т4 и Т5, также охвачены отрицательной обратной связью, величина которой зависит от частоты и создает необходимую коррекцию в режиме записи и воспроизведения. Выходной каскад усилителя собран по схеме эмиттерного повторителя на транзисторе T6. Он обеспечивает в режиме записи на нагрузке, равной 1,8 ком, напряжение порядка 2 в.
Прежде чем приступать к расчету усилителя, рассмотрим более подробно его отдельные узлы. Второй и третий каскады усилителя, выполненные на транзисторах Т2 и Т3, охвачены отрицательной обратной связью по постоянному и переменному току. Отрицательная обратная связь по постоянному току стабилизирует положение рабочей точки. Напряжение обратной связи снимается с сопротивления R9, включенного в эмиттерную цепь транзистора Т3, и через сопротивления R13, R14 (по 27 ком каждое) и R5 подается на базу транзистора Т2. Конденсатор С5 уменьшает шунтирующее действие сопротивления R5
Обратная связь по переменному току выполняет две функции. Во-первых, она повышает входное сопротивление транзистора Т2. Как уже говорилось, входное сопротивление всего усилителя зависит от величины нагрузки эмиттерного повторителя, выполненного на транзисторе Т1 Чем больше сопротивление нагрузки, тем больше входное сопротивление усилителя. Входное сопротивление 500 ком можно получить, если входное сопротивление каскада, выполненного на транзисторе Т2, будет не менее 15 ком. Кроме того, обратная связь позволяет сделать коэффициент усиления тракта по напряжению независящим от параметров использованных транзисторов, температуры и других внешних факторов.

остается практически постоянним, а на высшей частоте (в нашем случае это 10 кгц) возрастает на 10—15 дб.
При записи частотная характеристика усилительного тракта изменяется и становится такой, как показано на рис. 4. Коэффициент передачи не зависит от частоты, и только на высшей частоте он увеличивается на 10—15 дб.
Частотная коррекция осуществляется в четвертом и пятом каскадах, собранных на транзисторах Т4, Т5. Работают эти каскады так же, как и каскады, выполненные на транзисторах Т2 и Т3 с той лишь разницей, что здесь обратная связь сделана частотно зависимой. В режиме воспроизведения напряжение обратной связи с коллектора транзистора Т5 через цепочку С10 R23 С14 R25 L1 подается в цепь эмиттера транзистора Т4. В режиме записи вместо цепочки С10,R23 включается С11,R24, а контуртур С14,R25L1, обеспечивающий подъем частотной характеристики на частоте 10 кгц, сохраняется. Для создания требуемой частотной характеристики 3-й и 4-й каскады должны иметь на частоте 50 гц усиление порядка 90, на частоте 1 кгц — около 5 и на частоте 10 кгц — 16. Считаем, что через транзистор Т4 протекает ток 0,5 ма, а через T5 — 1 ма и что коэффициент В транзисторов Т5, T4 имеет среднее значение порядка 50. Транзистор Т5 должен работать в режиме А и развивать на нагрузке напряжение 2 в-эфф, то есть около 6 в пикового. Чтобы иметь некоторый запас, увеличиваем это напряжение до 6,6 в. Тогда на эмиттерном сопротивлении будет падать 1,4 в, а значит, оно должно быть равным 1,4 ком. Составим его из двух сопротивлений 100 ОМ (R21) И 1,3 КОМ (R22)- Незашунтированное сопротивление 100 ом (R21) уменьшает влияние разброса параметров транзистора на усиление. Величину сопротивления R20 (3,3 ком) определяем исходя из того, что падение напряжения на нем должно быть таким же, как и на участке коллектор—эмиттер транзистора Т5. Напряжение на базе этого транзистора незначительно, на 0,1—0,2 в превышает напряжение на эмиттере, то есть равно 1,5—1,6 в. Зная это напряжение и ток, протекающий через транзистор Т4, находим величину нагрузочного сопротивления R19 (13 ком). Напряжение коллектор—эмиттер транзистора Т4 может быть сравнительно небольшим. В нашем случае оно выбрано равным 0,7 в. Значит, на эмиттере транзистора Т4 должно быть напряжение 0,8 в, а суммарная величина сопротивлений R17 и R18 должна составлять 1,6 ком. Напряжение на базе транзистора Т4 практически такое же, как и на его эмиттере, то есть 0,8—0,85 в. Чтобы получить такое смещение, напряжение, снимаемое с сопротивления R22 (1,3 в), делим в требуемой пропорции сопротивлениями R15 и R16— При использовании транзисторов с большим разбросом коэффициента В поддерживать заданный режим можно, лишь незначительно изменяя величину сопротивления R15
Далее переходим к расчету каскадов по переменному току. Если транзистор T5 имеет коэффициент В = 50, крутизна его будет 37, а с учетом влияния сопротивления R21 она упадет до значения 7,9. В таком случае коэффициент усиления этого каскада будет около 22. На низшей частоте усиление обоих каскадов должно быть равным 90. Считаем, что цепь R23, С10 при этом имеет бесконечное сопротивление, тогда усиление четвертого каскада, которое должно быть равным 90/22 = 4,1, определяется величиной сопротивления R17 в эмиттере транзистора Т4. Сопротивление нагрузки этого транзистора по переменному току состоит из параллельно соединенных сопротивления R19 и входного сопротивления транзистора T5 и равно 4,25 ком. Крутизна транзистора Т4 с учетом влияния сопротивления R17 будет равна 4,1/4,25 = = 0,97, а без учета сопротивления R17—18,9. Из соотношения S’=S/(1+SRэ) находим величину сопротивления R17 — 1 ком. Сопротивления R17 и R18 должны в сумме составить 1,6 ком, выбираем R17 = 910 ом и R18 = 680 ом. На частоте 1—2 кгц усиление четвертого и пятого каскадов из-за цепи R17, R23, С10 должно уменьшиться до значения 5. При этом усиление будет зависеть не от параметров транзисторов, а от параметров цепи обратной связи: K=(R17+R23)/R17=5 Сопротивление в цепи обратной связи будет равно R23=4R17=3,6кОм
На высшей звуковой частоте (10 кгц) усиление возрастает из-за резонанса в цепи R25, С14, L1 Величина R25 определяет степень этого роста, а характеристическое сопротивление контура — полосу звуковых частот, в которой этот рост происходит. Зададимся величиной подъема частотной характеристики на частоте 10 кгц — 15дб (5,7 раз), а полосой —2 кгц. Из соотношения (R23+R25+R17)/R17=5*5.7 нахожим величину сопротивления R25 =24kOm, а зная полосу подъема, определяем добротность контура. С учетом сопротивления R25 она должна быть равна Qн=10кГц/2кГц= 5. Учитывая, что добротность холостого хода Q=100, из соотношения Rшунта=R25=wL*(Qn*Qo)/(Qo-Qn) находим великочину индуктивности L1 = 55 мгн.
В режиме записи параметры контура, определяющего высокочастотный подъем характеристики, не меняются. Подъем на низших и средних частотах равный 1000 (на транзисторы Т4—Т5 приходится усиление 10) создается цепью R24, С11 поэтому, руководствуясь равенством (R24+R17)/R17 =10, можем найти R24=8.2kOm. Степень подъема при записи будет несколько меньше, чем при воспроизведении, и составляет (R24+R25+R17)/R17 =33,2, то есть около 10 дб.
Каскад, собранный на транзисторе Т6 по схеме обычного эмиттерного повторителя, в режиме воспроизведения «раскачивает» мощный оконечный усилитель, а в режиме записи питает магнитную головку. Для того чтобы нагрузка в этом каскаде не зависела от частоты, головку включают последовательно с корректирующей цепочкой R30, С17. При полосе частот усилителя 10 кгц и индуктивности головки 40 мгн, сопротивление R30 равно 1700 ом, а конденсатор С17 — 6500 пф. При максимальном токе записи 0,5 ма требуется выходное напряжение 0,85 в. Каскад рассчитан так, что он обеспечивает неискаженное выходное напряжение порядка 1,5 в. Коллекторный ток каскада составляет 4,5 ма. Входное сопротивление транзистора T6 получается значительным — около 20 ком. Поэтому транзистор Т5 практически работает как генератор напряжения.
Транзистор T1 должен иметь возможно меньший неуправляемый ток (не более 1 мка при напряжении коллектор — база 5 в) и коэффициент В в пределах 80—150. Остальные транзисторы могут иметь неуправляемый ток 1—2 ма и В в пределах от 30 до 100. Если эти условия выполняются, налаживание усилителя сводится к точному подбору сопротивлений R15 и R26 При этом следует добиться, чтобы постоянное напряжение на коллекторе транзистора Т5 относительно земли составило 4,8 в, а на эмиттере транзистора T6—4,4-4,5 в. Режим остальных каскадов при точном соблюдении номиналов сопротивлений устанавливается без подстройки. Дроссель L1 выполнен в сердечнике ОБ-1 с проницаемостью 2000 и содержит 800 витков провода ПЭЛ 0,08.

На рис. 5 приведены экспериментально снятые частотные характеристики усилителя. Характеристики снимались при использовании транзисторов Т2—T6 со значениями В 30 и 100. Как видно из графиков, столь большое изменение В почти не сказывается на характеристиках усилителя.





