Транзисторный приемник с отдельной батареей смещения
Радио №10/1965, ст.59
Значительным недостатком транзисторных переносных приемников является ослабление их выходной мощности при падении напряжения батареи питания (под мощностью здесь подразумевается громкость звучания). Как показывает опыт, уже при снижении напряжения питания на 30% выходная мощность составляет десятую часть от первоначальной.
Это явление иллюстрируется рис. 1, на котором изображены две кривые. Нижняя кривая показывает зависимость силы света лампочки карманного фонаря от времени, а верхняя — ту же зависимость для обыкновенной свечи. Из рисунка видно, что уже через очень незначительное время напряжение батареи начинает падать и яркость свечения лампочки быстро уменьшается. Пламя свечи остается ярким постоянно в течение всего времени службы.

В лабораториях фирмы «Philips» попытались сделать так, чтобы характеристика работы транзисторного приемника была такая же, как и свечи. Этого удалось достичь благодаря так называемому раздельному включению.
Известно, что на работу усилительных транзисторных каскадов падение коллекторного напряжения действует гораздо меньше, чем падение напряжения базового смещения. Это обстоятельство натолкнуло на мысль применить отдельную батарею смещения, как это делалось в прежние времена в ламповых схемах, когда в цепь сетки включалась специальная батарея сеточного смещения. Но здесь нужно оговориться, что, несмотря на кажущуюся аналогию, сеточное смещение действует несколько иначе, чем смещение базы
При отсутствии смещения на сетке лампы анодный ток сильно увеличивается. Транзистор же, наоборот, без смещения заперт и отпирается только при подаче напряжения смещения на базу.
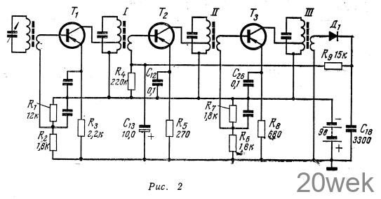
На рис. 2 изображена схема трех каскадов обычного транзисторного приемника с детектором. Все каскады питаются от батареи напряжением 9 в. Транзистор T1 получает напряжение смещения с делителя, образованного сопротивлениями R1 и R2, транзистор Т3 с делителя, образованного сопротивлениями R6 и R7. У транзистора Т2 нет делителя, он получает регулируемое смещение с детектора приемника.

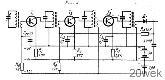
Подавать напряжение смещения на транзисторы T1 и Т3 следует от отдельной батареи смещения. На рис. 3 показана схема с такой батареей смещения. Здесь нет делителей, и благодаря этому снижается падение напряжения на сопротивлениях. Кроме того, ток, потребляемый приемником, снижается и за счет отсутствия реактивного тока в делителе. О выигрыше, который получается при включении отдельной батареи смещения, можно судить по рис. 4. На этом рисунке изображены зависимости усиления обычного приемника (рис. 2) и приемника с отдельной батареей смещения (рис. 3) от напряжения батареи питания. Как видно из рисунка, при падении напряжения питания на 3 в усиление приемника с отдельной батареей смещения падает на 3 дб (кривая 2), а обычного приемника (кривая 1) на 26 дб. Практически пользоваться обычным приемником уже нельзя без замены батареи, в то время как ослабление усиления приемника с отдельной батареей смещения незначительно


Целесообразно применять отдельную батарею смещения и в предоконечных и выходных каскадах усилителей НЧ.

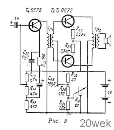
На рис. 5 показана обычная схема усилителя НЧ, напряжение смещения на базы этих транзисторов подается с делителей R13, R14, R17, R19, R20, R21 Аналогичная схема с отдельной батареей смещения показана на рис. 6. Батарея смещения включена в цепь базы транзистора смещение на транзисторы выходного каскада подается с сокотопротивления R35, включенного в цепь эмиттера предоконечного каскада усилителя. Кривые зависимости выходной мощности обоих усилителей от входного напряжения при падении напряжения питания с 9 до 5,4 в и коэффициенте нелинейных искажений 10% показаны на рис. 7. Графики свидетельствуют о явном преимуществе схемы с отдельной батареей смещения, так как при указанном снижении напряжения питания выходная мощность этого усилителя (сплошные кривые) снижается только на 15 мВт (Uвх—3 мв), в то время как в обычном усилителе (пунктирные кривые) она снижается на 55 мВт


От редакции: транзисторы типа ОС71, ОС72, ОС74, ОС75 можно заменить транзисторами типа П13 или П14.





