ТРАНЗИСТОРНЫЕ УСИЛИТЕЛИ С НЕПОСРЕДСТВЕННОЙ СВЯЗЬЮ
К. Качурин, Радио №3/1965, ст. 28
О усилителях НЧ на транзисторах обычно между каскадами используется емкостная или трансформаторная связь. Схемы с непосредственной связью между каскадами еще недостаточно разработаны и применяются редко. Между тем такие схемы выгодно отличаются от обычных. Они содержат меньше деталей и имеют более равномерную полосу пропускания. Благодаря меньшему количеству всякого рода балластных сопротивлений и очень малым коллекторным токам потребление энергии у таких усилителей значительно меньше, чем у обычных. Это позволяет повысить экономичность, увеличить входное сопротивление и уменьшить уровень собственных шумов. Усилители с непосредственной связью легко настраиваются, не нуждаются в специальном подборе транзисторов и мало чувствительны к изменению напряжения питания. Нелинейные искажения в них могут быть сведены до весьма незначительной величины. Но самым важным преимуществом таких усилителей является то, что в них достаточно просто достигнуть очень высокой температурной стабильности.
Высокая температурная стабильность и все остальные перечисленные преимущества усилителей с непосредственной связью могут быть получены лишь при введении глубокой отрицательной обратной связи по постоянному току, подаваемой с выхода усилителя на первый каскад. При таком способе подачи обратной связи температурные или любые другие изменения тока усиливаются последующими каскадами и попадают на вход усилителя в такой полярности, что усилитель возвращается к исходному состоянию. Ясно, что при этом он острее всего реагирует на нестабильность первого каскада, поскольку отклонение тока первого транзистора от установленной величины усиливается всеми остальными каскадами. Это позволяет, как упоминалось выше, работать при очень малых токах первого каскада без опасения, что усилитель выйдет из установленного режима. Температурная стабильность усилителей с непосредственной связью тем выше, чем больше общее усиление и чем глубже обратная связь по постоянному току, охватывающая усилитель. Экспериментальное исследование усилителей, собранных по различным вариантам схем с непосредственной связью, показало, что двух-, трех- и даже четырехкаскадные усилители, охваченные глубокой обратной связью по постоянному току, работают вполне устойчиво и не склонны к самовозбуждению.
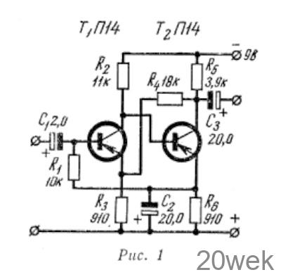
Ниже приводится несколько схем, достаточно подробно исследованных автором и примененных им в различных конструкциях. На рис. 1 показана довольно известная, но незаслуженно редко применяемая схема с двумя обратными связями — с выхода на вход. Стабилизация осуществляется передачей напряжения с сопротивления R6 на базу первого транзистора и изменением напряжения эмиттера первого каскада в зависимости от величины тока, проходящего через сопротивление R5. Проследим работу усилителя при повышении температуры. В этом случае ток первого каскада увеличивается и напряжение коллектора по абсолютной величине падает, что вызывает уменьшение тока второго каскада. Это, в свою очередь, приводит к уменьшению падения напряжения на сопротивлениях R5 и R6, а значит, и к уменьшению смещения на первом транзисторе. Уменьшение же смещения на первом транзисторе возвращает усилитель к исходному состоянию. В результате токи обоих каскадов остаются практически неизменными, и рабочая точка выходного каскада не сдвигается. У усилителей с непосредственной связью для установки режима обычно достаточно бывает подобрать лишь одно сопротивление. В данном усилителе режим устанавливается сопротивлениями R6 или R2. Благодаря тому, что сопротивление не зашунтировано конденсатором, в усилителе возникает обратная связь по переменному току, резко уменьшающая искажения.

На рис. 2 приведен простой двухкаскадный усилитель, в котором использованы транзисторы с различной проводимостью. В этом усилителе отклонение токов от оптимальных значений приводит к изменению падения напряжения на сопротивлении R5, а значит, и к изменению потенциала эмиттера транзистора T1. Но поскольку напряжение базы этого транзистора стабилизировано делителем R1 R2, а напряжение эмиттера меняется, то меняется и ток коллектора первого транзистора. Причем это изменение происходит в таком направлении, что усилитель возвращается в первоначальное состояние. Режим работы усилителя устанавливается подбором сопротивления R1

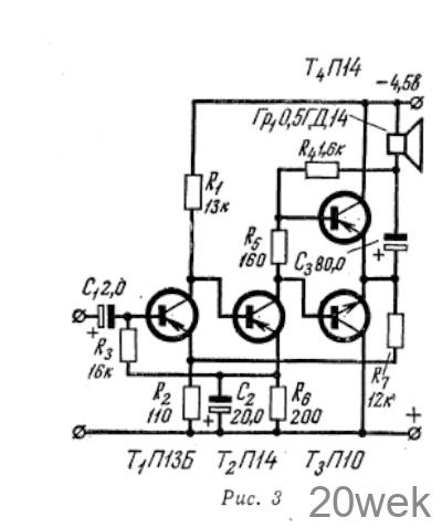
На рис. 3 приводится схема трехкаскадного усилителя низкой частоты простого переносного радиоприемника. В ней, так же как и в схеме рис. 1, применены две цепи обратной связи. Основная цепь, термостабилизирующая схему усилителя и уменьшающая искажения, соединяет эмиттеры выходного каскада с эмиттером первого транзистора через сопротивление R7. Вторая цепь, так же как и на рис. 1, соединяет эмиттер второго транзистора с базой первого транзистора.

Режим работы усилителя устанавливается сопротивлением R6. Усилитель надежно работает в диапазоне обычных температур, обеспечивает хорошее качество звучания и характеризуется следующими параметрами: максимальная выходная мощность 80 мBт при входном напряжении 30 мв, входное сопротивление 7 ком, ток покоя — усилителя 2,2 ма, кпд превышает 70% , полоса воспроизводимых частот от 100 до 10000 гц с завалом на граничных частотах, равном 3 дб.

Очень хорошими показателями обладает четырехкаскадный усилитель, схема которого показана на рис. 4, разработанный специально для высококачественного переносного радиоприемника. Его выходная мощность 300 мBт при входном напряжении 40 мв. Полоса воспроизводимых частот от 50 до 15 000 гц при неравномерности ±1 дб. Нелинейные искажения не превышают 2% Экономичность и кпд усилителя чрезвычайно высоки. Кпд приближается к теоретически возможному — 78%, а об экономичности можно судить по току покоя, равному 1,4 ма. Для сравнения можно указать, что ток покоя усилителей равной мощности, но выполненных с трансформаторной или емкостной связью, вряд ли может быть ниже 7—8 ма. Входное сопротивление очень высокое (12 ком), а выходное сопротивление не превышает 3 ом.
Таких высоких показателей удалось достичь благодаря охвату усилителя несколькими цепями обратной связи. Основной из них является 100% отрицательная обратная связь по постоянному току с выхода усилителя на эмиттер транзистора Т1 через сопротивление R9. Для уменьшения нелинейных искажений введена обратная связь по переменному току, глубиной 12 дб. Напряжение этой обратной связи с сопротивления R5 подается также на эмиттер транзистора Т1. В усилителе еще имеется положительная обратная связь с выхода, через сопротивление R10. На базы транзисторов Т3, Т4. Эта обратная связь не может вызвать самовозбуждения, так как коэффициент усиления по напряжению последних четырех транзисторов равен единице. Сопротивление R10 вместе с тем является нагрузкой второго каскада и при обычном включении должно быть присоединено к плюсу источника питания. Но тогда напряжение питания второго каскада было бы недостаточным и раскачать выходную ступень (Т3—Т6) оказалось бы невозможным. При таком же включении нагрузки R10, как показано на схеме, на напряжение питания наложено переменное напряжение усиленного сигнала. В результате транзистор Т2 работает при переменном напряжении питания, колеблющемся от 0,5 до 1,5 напряжения батареи, и полностью раскачивает выходной каскад В результате введения описанных обратных связей параметры усилителя оказались настолько жестко стабилизированными, что при повышении температуры до 60°С и при вариациях питающего напряжения от 4 до 15 B работоспособность усилителя полностью сохраняется при отличной симметрии выходного каскада. Правильно собранный усилитель сразу начинает работать и в налаживании не нуждается. Рекомендуется лишь проверить симметрию плеч и величину напряжения смещения транзисторов выходного каскада. При необходимости они подбираются сопротивлениями R2 и R6. Глубина обратной связи по переменному току устанавливается подбором сопротивления R5. Если в усилителе не возникает паразитных колебаний, то конденсатор С4 можно исключить





